Перейти к содержанию

VK_rnn

Без аутентификации
  • Постов

    6
  • Зарегистрирован

  • Посещение

Весь контент VK_rnn

  1. Проблема была решена следющим образом: Была произведена замена электромагнитных клапанов (2 шт, каждый примерно по 50уе) в гидроузле, который крепится на саму коробку передач. Их замена производится без снятия самой каробки, дополнительно меняется 3 литра масла АКПП. За работу я отдавал 50 уе, поменяли за вечер всё. Масло дорогое, сколько не помню, вроде 30 рублей литр. Всё сделали за вечер, ждали около 4 часов что бы масло остыло. Это стандартная пробелма в таких коробках. На автосервисе мне сказали около 400-500 уе за всё, хотя они все вкурсе как что делается и сколько реально это стоит. Если есть где, и понимание, то помнять можно и самому.
  2. Доброго времени суток! Как и у многих коробка передач переходила в аварийный режим, но только на трассе при скорости около 100 км/ч и то не сразу. Симптомов поломки никаких. Проверили на компе - выдало ошибку 06 и С3, но потом С3 не появилась, а ошибка 06 осталось. На фото ниже отчет. Получается что фактическое давние масла больше нормируемого, хотя масло не подливалось. Видимо клапан не до конца открылся, правильно я понимаю? Или что то не то? Неохото менять клапана без надобности. Подскажите кто что
  3. У меня точнотакое же было, только потом еще и пропали стопаки на обоих фонарях. Сделали массу на прямую, почистили фишки. ПРоверили всё по очереди - всё гуд, начали проверять два фанаря сразу - пропали на обоих поворотники! Не идёт питание на их. В итоге сняли клему + с аккумулятора, повесили обратнно - всё заработало. Видимо мозги презагрузились и заработало
  4. Пособие по ремонту пежо 308 с цветными картинками в формате ПДФ ссылка для скачивания: http://freespace.by/download/ecb5d821be
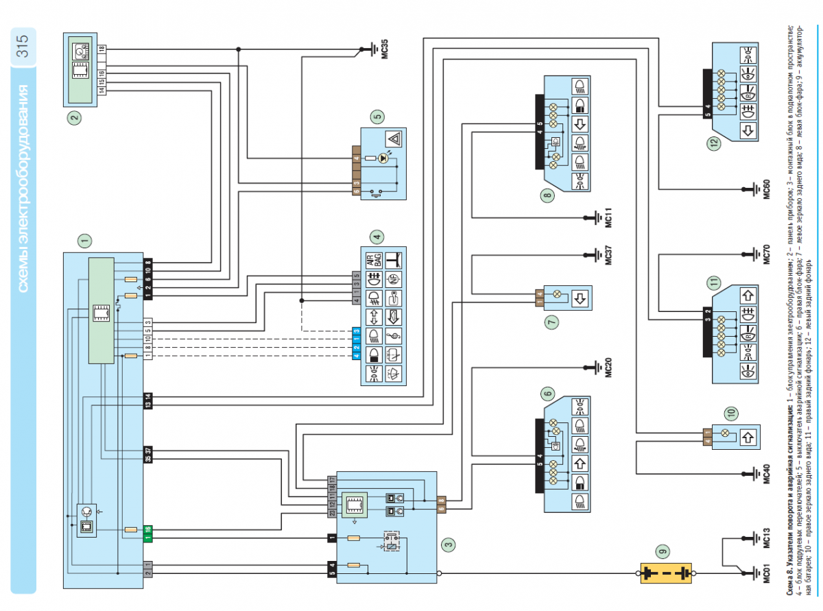
  5. Всем привет! Такая тема: Начал пропадать задний правый поворотник (только один). Заметил что это случалось после дождя ночью (машина ночью стоит на улице) или если с утра много конденсата. Проверял тестером на клеме на фонаре - питание не приходит. Но в течении дня всё начинает работать. Так понимаю что видимо где-то затекает влага и возможно что то коротит. В пособиях по ремноту есть принцыпиальная схема, и как я понимаю провод идёт от реле. Вот только я не могу найти где это релле находиться. Может кто сталкивался с подобной ситуацией, или у кого есть мысли по этому поводу. Спасибо
×
×
  • Создать...