Steel Опубликовано 3 декабря, 2013 Жалоба Поделиться Опубликовано 3 декабря, 2013 Электродвери и должны в ручную туго открываться, ты все троса тащишь. По стеклам, у меня тоже было такое на Федре, но я не помню как этот глюк исправил. Может попробуй скинуть клему с аккума на минуту. Ссылка на комментарий Поделиться на другие сайты Поделиться
Vlad_407 Опубликовано 3 декабря, 2013 Жалоба Поделиться Опубликовано 3 декабря, 2013 Скидывал и не раз) а вот про троса более правдоподобно.ролики то сами отлично катятся.всем спасибо Ссылка на комментарий Поделиться на другие сайты Поделиться
ignis Опубликовано 4 декабря, 2013 Жалоба Поделиться Опубликовано 4 декабря, 2013 если двери с электроприводом-чего так тяжело тянутся рукой?неужели все из-за самого привода?У меня точно так же и это норма! Тяжело вручную тягать все троса через механизмы. И где-то читал, что не желательно так часто проделывать, жизни механизмам не добавляет.До 807 была Мазда американка там тоже двери с эл. приводом вручную тяжело тягались.второй вопрос:стали стеклоподъемники выпендриваться...Задние стекла пока полностью не опустишь-не поднимутся до конца.С задними тоже периодически такая беда, но пока глючат только задние этим вопросом не парюсь (я их открываю может пару раз за лето). Ссылка на комментарий Поделиться на другие сайты Поделиться
Шпунтик Опубликовано 10 декабря, 2013 Жалоба Поделиться Опубликовано 10 декабря, 2013 Вопрос заключается в том, что необходимо сделать подсветку ног в салоне от светодиодной ленты и запитать ее от центральной лампы плафона с таким же режимом плавного затухания как и на самом плафоне при закрытии дверей. К каким проводам или контактам плафона нужно подпаиватся. Нужно ли ставить дополнительно диоды для развязки по цепям питания авто, и защиты светодиодов на ленте от обратного тока, что бы не свелили в режиме когда плафон потух. Думаю, что и стабилизатор тока на светодиодную ленту будет не лишним, т.к. предполагается включение центральной лампы плафона при заведенном двигателе. Ссылка на комментарий Поделиться на другие сайты Поделиться
aleksin.a.v Опубликовано 11 декабря, 2013 Жалоба Поделиться Опубликовано 11 декабря, 2013 Я бы подключался к проводу, идущему на центральный контакт лампочки. Нужно найти предельное напряжение питания ленты, может 14.4 В будут в допуске. Или можно напряжение погасить диодами, в зависимости от типа, падение напряжения на слаботочном диоде будет 0.7-0.6 В, на мощном 0.3-0.2 В. Ссылка на комментарий Поделиться на другие сайты Поделиться
Zholtykot Опубликовано 11 декабря, 2013 Жалоба Поделиться Опубликовано 11 декабря, 2013 Бобруйский.... Попробуй Инициализировать свои стекла. При вкл зажигании с водительской двери кнопками... не отпуская кнопки открыл.... Поддержал не менее пяти секунд.... Потом точен также закрыл и держишь не менее пяти сек.... И Так пару раз повторить.... Ну и так с каждым стеклом..... Попробуй.... Может проканает.... Кстати... С Люками крыше аналогичная процедура. Ссылка на комментарий Поделиться на другие сайты Поделиться
Vadik Опубликовано 11 декабря, 2013 Жалоба Поделиться Опубликовано 11 декабря, 2013 Иногда сами включаются дворники (стеклоочистители). Не знаю, где может быть датчик дождя, я думал, у меня его нет. Выглядит так. Едешь, никого не трогаешь, дворники выключил (или вообще не включал). 1 раз проходит задний дворник + передние. Через неопределённый промежуток времени может повториться. После того, как машина завелась, пару раз включалась аварийка (может аккумулятор?). Ссылка на комментарий Поделиться на другие сайты Поделиться
ignis Опубликовано 11 декабря, 2013 Жалоба Поделиться Опубликовано 11 декабря, 2013 Vadik, с дворниками похоже какой-то глюк из разряда "науки о контактах", а датчик дождя находится внизу по центру лобового стекла, активизируется поднятием правого переключателя в первое положение, при этом комп всегда говорит, что включился режим автоматической очистки. По поводу аварийки после заводки, у меня так было на разряженном аккумуляторе - типа индикация низкого заряда. По книжке вроде так и должно быть. Ссылка на комментарий Поделиться на другие сайты Поделиться
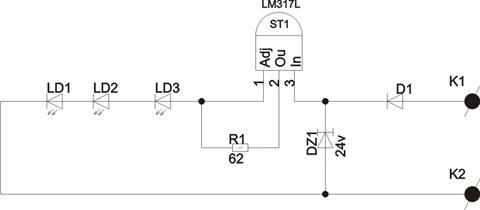
Шпунтик Опубликовано 12 декабря, 2013 Жалоба Поделиться Опубликовано 12 декабря, 2013 (изменено) Я бы подключался к проводу, идущему на центральный контакт лампочки. Нужно найти предельное напряжение питания ленты, может 14.4 В будут в допуске. Или можно напряжение погасить диодами, в зависимости от типа, падение напряжения на слаботочном диоде будет 0.7-0.6 В, на мощном 0.3-0.2 В.По поводу питания светодиодной ленты. Мой путь это простой стабилизатор тока на LM317Вот схема стабилизатора Сопротивление R1 расчитывается или подбирается опытным путем переменным резистором. При этом выставляется нужный ток для светодиодов и тестером измеряется значение сопротивления для нужного тока. Так же в схеме присутствует защита от обратного перенапряжения на супрессоре DZ1, который в принципе можно и не ставить.Если его ставим в цепь питания на плюсу на входе ставим предохранитель.Скорее всего к центральной лампе плафона подключатся не буду, т к. хочу подключить в центральный плафон светодиоды для включения и выключения от вежливой подсветки. Они будут точно не белого света (синие или зеленые) Саму лампу из центрального плафона уберать не буду . Не нравится мне свет от белых светодиодов.От обычный лампы для меня более уютный свет и она будет использоваться для принудительного освещения салона при нажатии маленькой кнопки на плафоне. Електрической схемы освещения салона для 807 2.0 HDI (RHM) 2004 г у меня нет. Насколько я понимаю по принципу работы ламп плафона на его провода при включении зажигания появляется постоянный + и -. При нажатии центральной кнопки на самом плафоне загорается лампа. Если кнопку отжать лампа тухнет. Если мы открываем дверь лампа загорается, если закрываем плавно тухнет. При этом у нас задействован концевик двери и блок вежливой подсветки. Если подключать светодиодную ленту со стабилизатором к минусовому проводу концевика двери и блока вежливой подсветки, нужно делать развязку из диодов? Так же интересует распиновка проводов на центральном разъеме плафона Изменено 12 декабря, 2013 пользователем Шпунтик Ссылка на комментарий Поделиться на другие сайты Поделиться
aleksin.a.v Опубликовано 12 декабря, 2013 Жалоба Поделиться Опубликовано 12 декабря, 2013 Разберите плафон, зарисуйте схему в разных режимах с замером напряжений и станет понятнее, как лучше подключится, может и мы что-нибудь замутим. Ссылка на комментарий Поделиться на другие сайты Поделиться
Шпунтик Опубликовано 12 декабря, 2013 Жалоба Поделиться Опубликовано 12 декабря, 2013 (изменено) Разберите плафон, зарисуйте схему в разных режимах с замером напряжений и станет понятнее, как лучше подключится, может и мы что-нибудь замутим.Может схему из пежо схематик или локальноко сервисбока кто нибуть скинет для наглядности для всех желающий это реализовать. Изменено 12 декабря, 2013 пользователем Шпунтик Ссылка на комментарий Поделиться на другие сайты Поделиться
peogelie Опубликовано 12 декабря, 2013 Жалоба Поделиться Опубликовано 12 декабря, 2013 По поводу питания светодиодной ленты. Мой путь это простой стабилизатор тока на LM317 Вот схема стабилизатора и все-таки это стабилизатор напряжения. А, как известно, СД питается током, а не напряжением. Поэтому СДу достаточно резистора, ограничивающего ток. А в СД ленте таковые уже имеются. Сам сейчас маюсь подобной ерундой. Подключаю напрямую. Посмотрим, у кого дольше проработают Ссылка на комментарий Поделиться на другие сайты Поделиться
Шпунтик Опубликовано 12 декабря, 2013 Жалоба Поделиться Опубликовано 12 декабря, 2013 (изменено) По поводу питания светодиодной ленты. Мой путь это простой стабилизатор тока на LM317 Вот схема стабилизатора и все-таки это стабилизатор напряжения. А, как известно, СД питается током, а не напряжением. Поэтому СДу достаточно резистора, ограничивающего ток. А в СД ленте таковые уже имеются. Сам сейчас маюсь подобной ерундой. Подключаю напрямую. Посмотрим, у кого дольше проработают Это не стабилизатор напряжения, а именно стабилизатор тока. На базе LM ки можно сделать и стабилизатор напряжения (схема подключения другая) Более подробно можно почитать здесьСхема стабилизатора напряжения Вроде в ленте нагрузочные сопротивления расчитаны на напряжение 12 V, а в бортовой сети после включения напряжение доходит до 14.5 V. При увеличении напряжения величина нагрузочного сопротивления остается прежней, а величина тока возрастает, что плохо для светодиодов, а иногда и смертельно (перегарают, маргают). Есть три пути, поменять нагрузочные сопротивления расчитанные на 14.5 V, что на силиконовой ленте не реально, поставить стабилизатор напряжения на 12 V (не совмем айс) лучше на 8 V , и самый правильный путь установить стабилизатор тока Изменено 12 декабря, 2013 пользователем Шпунтик Ссылка на комментарий Поделиться на другие сайты Поделиться
Шпунтик Опубликовано 12 декабря, 2013 Жалоба Поделиться Опубликовано 12 декабря, 2013 Нашел фото плафона с проводами и разъемом на драйве. К ним человек напрямую подключал светодиодную ленту для подсветки ног в режиме вежливой подсветки 1) это плюсовой провод 2) это минусовой провод На практике пока ничего не проверял Ссылка на комментарий Поделиться на другие сайты Поделиться
пыж807 Опубликовано 12 декабря, 2013 Жалоба Поделиться Опубликовано 12 декабря, 2013 ... Болты для защиты, которые втыкаются, со временем от вибрации выщёлкиваются. PEUGEOT / CITROEN 0000703016 КНОПКА их цена примерно 30 руб (RUS) "потайгайка" (калёная) Ссылка на комментарий Поделиться на другие сайты Поделиться
Vlad_407 Опубликовано 13 декабря, 2013 Жалоба Поделиться Опубликовано 13 декабря, 2013 Бобруйский.... Попробуй Инициализировать свои стекла. При вкл зажигании с водительской двери кнопками... не отпуская кнопки открыл.... Поддержал не менее пяти секунд.... Потом точен также закрыл и держишь не менее пяти сек.... И Так пару раз повторить.... Ну и так с каждым стеклом..... Попробуй.... Может проканает.... Кстати... С Люками крыше аналогичная процедура. Попробую.спасибо Ссылка на комментарий Поделиться на другие сайты Поделиться
Vlad_407 Опубликовано 13 декабря, 2013 Жалоба Поделиться Опубликовано 13 декабря, 2013 А у меня уже с покупки машины (вот уже почти два года) стоят синие диоды во всех трех плафонах на центральных лампочках(на каждом плафоне их три).Еще от предыдущего хозяина осталось.Горит,не моргает,не перегорает.Честно сказать в электрике не силен,но то,что подключено напрямую к плафону-так это точно.Плюс синие диоды и вместо стандартного белого/желтого света подсветки дверей Ссылка на комментарий Поделиться на другие сайты Поделиться
aleksin.a.v Опубликовано 13 декабря, 2013 Жалоба Поделиться Опубликовано 13 декабря, 2013 Резак побольше поставили с запасом по принципу не так ярко, но дольше. Ссылка на комментарий Поделиться на другие сайты Поделиться
aleksin.a.v Опубликовано 13 декабря, 2013 Жалоба Поделиться Опубликовано 13 декабря, 2013 Ещё слышал версию, что проблема со стеклоподъёмниками из-за попадания воды на блок кнопок, а в сильный дождь, как ни изгаляйся, а всё равно попадёт. Помогает чистка блока кнопок спиртом. У меня один раз глюканул водительский стеклоподъёмник в сильный влажный туман, так что смысл в этом есть. Ссылка на комментарий Поделиться на другие сайты Поделиться
Vlad_407 Опубликовано 13 декабря, 2013 Жалоба Поделиться Опубликовано 13 декабря, 2013 Ещё слышал версию, что проблема со стеклоподъёмниками из-за попадания воды на блок кнопок, а в сильный дождь, как ни изгаляйся, а всё равно попадёт. Помогает чистка блока кнопок спиртом. У меня один раз глюканул водительский стеклоподъёмник в сильный влажный туман, так что смысл в этом есть.А вот это вполне возможно.как то на мойке шахнули мне водички на дверь водительскую.Спасибо еще раз Ссылка на комментарий Поделиться на другие сайты Поделиться
Шпунтик Опубликовано 16 декабря, 2013 Жалоба Поделиться Опубликовано 16 декабря, 2013 (изменено) А у меня уже с покупки машины (вот уже почти два года) стоят синие диоды во всех трех плафонах на центральных лампочках(на каждом плафоне их три).Еще от предыдущего хозяина осталось.Горит,не моргает,не перегорает.Честно сказать в электрике не силен,но то,что подключено напрямую к плафону-так это точно.Плюс синие диоды и вместо стандартного белого/желтого света подсветки дверейЕсли стоит один или три светодиода с правильно расчитанным нагрузочным сопротивлением то все ОК. Если это светодиодная автомобильная лампа то, вопрос живучести светодиодов зависит от того что в нутри этой лампы. Присутствует ли сталилизатор тока (драйвер) или нет, может дополнительно стоять диод, диод с нагрузочным сопротивлением, или просто подключены светодиоды по типу светодиодной ленты на напряжение 12 V и поетому вопрос живучести светодиодов в этом случае под большим вопросом.Более подробно по подключению светодиодов в авто можно посмотреть тут и часть вторая тут Изменено 16 декабря, 2013 пользователем Шпунтик Ссылка на комментарий Поделиться на другие сайты Поделиться
kabaner Опубликовано 17 декабря, 2013 Жалоба Поделиться Опубликовано 17 декабря, 2013 Выбираю детское автокресло. Подскажите, кресла в пежо 807 c isofix-ом или без него? Ссылка на комментарий Поделиться на другие сайты Поделиться
Модератор Citrin Опубликовано 17 декабря, 2013 Модератор Жалоба Поделиться Опубликовано 17 декабря, 2013 Рукой пошарьте между сидушкой и спинкой. Должны быть скобы. Ссылка на комментарий Поделиться на другие сайты Поделиться
egik Опубликовано 17 декабря, 2013 Жалоба Поделиться Опубликовано 17 декабря, 2013 С приходом холодов появился у меня под консолью "сверчок".... Вначале думал что вентилятор, который нагнетает воздух в двери и т.д. снял прочистил смазал но зверь не ушел.. Внимательно прислушавшись обнаружил что он поселился под консолью... По сему вопрос как добраться до вентилятора под консолью (если таковой имеется :-) )... или может быть есть другие мысли.... (уж очень задушевно поет пока не прогреется.... :-0 ) Ссылка на комментарий Поделиться на другие сайты Поделиться
-Иван- Опубликовано 17 декабря, 2013 Жалоба Поделиться Опубликовано 17 декабря, 2013 уж очень задушевно поет пока не прогреется.... Если вручную уменьшать/увеличивать обороты вентилятора, тональность сверчка меняется? Ссылка на комментарий Поделиться на другие сайты Поделиться
пыж807 Опубликовано 17 декабря, 2013 Жалоба Поделиться Опубликовано 17 декабря, 2013 (изменено) Выбираю детское автокресло. Подскажите, кресла в пежо 807 c isofix-ом или без него? В спину скобы не упирались (рукой не шарил), Но судя по картинкам - - IZOFIX там нет (хото возможно, что зависит от комплектации). Изменено 17 декабря, 2013 пользователем пыж807 Ссылка на комментарий Поделиться на другие сайты Поделиться
Модератор Citrin Опубликовано 17 декабря, 2013 Модератор Жалоба Поделиться Опубликовано 17 декабря, 2013 Моторчик вентилятора датчика температуры в салоне системы климат-контроля. Ссылка на комментарий Поделиться на другие сайты Поделиться
ppaulp Опубликовано 18 декабря, 2013 Жалоба Поделиться Опубликовано 18 декабря, 2013 Скобы есть 100%. Сейчас посветлеет на улице, сфоткаю. Ссылка на комментарий Поделиться на другие сайты Поделиться
ppaulp Опубликовано 18 декабря, 2013 Жалоба Поделиться Опубликовано 18 декабря, 2013 (изменено) Как обещал: Скобы расположены горизонтально (первое фото надо повернуть на 90 градусов по часовой стрелке, просто по другому не удалось сфоткать чтобы было видно). На среднем сидении скоб нет. Изменено 18 декабря, 2013 пользователем ppaulp Ссылка на комментарий Поделиться на другие сайты Поделиться
egik Опубликовано 18 декабря, 2013 Жалоба Поделиться Опубликовано 18 декабря, 2013 При увеличении скорости может вообще пропасть... :-) Ссылка на комментарий Поделиться на другие сайты Поделиться
Рекомендуемые сообщения