Aleksys
Без аутентификации-
Постов
42 -
Зарегистрирован
-
Посещение
Тип контента
Профили
Форумы
События
Статьи
Магазин
Объявления
Блоги
Весь контент Aleksys
-
Всем спасибо за помощь, все разрешилось само собой, пока катался по городу регулировка не работала, но стоило проехать по трассе сотню км. все заработало лучшим образом- ручник затягивается на 4 щелчка до упора (при попытке тронутся на ручнике машина только приседает) тормоза в норме. Так что ничего делать и не пришлось, видно подумала и решила не испытывать судьбу еще одним ремонтом "очумелыми ручками" !
-
Спасибо за напутствие, но где ты на обычном СТО видел стенд для проверки разности усилий тормоза.(это к предыдущему посту) Да нет по ручнику видно что колодки к барабану не подведены, он при затяжке почти вертикально становится... (на барабане канавок нет-сухо и гладко).
-
Еще как может, я метров 20 чуть проехал за остановку из 3 в правый ряд машина через каждые пол метра на *опу приседала! (но это если сзади барабан там накладке деваться некуда).
- 456 ответов
-
- 406
- Peugeot 406
-
(и ещё 2 )
C тегом:
-
Спасибо за помощь, я глянул на фото с бокса и на то что мы собрали и первую секунду окуел-наоборот! Но вроде то.Но че то не работает регулировка, есть предложения просто подкрутить регулировку отверткой (т.е. развести колодки) через отверстие крепления колеса в барабане, или же лучше разобрать заново и попробывать довести до ума. Вот думаю и не знаю что завтра выбрать, СТО пока отметаю, не сделаю-только тогда туда.
-
Если никогда не разбирал- не собирал и есть сомнения, заедь лучше на СТО, это всётаки тормоза, а не "вонючка" в машине. Да никогда не разбирал, но надо же когда-то начинать, а на СТО ехать возможности не было, накладку заклинило намертво (разве эвакуатор) так что ремонт был прямо на дороге, выбора не было, благо возле рынка.
-
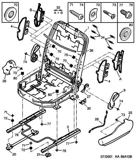
Посмотрел картинку на сервис боксе, вопрос -там как нарисовано так и должно стоять? Т. е. на картинке показана правая сторона (пассажирская)?
-
Я почти снял обшивку, но че-то там слабо понял, система немного мудреная , больше всего пугает наличие подушки безопасности в этом самом сидении! Обшивку содрать не проблема (одеть как было сказано выше уже труднее) но че делать с подушкой, а то частичное снятие обшивки не дает полной картины произошедшего. Спасибо отозвавшимся !
-
Что там думать, разбирай и смотри- у меня неделю назад похоже было- накладку сорвало.
-
В том-то и дело что механизм, ручку ведь и склеить-купить можно...
-
После каких-то манипуляций с регулировкой положения спинки сидения моим пассажиром, это самая регулировка перестала работать (3-х дверка т. е. сидуха туда назад ездит и складывается но по наклону не регулируется, опустилась в лежачем положении и вверх-вниз никак) может кто сталкивался? Спасибо!
-
Ну мы то-же решили что механизм саморегулирушийся, но сегодня днем позвонил друг у которого СТО, говорит ни на одной машине старше 5 лет он толком не работает , а надо всево лишь через отверстие в барабане (куда болты колеса вкручиваются) покрутить колесико механизма (т.е. нажал тормоз- колодки разошлись -колесико покрути, тормоза отпустил) но могли и накосячить . Где бы глянуть картинки по сборке какие-нибудь?
-
Поменял сегодня задние колодки (судьба заставила -отъехал на 20 метров от дома- заклинило правое колесо сорвавшейся накладкой) поменял, но после этого че-то тормоза на которые раньше шнурок было достаточно бросить, схватывают только в самом низу, там првда на брабанах есть регуляторы, но толком не разобрались куда их и как крутить, может кто даст толковую подсказку (поиск ничего не дал (или плохо искал?)). Заранее спасибо!
-
Большое спасибо "beerkut" за помощь, буду искать!
- 231 ответ
-
- 406
- Peugeot 406
-
(и ещё 2 )
C тегом:
-
Неужели меня никто не слышет!!!
- 231 ответ
-
- 406
- Peugeot 406
-
(и ещё 2 )
C тегом:
-
У меня "Пежо-406" 16V,1.8L, 1996г. При холодном запуске двигателя прыгают обороты сразу 1100 потом мгновенно 900 ,800 и сразу глохнет. Сразу же завожу второй раз и всё ОК - 1100 и при погреве 950 при этом обороты уже не плавают. Подскажите в чём дело!
- 231 ответ
-
- 406
- Peugeot 406
-
(и ещё 2 )
C тегом:
-
Что скажете о "elf" - полусинтетик, для бензинки?
-
Занимался боксом 2 года, 1 год как бросил, а так просто бассейн по пятницам, ну а еще 2раза в неделю просто турники на свежем воздухе.Вот так!!!
-
У меня также немного стрекочет! Но если обороты не "плавают" , заводится хорошо, расход бенза не изменяется и т.д. то я бы лишний раз не лазил! Зачем двиглу мешать норм. работать?
-
Идея оригинальная !!! Но мне не нравится сам вид авто обтянутого кожей!!!
-
Мой тел. есть у Dimas , " Будете у нас в Бобгуйске милости пгросим" звони.
-
Буду очэн ждать!!!
-
Спасибо за инфор - цию!!
- 69 ответов
-
- 406
- Peugeot 406
-
(и ещё 2 )
C тегом:
-
Нет у меня всё ОК (обороты держит , гуд заводиться и т.д.)! Только в двигле цокает на СТО сказали, что Форсунки.
- 69 ответов
-
- 406
- Peugeot 406
-
(и ещё 2 )
C тегом:
-
Из перечисленных факторов нечего не наблюдаю.
- 69 ответов
-
- 406
- Peugeot 406
-
(и ещё 2 )
C тегом:
