Димыч. Опубликовано 9 марта, 2021 Жалоба Поделиться Опубликовано 9 марта, 2021 08.03.2021 в 11:58, Lexa_806 сказал: с ЭБУ не выходит импульс на катушку, вопрос в том из-за чего мог накрылся блок управления, если до этого ездила и было все нормально Импульсы и питание катушки это разные вещи. Очень похоже на не рабочую контактную группу замка или может коротнул что и сжёг предохранитель. Мало ли, может технику безопасности (снятие клеммы с АКБ) нарушил... Ссылка на комментарий Поделиться на другие сайты Поделиться
патроль Опубликовано 9 марта, 2021 Жалоба Поделиться Опубликовано 9 марта, 2021 2 часа назад, Lexa_806 сказал: На 3 пине на катушке нет напряжения вообще, где находится многофункциональное реле? Часто рядом с этим блоком. Ты уж найди его сначала, а потом будеш с ЭБУ разбираться. Может с замком напутал? Насос в баке включается? Ссылка на комментарий Поделиться на другие сайты Поделиться
Lexa_806 Опубликовано 10 марта, 2021 Жалоба Поделиться Опубликовано 10 марта, 2021 С замком все нормально, подключал все как на старом замке, насос работает, датчики все работают, нет искры Ссылка на комментарий Поделиться на другие сайты Поделиться
Димыч. Опубликовано 10 марта, 2021 Жалоба Поделиться Опубликовано 10 марта, 2021 08.03.2021 в 13:50, патроль сказал: Начни с проверки наличия напряжения 12В на 3 пине катушки, при включенном зажигании. 3 и 4 пинах. Может схема помогла бы автору вопроса? Ссылка на комментарий Поделиться на другие сайты Поделиться
Димыч. Опубликовано 10 марта, 2021 Жалоба Поделиться Опубликовано 10 марта, 2021 Я тут нашёл какую-то схемку, если судить по ней, питание катушки и ЭБУ осуществляется от одного реле и отсутствие напряжения на пине 4 (ну или 3, если эта схема не верна) это дефект в проводке или в разъёме. Ссылка на комментарий Поделиться на другие сайты Поделиться
Димыч. Опубликовано 10 марта, 2021 Жалоба Поделиться Опубликовано 10 марта, 2021 Проверка наличия +12в на фишке любой из форсунок подтвердит исправность/неисправность реле. Форсунки одним пином так же, как и катушка, на плюс подключены. Ссылка на комментарий Поделиться на другие сайты Поделиться
патроль Опубликовано 10 марта, 2021 Жалоба Поделиться Опубликовано 10 марта, 2021 Насос тоже. Может прав электрик. Вот схема; 806.pdf Ссылка на комментарий Поделиться на другие сайты Поделиться
Димыч. Опубликовано 10 марта, 2021 Жалоба Поделиться Опубликовано 10 марта, 2021 О, тут иначе сделано. Насос и катушка запитываются от одной группы контактов реле. Насос работает, но при этом где + на катушке потерялся? Проверяем провод 1226, при этом надо помнить, что напряжение там будет только пару секунд после включения зажигания. Ссылка на комментарий Поделиться на другие сайты Поделиться
патроль Опубликовано 10 марта, 2021 Жалоба Поделиться Опубликовано 10 марта, 2021 Это я забыл подсказать, но кто ремонтирует сам, принцип работы должен знать. И опять же, хвала контрольке. Ссылка на комментарий Поделиться на другие сайты Поделиться
Biruk1 Опубликовано 12 марта, 2021 Жалоба Поделиться Опубликовано 12 марта, 2021 Добрый день. Нужна помощь в подключении китайского дистанционного центрального замка. В машине под бардачком установлены два блока киеркет (белая и черная фишки) и техтон (коричневая и серая фишки). При отключении фишек от блока киекерт от ключа привода замков работают. Электросхемы на авто с такими блоками не нашел. Примеров установки тоже. Подскажите на какие пины и какой фишки подключить выводы на управление ЦЗ. Ссылка на комментарий Поделиться на другие сайты Поделиться
патроль Опубликовано 13 марта, 2021 Жалоба Поделиться Опубликовано 13 марта, 2021 Простор для личного творчества. Китайцы всегда дают схему подключения и описание функционала. Ты хочешь, что бы кто то с этим разобрался? Блоки с названиями киеркет и техтон ни о чем не говорят. Это название фирмы производителя. Гугли по номерам и найдешь их назначение. Загружаю схему ц.з. Проверь твоя или нет. Есть более простой вариант.Ц.З.806.pdfУдачи. Ссылка на комментарий Поделиться на другие сайты Поделиться
Lexa_806 Опубликовано 26 марта, 2021 Жалоба Поделиться Опубликовано 26 марта, 2021 Может есть схема или распиновка этого блока Ссылка на комментарий Поделиться на другие сайты Поделиться
патроль Опубликовано 26 марта, 2021 Жалоба Поделиться Опубликовано 26 марта, 2021 Загадка для ясновидящих? Модель твоего телефона видна, а названия блока нет. Если не знаешь как обозвать, гугли по номеру. Димыч. 1 Ссылка на комментарий Поделиться на другие сайты Поделиться
Lexa_806 Опубликовано 26 марта, 2021 Жалоба Поделиться Опубликовано 26 марта, 2021 Гуглил, не могу найти Ссылка на комментарий Поделиться на другие сайты Поделиться
патроль Опубликовано 26 марта, 2021 Жалоба Поделиться Опубликовано 26 марта, 2021 Похоже твоя распиновка;806.М.Р5.2.pdf Ссылка на комментарий Поделиться на другие сайты Поделиться
Lexa_806 Опубликовано 27 марта, 2021 Жалоба Поделиться Опубликовано 27 марта, 2021 (изменено) Короче, достал я это многофункциональное реле, были окислены несколько контактов, я почистил, и начал проверять питание на катушку и форсунки, вот только не могу понять, по схеме на фишках на форсунки и катушку 3 пин должен быть плюс, питание есть, но только если минус мультиметра кинул на 3 пин фишки катушки, а плюс на плюс аккума, только тогда показывает 12+ в. При выключенном и включенном зажигании ничего не меняется... Подскажите что я не правильно делаю? Изменено 27 марта, 2021 пользователем Lexa_806 Ссылка на комментарий Поделиться на другие сайты Поделиться
патроль Опубликовано 27 марта, 2021 Жалоба Поделиться Опубликовано 27 марта, 2021 1 час назад, Lexa_806 сказал: 3 пин должен быть плюс По схеме, 4 пин постоянный плюс при работающем двигателе и крутке стартером, при включении зажигания появляется на пару секунд. 1 и 2 пины, управление минусом от ЭБУ,прерывистое в момент подачи искры попарно на 1,3 и 2,4 цилиндры. 3 пин идет на массу через конденсатор и соединен с общим выводом обеих катушек как и 4 пин. Потому многие катушки трехпиновые. При измерении по твоей версии тестер не должен показывать напряжение. Или покажет если нет напряжения со стороны реле но присутствует постоянный минус. Сними разъем с катушки, мультик в 4 пин и на корпус или минус аккумулятора и пощелкай замком зажигания, насос должен шумнуть и в это же время должно появиться напряжение. Ссылка на комментарий Поделиться на другие сайты Поделиться
Lexa_806 Опубликовано 29 марта, 2021 Жалоба Поделиться Опубликовано 29 марта, 2021 Пробовал мультик в 4 пин с разъема катушки зажигания, счелкал замком зажигания, ничего не показывает.... Ссылка на комментарий Поделиться на другие сайты Поделиться
патроль Опубликовано 29 марта, 2021 Жалоба Поделиться Опубликовано 29 марта, 2021 А на 1 реле появляется? Насос включается? Если да прокинь провод. Крышку реле открой, пощелкай зажиганием и посмотри. Ссылка на комментарий Поделиться на другие сайты Поделиться
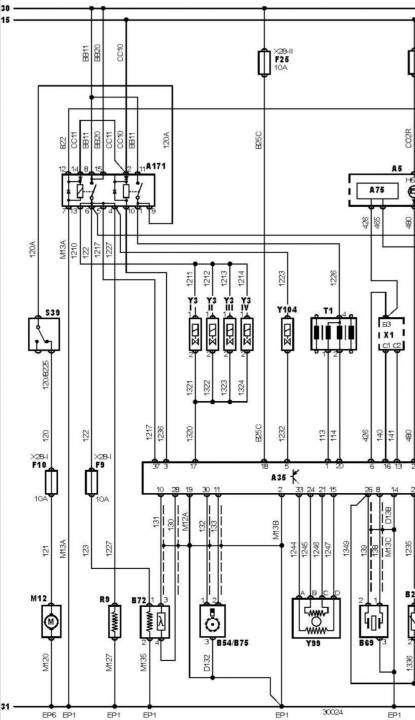
Lexa_806 Опубликовано 30 марта, 2021 Жалоба Поделиться Опубликовано 30 марта, 2021 Насос включается, с реле не понял я, но прочитал в мануале, что при включении зажигания должно быть номинальное напряжение от аккумулятора на 35 пине, а его там нет, с чем это может быть связано? Вот схема Ссылка на комментарий Поделиться на другие сайты Поделиться
патроль Опубликовано 30 марта, 2021 Жалоба Поделиться Опубликовано 30 марта, 2021 Надо определяться со схемой. Если ты уверен что, последняя твоя, тогда разбирайся по ней. Чтобы это реле включилось, ему нужен минус на 4 пине эбу. Ссылка на комментарий Поделиться на другие сайты Поделиться
Lexa_806 Опубликовано 30 марта, 2021 Жалоба Поделиться Опубликовано 30 марта, 2021 Я понимаю, но на 4 пин присоединяется к + аккумулятора через реле впрыска топлива, как там должен оказаться минус незнаю, на 4 приходит +, я проверял, а вот с 35 не сходится Ссылка на комментарий Поделиться на другие сайты Поделиться
патроль Опубликовано 30 марта, 2021 Жалоба Поделиться Опубликовано 30 марта, 2021 Повторяю; убедись что это именно твоя схема. Тогда я загружу тебе ее полностью. Сейчас мы говорим на разных языках. Для этого проверь прозвонкой соответствие по факту подключений хотя бы к реле. Схем по 806 найти трудно. Но известно что она выполнена на базе 406. То, что на твоем скрине, устанавливалась на двигателях 1.6 и 1.8. Не спорю, возможно и на твоем. Ссылка на комментарий Поделиться на другие сайты Поделиться
Lexa_806 Опубликовано 31 марта, 2021 Жалоба Поделиться Опубликовано 31 марта, 2021 Схема моя, скинь ее полностью если она у тебя есть... Ссылка на комментарий Поделиться на другие сайты Поделиться
патроль Опубликовано 31 марта, 2021 Жалоба Поделиться Опубликовано 31 марта, 2021 Держи и разбирайся; Схема ММ.pdf и распиновка ЭБУРаспиновка ЭБУ ММ.pdf Ссылка на комментарий Поделиться на другие сайты Поделиться
Lexa_806 Опубликовано 20 апреля, 2021 Жалоба Поделиться Опубликовано 20 апреля, 2021 Проблему решил, слетел имобилайзер, удалил его и машина завелась Ссылка на комментарий Поделиться на другие сайты Поделиться
Рекомендуемые сообщения