Kruz
Без аутентификации-
Постов
184 -
Зарегистрирован
-
Посещение
Тип контента
Профили
Форумы
События
Статьи
Магазин
Объявления
Блоги
Весь контент Kruz
-
Подскажите, возможно-ли как-то отрегулировать угол наклона переднего сиденья на пежо 406. Отсутствует ручка, которой изменяется угол. на аналогичной модели 406-й ручка регулировки имеется.
- 334 ответа
-
- 406
- Peugeot 406
-
(и ещё 2 )
C тегом:
-
Добрый день, Владимир!Требуется ваша помощь. Пежо 406 2004г. Иногда наблюдается самопроизвольное включение/отключение света (начинает моргать лампа ближнего света). Если пошевелить часть, отвечающую за включение света - свет начинает работать. Подскажите в чем дело и какова стоимость ремонта, и соответственно когда можно подъехать. тел. 8-029-351-86-85 Женя
-
Контактор сцепения позволяет компьютеру системы впрыска обеспечивать принудительный холостой ход с отключением впрыскарешил свою проблему. в итоге на датчике педали газа терялся минус...минус взяли от расходомера воздуха. когда пробовали твой вариант минус брали из мозгов, а на выходе он частично терялся..
- 237 ответов
-
- 406
- Peugeot 406
- (и ещё 3 )
-
Проблема в том, что MAF мешает работе TPS. Решение проблемы я описывал. Если много денег, можете поменять TPS, но это ничего не изменит.может ещё есть идеи? когда обороты начинают плавать - датчик стабильно показывает 3%. скорее всего дело не в нем. тогда в чем? куда копать?ещё вопрос.. для чего нужен концевик на сцеплении? для каких целей передается сигнао о нажатии на педаль?
- 237 ответов
-
- 406
- Peugeot 406
- (и ещё 3 )
-
Официальное решение от PSA так и не было мною найдено, что скорее всего говорит о его отсутствии как такового. Проблему решил по уму. Провел отдельный провод 8094 от pin4 TPS до pin22 ECU (старый обрезал и заизолировал), Провел отдельный провод 8094 от pin3 MAF до точки массы АКБ M000 (старый обрезал и заизолировал). Теперь pin3 MAF не соединен с pin22 ECU. Проблема решена. Ошибки P0220 больше нет, холостой ход восстановился. Теперь положение педали 0,39%.попробовали твой метод - не помогает. обороты все-равно плавают. заметили что когда плавают обороты на холостых датчик педали показывает все время 3%. может дело не в нем? и почему концевики на тормозе и сцеплении заставляют упасть обороты?
-
Если это на холостых, то режь и ложи проводку как я. У меня было 2%. Сейчас езжу как нормальный человек с 0,39%.да это на холостых.. получается проблема в датчике педали газа? а почему не замена датчика?а может есть какая калибровка педали газа? может она поможет?
- 237 ответов
-
- 406
- Peugeot 406
- (и ещё 3 )
-
Скорее всего глючит датчик положения пелали газа. Читай в соответствующей теме как я решил эту проблему. Диагностика ошибок может не показать, нужно смотреть процент нажатия педали на заведенной.показывает 3% нажатия при оборотах 1000. или нужно именно смотреть процент в моменткогда повышаются?
- 237 ответов
-
- 406
- Peugeot 406
- (и ещё 3 )
-
может кто-то разобрался с проблемой, когда при движении на нейтралке повышаются обороты, а при нажатии на тормоз падают? Диагностика ошибок не показывает.
- 237 ответов
-
- 406
- Peugeot 406
- (и ещё 3 )
-
всем привет! 406 hdi 110 коней 1999г. 2 вентиляторапроблема с включением вентилятора...включаю климу - начинает моргать "stop" и вентилятор не крутит. стоит пальцем провернуть немного - схватывает и начинает крутить... на что грешить? щетки или ещё что?
- 1 869 ответов
-
- 406 термостат
- 406 датчики температуры
- (и ещё 5 )
-
На проспекте Независимости возле главпочты встретились с Princess.
-
Имеется 2 вентилятора (406 99г. 2.0 hdi). иногда при включении кондея начинает моргать STOP, а вентилятор не крутит. но если немного сдвинуть его - начинает крутить нормально. собственно вопрос: это щетки? или.. ездил как-то к электрику - он сказал что там больное место и ржавеет гнездо вентилятора (нужна замена). на сколько правдивы слова электрика?
- 1 550 ответов
-
- 406 вентиляторы охлаждения
- пежо 406
-
(и ещё 2 )
C тегом:
-
Был на диагностике Common Rail Servise, на это цоканье мастер сказал что нужно регулировать форсунки(как и упомянул Евгеник). Ничего опасного, но если есть возможность, то лучше сделать. Был там пару месяцев назад. стоимость была где-то 20-25$ за форсунку.
- 360 ответов
-
- 406 форсунки hdi
- пежо 406
-
(и ещё 2 )
C тегом:
-
Огромное спасибо kaval_26 за огромную помощь! Случилось так что стою я весь заснеженный и без топлива, а откуда невозмись появляется он! Спасибо ему за энное количество топлива и спасибо Раптору (это было его топливо)! Пропал бы если б не соклубни
-
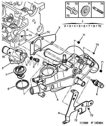
Citrin, глянь по вину VF38ERHZE80709767 какие у меня температурные датчики двигателя есть? Видел синий датчик в кожухе термостата. Рядом вроде других не было. Подозрение на датчик, от которого определяется температура ОЖ для последующего включения или не включения свечей накала. Синий датчик - трехкрнтактный. Если снять фишку с синего датчика то при включении зажигания загорается лампа свечей накала и включается вентилятор. И как правильно померять сопротивление датчика: на самом датчике или есть отдельный разъем? т.к. в теме http://peugeot-club.by/board/index.php?/topic/8757-datchik-temperaturi-dvigatelja/ в 6-м посте на скрине есть разъем, где указаны как мерять. Что это за разъем?
- 1 869 ответов
-
- 406 термостат
- 406 датчики температуры
- (и ещё 5 )
-
Так как на самомо деле? Каким датчиком меряется температура ОЖ для включения свечей? Датчик №9, что на схеме выше?
- 542 ответа
-
- 406
- Peugeot 406
- (и ещё 4 )
-
- 542 ответа
-
- 406
- Peugeot 406
- (и ещё 4 )
