alex.blr
Без аутентификации-
Постов
31 -
Зарегистрирован
-
Посещение
Тип контента
Профили
Форумы
События
Статьи
Магазин
Объявления
Блоги
Весь контент alex.blr
-
Подскажите по ошибке( на картинке вторая). Информация по ней отсутствует, кода тоже нет. Появляется в момент снятия криз контроля с паузы. на дисплее загорается антиполюшн.Авто пежо 307, 2.0 шди, RHY, сименс. Заранее спасибо
-
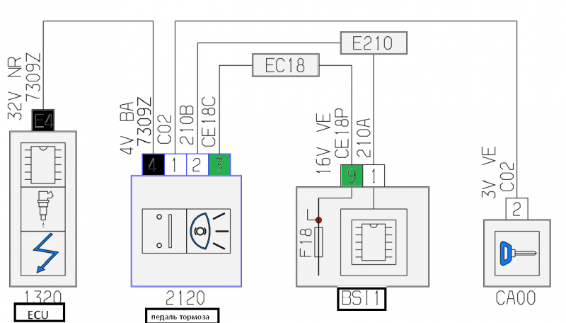
Черным и зеленым отмечены два недостающих провода. Зеленый можно срастить с постоянным "+" концевика педали сцепления( в не нажатом положении контакт замкнут). Черный провод нужно протянуть в моторник, к черному 32-х контактному разьему, в гнездо Е4. Порядковый номер этих двух проводов на педали тормоза значения не имеет, главное чтоб контакт в не нажатом положении был замкнут.P.S На своем моторе подключил по такой схеме. Все работает.
- 279 ответов
-
- 307
- 307 круиз-контроль
- (и ещё 2 )
-
Сегодня занимался установкой и активацией круиза на своем льве (2.0 hdi RHY,SIemens, дорест.). Как оказалось у меня отсутствовал один разъем на педали тормоза. Пришлось протягивать недостоющие два провода согласно эл. схемам. затем активировал здесь http://s018.radikal....26e53eb8c45.png и здесь http://s020.radikal.ru/i722/1310/81/8360605112f4.png но круиз так и не заработал. В чем может быть причина??
- 279 ответов
-
- 307
- 307 круиз-контроль
- (и ещё 2 )
-
Появилось желание установить на свой Peugeot 307 круиз контроль,но обнаружил, что на педали тормоза только один концевик с двумя проводами (разъем на 4 контакта).Как быть? Что делать? Можно ли как-то протянуть недостающие провода????P.S Концевик на педали сцепления присутствует. Педаль газа электронная.
- 716 ответов
-
- 406 круиз-контроль
- пежо 406
-
(и ещё 2 )
C тегом:
-
Комплект новый брал? Может при установке лепестки корзины погнули или втулка\вилка направляющая изношенаКомплект брал новый,Luk. Вилка и втулка тоже менялись. Менял сам, так что по идее ничего погнуть не должен был. Колбасит в основном только на холодном моторе, если трогаешься без добавления оборотов. На сцепе, которая приехала вместе с авто из-за бугра, такого не замечал. Уже даже как-то смирился с этим. Есть люфт в подшипнике первичного вала, может он как-то может влиять на вибрацию????P.S Все три опоры двигателя менялись и сейчас визуально выглядят целыми.
-
У меня с одномассовым колбасит. Сцепа стоит новая
-
Ох уж эти девочки . Если спецы сказали, что с подвеской все ок., то смотрите места крепления передних подкрылков к бамперу. Так же возможно рычаг соприкасается с подкрылком. Это первое, что мне пришло в голову.
-
У меня тоже было сломано заднее крепление воздуховода. Сделал самодельное, из алюминевой пластины.Патрубки на стыках тоже постоянно рассоединялись. Надел два хомута и стянул их между собой проволокой.Сейчас ничего не болтается и не рассоединяется. Масло в воздуховоде тоже присутствует, считаю, так и должно быть.
-
включение света нужно "обучить". Нажимаете и удерживаете кнопку включения света, и включаете зажигание. Я вроде бы так делал
-
врядли. Он же не трудно снимается, зато потом удобней будет.
- 569 ответов
-
- климат
- кондиционер
-
(и ещё 2 )
C тегом:
-
снимай бампер, потом снимай телевизор. патрубки от основного радиатора можешь не отсоединять. без радиатора ездить можно, только трубки чем нибудь заткни, чтобы грязь туда не попала.
- 569 ответов
-
- климат
- кондиционер
-
(и ещё 2 )
C тегом:
-
возможно и подойдут, но у меня не получилось его разобрать.
-
сверлить нужно винт, которым крепится замок. Он с виду как обычный винт только шляпка круглая( чтоб злые руки туда не лазили). по центру шляпки сверлится тонким сверлом отверстие, потом в него забивается "звездочка" и винт выворачивается. Далее необходимо вынуть небольшой стопорный пальчик. Ключ в первое положение и замок в рукахключ туго поворачивается из-за выработки фишек самой личинки. Можно попробывать переставить их местами( они пронумерованы), либо поменять местами с фишками крышки топливного бака
-
Товарищи, подскажите пожалуйста номер внутреннего пыльника правой полуоси. Размеры старого приблизительно таковы -26*76*108. На экзисте ничего подобного найти не могу. пежо 307 2.0HDI, DW10TD, BE4R.
- 131 ответ
-
- неведомый гул
- подвесной
- (и ещё 4 )
-
У меня в гараже валяются где-то аммо от рафа . Потеплеет надо будет попробывать поставить.
- 52 ответа
-
- аммо
- амортизатор
-
(и ещё 1 )
C тегом:
-
Авто с котом техосмотр пройдет?
-
- 51 ответ
-
- защита радиатора
- радиатор
-
(и ещё 1 )
C тегом:
-
фото можешь выложить??? если не сложно!завтра постараюсь сделать фотки. Установка большого труда не составляет. Все подключается к штатным разьемам, правда придется прорезать отвестия в крышке фары, чтоб протянуть провода от блока розжига.спасибо,ждёмс фото)
- 114 ответа
-
- линза
- блок розжига
-
(и ещё 1 )
C тегом:
-
фото можешь выложить??? если не сложно!завтра постараюсь сделать фотки. Установка большого труда не составляет. Все подключается к штатным разьемам, правда придется прорезать отвестия в крышке фары, чтоб протянуть провода от блока розжига.
- 114 ответа
-
- линза
- блок розжига
-
(и ещё 1 )
C тегом:
-
Регулировок никаких не проводил. корректор накручен в самый верх ( опускаю только с пасажирами либо с грузом).
- 114 ответа
-
- линза
- блок розжига
-
(и ещё 1 )
C тегом:
-
Я езжу с "колхозным" ксеноном 6000К уже три года. Установил по причине частого перегорания ламп накаливания. Свет однозначно лучше чем у обычных ламп. Встречку вроде не слепят, по крайней мере никто не моргает.
- 114 ответа
-
- линза
- блок розжига
-
(и ещё 1 )
C тегом:
-
Kruiz, а какой посоветуете саб? такой чтоб не сильно бухало. может проще и дешевле взять голову и изготовить под нее ящик?
-
Добрый день. Помогите советом! Вот присмотрел себе такие вещи: фронт-HERTZ HV 165.4 L и Hertz ЕТ 20.4, тыл - саб Blaupunkt GTt 1200 (стоит ли с ним связываться?), усь - Blaupunkt GTA 475. Два канала думаю пустить на фронт, а два на саб. Как правильно подключить пищалки??? покупать еще кроссоверы??? Голова стоит Alpine IDA x301. Авто пежо 307 хетч. Подиумы сделаны.Шумка и вибра в планах.
