Перейти к содержанию

Пежо 806. Дизель, свечи накала.


Рекомендуемые сообщения

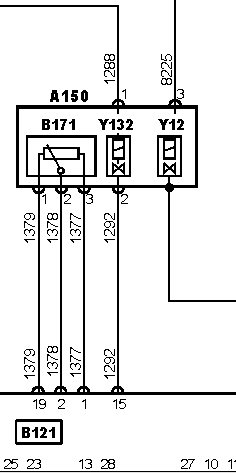
Вот, предположительно, схема твоего насоса: Y132 соленоид который изменяет подачу и управляется от ЭБУ. Попытайся определиться со схемой и маркой насоса. Бирка на насосе должна быть. Но лучше, пока не освоил и тебя напрягают обороты, обратись к спецам. Они посмотрят что у тебя за насос и найдут все настройки. Какой смысл гадать, только бошевских насосов несколько разновидностей.1.9.PNG

Ссылка на комментарий
Поделиться на другие сайты

  • 2 недели спустя...
8 часов назад, LEXA-696 сказал:

Подскажите, что это за соленоид и за что он отвечает? Если снять фишку немного падают обороты.

1....jpg

клапан вакумный,подключен к егр уу меня в 2.1тд,похож по крайней мере.отключен совсем у меня он))

Ссылка на комментарий
Поделиться на другие сайты

В 31.01.2017 в 11:37, LEXA-696 сказал:

А чем должны регулироваться прогревочные обороты на насосе с тросиком, или их там просто нет?

фотка с 605-го но суть та же,регулируется температурой антифриза

760211_2591519326.jpg

Изменено пользователем genka.806
Ссылка на комментарий
Поделиться на другие сайты

У меня такой приблуды нету (я нигде не нашел).

У меня со стороны двигателя на насосе есть какая то диафрагма, но кней нет никаких разъемов, проводов и тросиков и тд.

На насосе кроме тросика газа и трех проводов ничего нету, обороты на холодную 900, при полном нагреве 1100.

Может у кого нибудь есть схема управления двигателем (где находятся все датчики, соленоиды и т.д.) Заранее спасибо.

Ссылка на комментарий
Поделиться на другие сайты

5 часов назад, LEXA-696 сказал:

А его можно самостоятельно регулировать по конструкции видно, что его можно крутить или только к специалисту? 

А что ты хочешь крутить?

Ссылка на комментарий
Поделиться на другие сайты

  • 2 месяца спустя...

С оборотами разобрался не был подключен вакуум.

Проблема в следующем на холодном и прогретом двигателе после заводки напряжение на свечи накала подается еще минуты три.

Прогревочные обороты на прогретом двигателе не поднимаются, а вот свечи всегда горят минуты три, что может быть реле или еще что нибудь?

 

Ссылка на комментарий
Поделиться на другие сайты

  • Димыч. изменил название на Пежо 806. Дизель, свечи накала.
×
×
  • Создать...