ВLадимир Опубликовано 21 декабря, 2016 Жалоба Поделиться Опубликовано 21 декабря, 2016 В 20.12.2016 в 11:55, tvandrey2006 сказал: Я смотрю активности 0, ну да ладно может кто что напишет?! Заехал на СТО ближайшее, считывали не Lexia, да и спец ничего толкового не сказал му да му. Ошибки которые считали: 04 Терсодатчик трансмисионного масла нарушение функции 06 регулировка давления модуляции нарушение функции 20 CAN - сообщение от блока управления двигателем: крутящий момент 1 - отсутствие 21 CAN - сообщение от блока управления двигателем: крутящий момент 1 - отсутствие 22 CAN - сообщение от блока управления двигателем: крутящий момент 1 - отсутствие 25 CAN - данные сигнал оборотов двигателя - отсутствие 33 Связь с блоком управления ABS нарушение функции 70 Преобразователь крутящего момента нарушение функции 87 СAN - сообщение скорости - отсутствие 91 Входное число оборотов коробки передач нарушение функции Все сложней и сложней стало трогаться, после того как машина постоит ночь, задняя уже тоже еле тянет. Поменял 2 соленоида, не помогло. Но самое интересное что после стоянки как погазуешь до 3000 выскакивает ошибка и появляются передачи, машина едет и вперед и назад , но периодически и всё чаще при переходе на 3-ю вываливается в аварийный режим, после перезапуска всё хорошо. На 4-й всё отлично. Но после долгой стоянки все повторяется. Я так полагаю, что надо снимать коробку, и смотреть фрикционы (масло горелым не пахнет, но быстро чернеет). Могут ли быть проблемы с гидротрансформатором? Может есть толковые советы? К сожалению я так глубоко пока что не изучил((( так бы подсказал. А так я понимаю чет либо с датчиками или проводкой Ссылка на комментарий Поделиться на другие сайты Поделиться
ТотСамыйПарень Опубликовано 9 января, 2017 Жалоба Поделиться Опубликовано 9 января, 2017 (изменено) В 27.04.2015 в 17:47, sokolex сказал: Здравствуйте, подскажите кто-нибудь менял сальник привода акпп на пыже 307 1.6 Al4, течет зараза, в сервис везти или самому залезть поменять?? Там ничего сложного. Если имеете хоть какое-то представление, думаю, сможете и сами. (Ну это не рекомендация к действию, если сомневаетесь, то лучше предоставить это специалисту. ) Уделите внимание к вопросу слива-залива масла в AL4. Удачи А ВLадимиру я бы порекомендовал для начала разобраться с электрической составляющей. Потом, возможно, и в механике проблем не окажется по факту. Все указывает на это. Изменено 9 января, 2017 пользователем ТотСамыйПарень Ссылка на комментарий Поделиться на другие сайты Поделиться
ВLадимир Опубликовано 10 января, 2017 Жалоба Поделиться Опубликовано 10 января, 2017 14 часов назад, ТотСамыйПарень сказал: А ВLадимиру я бы порекомендовал для начала разобраться с электрической составляющей. Потом, возможно, и в механике проблем не окажется по факту. Все указывает на это. а можно подробнее о рекомендациях? Ссылка на комментарий Поделиться на другие сайты Поделиться
ТотСамыйПарень Опубликовано 11 января, 2017 Жалоба Поделиться Опубликовано 11 января, 2017 Для начала я бы подтер все ошибки. И после начала неадекватного поведения коробки считал что там вылезло именно в этот момент, да и параметры посмотреть не плохо бы. Ссылка на комментарий Поделиться на другие сайты Поделиться
ВLадимир Опубликовано 11 января, 2017 Жалоба Поделиться Опубликовано 11 января, 2017 6 часов назад, ТотСамыйПарень сказал: Для начала я бы подтер все ошибки. И после начала неадекватного поведения коробки считал что там вылезло именно в этот момент, да и параметры посмотреть не плохо бы. Да работает она адекватно, В редких случаях впадает в аварию (при прогреве) очень редко, переключается отлично. А из ошибок выскакивают по двум клапанамошибка №71 "устранимая ошибка. электромагнитный клапан блокировки гидротрансформатора (EVLU).короткое замыкание на ВлплюсВы".№76 "устранимая ошибка. ошибка электромагнитного клапана модуляции давления (EVM).короткое замыкание на ВлплюсВы". Помнишь, я их то менял Появляются только по раздельности - узнаю что появились случайно сканируя чтобы убрать чек. Ссылка на комментарий Поделиться на другие сайты Поделиться
ТотСамыйПарень Опубликовано 22 января, 2017 Жалоба Поделиться Опубликовано 22 января, 2017 уверен, что косу проводки на клапана не пережал? Ту, которая рядом с гидроблоком идет, с фишками на все клапана. Может передавил. когда собирал коробку? Ссылка на комментарий Поделиться на другие сайты Поделиться
ВLадимир Опубликовано 23 января, 2017 Жалоба Поделиться Опубликовано 23 января, 2017 (изменено) 11 часов назад, ТотСамыйПарень сказал: уверен, что косу проводки на клапана не пережал? Ту, которая рядом с гидроблоком идет, с фишками на все клапана. Может передавил. когда собирал коробку? Уверен на все 100%. Перепроверял перед сборкой сто раз, учитывая что его можно передавить - первый раз же. Да и в работе коробки хоть как-то бы отражалась, а так работает хорошо - без нареканий. Изменено 23 января, 2017 пользователем ВLадимир Ссылка на комментарий Поделиться на другие сайты Поделиться
sanya76 Опубликовано 27 января, 2017 Жалоба Поделиться Опубликовано 27 января, 2017 Приветствую всех! Не прошло и 3-х месяцев опять проблема с al4. В течении дня заметил, что когда останавливаюсь на светофоре, рычаг в положении D, авто удерживается тормозом, слышны некие подталкивания, подергивания совсем не сильные похожи на первый взгляд на вибрации, перевожу рычаг в N все сразу нормализуется, работает гладко, при движении все гладко было, а вечером коробка стала буксовать. Течи масла обильной не наблюдаю, пару капель за ночь маленьких под авто. Утром завел и еле тронулся буксует ехать не хочет. на ходу иногда когда отпускаешь педаль газа нет наката как будто передачей подтормаживает но не всегда. Первым делом думал может уровень масла снизился проверить возможности не было, решил так как оно немного все таки покапывает долить поллитра , если думаю улучшится ситуация , то поеду в бокс и отрегулирую уровень. На первый взгляд показалось улучшение, но это только на холодную буквально пару километров и если остановится тронутся невозможно, перезапускаю двигатель тихонько трогаюсь ну очень аккуратно чуть поддаш газу буксует коробка. при чем при включении задней передачи все намного увереннее почти не буксует, точнее на холодную вообще не буксует. Настораживает то что все случилось очень резко за тот день когда все случилось проехал может 50 км не более. При чем около 3-х месяцев назад менял клапана модуляции 2 шт., промывал гидроблок, довел масло до уровня как положено, сделал телезагрузку у официалов после этого, при помощи подсказок опытных форумчан за что им спасибо огромное. все 3 месяца полет был нормальный ничего непредвещало беды. Подскажите кто сталкивался с похожей проблемой. с чем это может быть связано. Ссылка на комментарий Поделиться на другие сайты Поделиться
sanya76 Опубликовано 27 января, 2017 Жалоба Поделиться Опубликовано 27 января, 2017 В 12.01.2017 в 00:25, ВLадимир сказал: Да работает она адекватно, В редких случаях впадает в аварию (при прогреве) очень редко, переключается отлично. А из ошибок выскакивают по двум клапанамошибка №71 "устранимая ошибка. электромагнитный клапан блокировки гидротрансформатора (EVLU).короткое замыкание на ВлплюсВы".№76 "устранимая ошибка. ошибка электромагнитного клапана модуляции давления (EVM).короткое замыкание на ВлплюсВы". Помнишь, я их то менял Появляются только по раздельности - узнаю что появились случайно сканируя чтобы убрать чек. Владимир может Вам попробовать сделать телезагрузку АКПП что бы адаптировать клапана, может быть тот кто менял их до Вас, судя потому что у Вас стояли нового образца, не делал этого, потому что у меня 2002г.в. стояли с белыми фишками т.е. старого образца и при замене , я действительно ничего не почуствовал никакого дискомфорта все работало как должно быть , единственное при прогреве загорались зима и спорт иногда очень редко, после перезапуска все ок. Но я все равно сделал у официалов перепрошивку заодно и счетчик старения масла обнулили и больше не загорались, но я не тестил эти ошибки, по какой ошибке они загорались не знаю. Ссылка на комментарий Поделиться на другие сайты Поделиться
ТотСамыйПарень Опубликовано 27 января, 2017 Жалоба Поделиться Опубликовано 27 января, 2017 Гидроблок Ссылка на комментарий Поделиться на другие сайты Поделиться
ВLадимир Опубликовано 27 января, 2017 Жалоба Поделиться Опубликовано 27 января, 2017 4 часа назад, sanya76 сказал: Владимир может Вам попробовать сделать телезагрузку АКПП что бы адаптировать клапана, может быть тот кто менял их до Вас, судя потому что у Вас стояли нового образца, не делал этого, потому что у меня 2002г.в. стояли с белыми фишками т.е. старого образца и при замене , я действительно ничего не почуствовал никакого дискомфорта все работало как должно быть , единственное при прогреве загорались зима и спорт иногда очень редко, после перезапуска все ок. Но я все равно сделал у официалов перепрошивку заодно и счетчик старения масла обнулили и больше не загорались, но я не тестил эти ошибки, по какой ошибке они загорались не знаю. Дело в том, что через PP2000 я узнал, что ПО моей АКПП совместимо с клапанами нового образца Borg Warner и, соответственно, телезагрузку нового ПО делать не надо. Ссылка на комментарий Поделиться на другие сайты Поделиться
sanya76 Опубликовано 28 января, 2017 Жалоба Поделиться Опубликовано 28 января, 2017 17 часов назад, ТотСамыйПарень сказал: Гидроблок А что с ним могло случиться? раскрутился? засорился? треснул? Я к чему спрашиваю, просто есть смысл разбирать своими силами? увижу я там причину глазами без специального оборудования или стендов? Или это надо в мастерскую по ремонту АКПП. Ссылка на комментарий Поделиться на другие сайты Поделиться
ТотСамыйПарень Опубликовано 28 января, 2017 Жалоба Поделиться Опубликовано 28 января, 2017 Может фрикционам хана. Визуально их не увидеть. Они в бублике. Ссылка на комментарий Поделиться на другие сайты Поделиться
sanya76 Опубликовано 28 января, 2017 Жалоба Поделиться Опубликовано 28 января, 2017 29 минут назад, ТотСамыйПарень сказал: Может фрикционам хана. Визуально их не увидеть. Они в бублике. А может им прийти хана так резко? мне кажется они изнашиваются постепенно т.е я бы слышал иногда буксование потом все чаще и отчетливей и запах был бы, или я ошибаюсь. У меня так было: Вечером завел тронулся все отлично поехал где-то через пару км буксонула по моему на 3-й (резко газ подкинул), остановился заглушил, завел тронулся отлично вернулся назад припарковался, а утром вышел и еле тронулся. Ссылка на комментарий Поделиться на другие сайты Поделиться
sanya76 Опубликовано 28 января, 2017 Жалоба Поделиться Опубликовано 28 января, 2017 Сейчас ситуация следующая: Постоял более суток. Заводишь если сразу на D или R , то еле трогается, буквально метров 50-100 и все ни едет никак, по-тихоньку останавливается, чуть газу - как будто на нейтралке. перезапуск трогается еле и опять то же самое. а если завел и постоял немного пару тройку минут, то даже не тронешься - как на нейтралке, но включаться вроде передача пытается, но еле слышно и не едет. Ссылка на комментарий Поделиться на другие сайты Поделиться
ВLадимир Опубликовано 29 января, 2017 Жалоба Поделиться Опубликовано 29 января, 2017 Друзья, ввел Вас всех в заблуждение из-за своей не внимательности. Как оказалось прошивка АКПП 28.02.01г и с новыми клапанами не совместима. Просто меня ввели в заблуждения вышедшие из строя клапана черного цвета, вот я и спутал все карты до меня видно после замены клапанов и не поменяли прошивку. Так вот назрело изходя из всего выше перечисленного пара вопросов: 1.Сколько стоит перепрошить АКПП (я так понимаю, что с этим делом лучше обращаться к официалам)? 2.Могли ли из-за не совместимости клапанов появляться по ним ошибки (впадать в аварию)? Ссылка на комментарий Поделиться на другие сайты Поделиться
vasilish Опубликовано 29 января, 2017 Жалоба Поделиться Опубликовано 29 января, 2017 Володь из-за прошивки по клапанам в аварию сваливаться не будет Ссылка на комментарий Поделиться на другие сайты Поделиться
ВLадимир Опубликовано 29 января, 2017 Жалоба Поделиться Опубликовано 29 января, 2017 (изменено) 52 минуты назад, vasilish сказал: Володь из-за прошивки по клапанам в аварию сваливаться не будет Сколько платил за прошивку Акпп? Авария это очень редкий случай. Спустя какое-то время появляются две ошибки по клапанам(работа коробки нормальная). Может из-за прошивки и появляются ошибки по клапанам - вот в чем дело. Изменено 29 января, 2017 пользователем ВLадимир Ссылка на комментарий Поделиться на другие сайты Поделиться
ТотСамыйПарень Опубликовано 29 января, 2017 Жалоба Поделиться Опубликовано 29 января, 2017 Владимир, обновить программное по у официальных стОит примерно 15$. Ну, по крайней мере стОило)) По поводу ошибок.... Теоретически возможно. Но основным следствием будет несвоевременное переключение передач ( слишком рано, либо позже, чем нужно), могут быть толчки. Но в целом машина должна ехать. Вот исходя из этого вполне возможны вываливается в аварию из- за ошибок по модуляций этими клапанами. Это мое мнение. Ссылка на комментарий Поделиться на другие сайты Поделиться
vasilish Опубликовано 30 января, 2017 Жалоба Поделиться Опубликовано 30 января, 2017 В программе работы АКПП AL4 нет зависимости включения передачи от давления или от блокировки. Прошивка влияет на удовольствие от вождения но ещё раз повторюсь не на сваливание в аварийку. В вашем случае я бы провел анализ когда это происходит 1 режим движения город трасса 2 скорость движения 3 режим работы коробки переключение или наоборот езда с постоянной скоростью 4 частота вращения ДВС 5 температура хотя-бы двигателя 6 что привело к сбою нажал на газ сбросил Ну и так далее это при всем том что проводка разъёмы на коробке и мозге в порядке Далее сбой может давать и неправильная работа ДВС и его управления Ну и так далее Ссылка на комментарий Поделиться на другие сайты Поделиться
ТотСамыйПарень Опубликовано 30 января, 2017 Жалоба Поделиться Опубликовано 30 января, 2017 Короче. Что пишет комп? Конкретно. Что за ошибки? Основных причин появления ошибок и аварийного режима две. Ссылка на комментарий Поделиться на другие сайты Поделиться
vasilish Опубликовано 30 января, 2017 Жалоба Поделиться Опубликовано 30 января, 2017 1 час назад, ТотСамыйПарень сказал: Основных причин появления ошибок и аварийного режима две. Ну и ? Ссылка на комментарий Поделиться на другие сайты Поделиться
ВLадимир Опубликовано 30 января, 2017 Жалоба Поделиться Опубликовано 30 января, 2017 Рассказываю еще раз. В аварию становится очень редко, (условия при которых такое случается - пришел, завел машину - грею и бац моргает уже) все, не на ходу, не после остановки. Переключается плавно. При сканирование появляются переодически ошибки ошибка №71 "устранимая ошибка. электромагнитный клапан блокировки гидротрансформатора (EVLU).короткое замыкание на ВлплюсВы".№76 "устранимая ошибка. ошибка электромагнитного клапана модуляции давления (EVM).короткое замыкание на ВлплюсВы". Стоит ли мне ехать перепрошивать коробку? вот о чем мне нужно принять решение, по тому как мне либо в Минск либо в Гомель, одинаково не два километра. Т.е. обязательна ли эта процедура? Ссылка на комментарий Поделиться на другие сайты Поделиться
vasilish Опубликовано 30 января, 2017 Жалоба Поделиться Опубликовано 30 января, 2017 Володь моё мнение смотри в первую очередь разъём на на коробке жгут от клапанов к разъему На разьеме не только пилы но и крепление вставок Ссылка на комментарий Поделиться на другие сайты Поделиться
ТотСамыйПарень Опубликовано 30 января, 2017 Жалоба Поделиться Опубликовано 30 января, 2017 В 09.01.2017 в 22:45, ТотСамыйПарень сказал: Там ничего сложного. Если имеете хоть какое-то представление, думаю, сможете и сами. (Ну это не рекомендация к действию, если сомневаетесь, то лучше предоставить это специалисту. ) Уделите внимание к вопросу слива-залива масла в AL4. Удачи А ВLадимиру я бы порекомендовал для начала разобраться с электрической составляющей. Потом, возможно, и в механике проблем не окажется по факту. Все указывает на это. Василич правильно советует. Я бы перепотрошил всю проводку на акпп Ссылка на комментарий Поделиться на другие сайты Поделиться
ВLадимир Опубликовано 30 января, 2017 Жалоба Поделиться Опубликовано 30 января, 2017 2 часа назад, ТотСамыйПарень сказал: Василич правильно советует. Я бы перепотрошил всю проводку на акпп Я так понимаю что нужно прозвонить всю проводку. Поддон с акпп хоть снимать не нужно, можно ведь через разьем на акпп прозвонить? Ссылка на комментарий Поделиться на другие сайты Поделиться
vasilish Опубликовано 31 января, 2017 Жалоба Поделиться Опубликовано 31 января, 2017 (изменено) Володя судя по ошибке это электрическая неисправность дальше ошибки на 2 клапана один из которых не работает на стоящем авто питание см. схему ( +) общий управление по ( -) что может дать ошибку 1 нет общего питания т.е. этого плюса провод переломан касается массы и т.д. 2 сопротивление (то бишь окисление) , дребезг контактов в разъемах и т.п. 3 клапан который стоит на модуляцию грубо ( очень грубо) коротит 4 сам мозжечок В данном случае копать от того что проще и менее накладно Удачи P.S. крышку гидроблока может и придется снимать потому что место скрутки + внутри под крышкой Изменено 31 января, 2017 пользователем vasilish Ссылка на комментарий Поделиться на другие сайты Поделиться
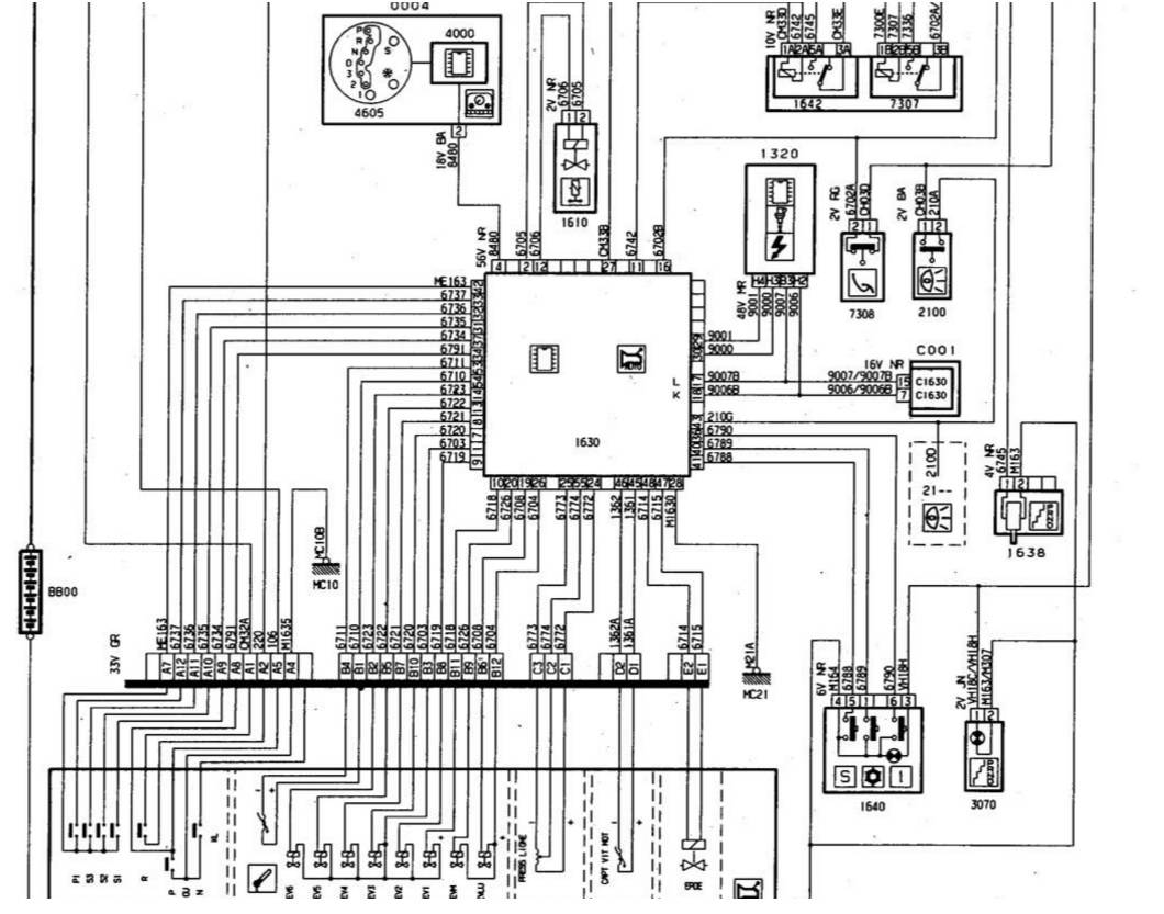
ВLадимир Опубликовано 31 января, 2017 Жалоба Поделиться Опубликовано 31 января, 2017 (изменено) 7 часов назад, vasilish сказал: Володя судя по ошибке это электрическая неисправность дальше ошибки на 2 клапана один из которых не работает на стоящем авто питание см. схему ( +) общий управление по ( -) что может дать ошибку 1 нет общего питания т.е. этого плюса провод переломан касается массы и т.д. 2 сопротивление (то бишь окисление) , дребезг контактов в разъемах и т.п. 3 клапан который стоит на модуляцию грубо ( очень грубо) коротит 4 сам мозжечок В данном случае копать от того что проще и менее накладно Удачи P.S. крышку гидроблока может и придется снимать потому что место скрутки + внутри под крышкой Я так понимаю по схеме могу проверить коротыш через разъем на коробке +В12 между массой и -В6 -В9. Проверить от разъема В12 до 26 от В6 до 19 и от В9 до 20 - обрыв замыкание и сопротивление. Благо мультиметр имеется и пользоваться тоже умею. Клапана новые, разъемы на них одевались плотно. Так что я надеюсь обойтись без съема поддона (не хотелось бы сливать масло). В четверг займусь этим вопросом. Мое мнение, что может быть виновником сам разъем на акпп - короче все будет известно после проверки, о результатах отпишусь. Проблема в замыкании ведь может быть где угодно по проводу - не обязательно в акпп Может есть еще какие схемы дайте глянуть)))) Изменено 31 января, 2017 пользователем ВLадимир Ссылка на комментарий Поделиться на другие сайты Поделиться
vasilish Опубликовано 31 января, 2017 Жалоба Поделиться Опубликовано 31 января, 2017 (изменено) Это может быть как короткое так и обрыв может даже пробовать начинать прозванивать от мозга , (Только шунты маленькие или с обратной стороны разъёма чтобы не сделать хуже) и потихоньку шевелить проводку А под крышкой гидроблока находятся не только разъёмы на клапана но и так называемые скрутка на схеме места где расходится + Изменено 31 января, 2017 пользователем vasilish Ссылка на комментарий Поделиться на другие сайты Поделиться
ВLадимир Опубликовано 31 января, 2017 Жалоба Поделиться Опубликовано 31 января, 2017 (изменено) 21 минуту назад, vasilish сказал: Это может быть как короткое так и обрыв может даже пробовать начинать прозванивать от мозга , (Только шунты маленькие или с обратной стороны разъёма чтобы не сделать хуже) и потихоньку шевелить проводку А под крышкой гидроблока находятся не только разъёмы на клапана но и так называемые скрутка на схеме места где расходится + (Только шунты маленькие или с обратной стороны разъёма чтобы не сделать хуже) можно подробнее? От разъема на акпп до клапанов можно же проверить проводку прозвонив мультиметром - не снимая поддон(однозначно ведь сопротивление клапан должен показывать если нет обрава по цепи)? Ну там не скрутка если я не ошибаюсь а просто с фишки выходит еще один провод на вторую фишку. Изменено 31 января, 2017 пользователем ВLадимир Ссылка на комментарий Поделиться на другие сайты Поделиться
Рекомендуемые сообщения