Перейти к содержанию

406. Задняя подвеска. Амортизаторы. Подшипники ступиц. Стабилизатор. Диагностика неисправностей. Ремонт.


Рекомендуемые сообщения

Если кому нужны болты на подруливающие, то могу продать б/у по пятерке.

Есть ещё болты?Личка не работает. Нужен один, пришлось отпиливать старый.
Ссылка на комментарий
Поделиться на другие сайты

Ну что ж, сменил я обе втулки стабилизатора. Болт и гайки открутились очень легко, перед этим я лишь очистил резьбу от грязи и сбрызнул ВД-шкой. Полагаю, это из за того, что машина не знала наших зим. Болт откручивался очень долго и муторно. Горловину бака я не снимал - не понял как сцепить этот хомут. Болтяра длиннющий, еле открутил. Перед закручиванием укоротил его на треть болгаркой.

Правая втулка была еще в более-менее нормальном состоянии, а вот левая уже стала расслаиваться.

Что имеем в итоге? Исчез скрип сзади при остановке, а так же стуки при прохождении швов. Но осталось это гребаное пластмассовое ведерное бубнение!!! Слажу еще к амортизатору на следующих выходных, и если дело не в нем... Не знаю, насколько долго выдержат мои нервы.

Изменено пользователем Ecventor
Ссылка на комментарий
Поделиться на другие сайты

Болты, гайки и шайбы для подруливающих тяг когда то без проблем купил на сифтрансе. Есть один б\у болт, состояние среднее могу подарить

Ссылка на комментарий
Поделиться на другие сайты

Если кому нужны болты на подруливающие, то могу продать б/у по пятерке.

Есть ещё болты?Личка не работает. Нужен один, пришлось отпиливать старый.
Уже нету
Ссылка на комментарий
Поделиться на другие сайты

Ну что ж, сменил я обе втулки стабилизатора. Болт и гайки открутились очень легко, перед этим я лишь очистил резьбу от грязи и сбрызнул ВД-шкой. Полагаю, это из за того, что машина не знала наших зим. Болт откручивался очень долго и муторно. Горловину бака я не снимал - не понял как сцепить этот хомут. Болтяра длиннющий, еле открутил. Перед закручиванием укоротил его на треть болгаркой.

Правая втулка была еще в более-менее нормальном состоянии, а вот левая уже стала расслаиваться.

Что имеем в итоге? Исчез скрип сзади при остановке, а так же стуки при прохождении швов. Но осталось это гребаное пластмассовое ведерное бубнение!!! Слажу еще к амортизатору на следующих выходных, и если дело не в нем... Не знаю, насколько долго выдержат мои нервы.

Блин, вспомнил, посмотри может по баку что лупит.
Ссылка на комментарий
Поделиться на другие сайты

Да все попрокладывал... У меня сейчас машина снизу - странное зрелище. Везде куски уплотнений, все, что может болтаться, подвязано...

Только если между кузовом и баком. А туда не долезть, сам понимаешь :)

Ссылка на комментарий
Поделиться на другие сайты

Да все попрокладывал... У меня сейчас машина снизу - странное зрелище. Везде куски уплотнений, все, что может болтаться, подвязано...

Только если между кузовом и баком. А туда не долезть, сам понимаешь :)

Тоже был барабашка сзади, на диагностике руками разводили, пока сам не нашел,

под пружиной резиновая прокладка порвалась в одном месте и лязг металический был на

неровностях побольше.

Ссылка на комментарий
Поделиться на другие сайты

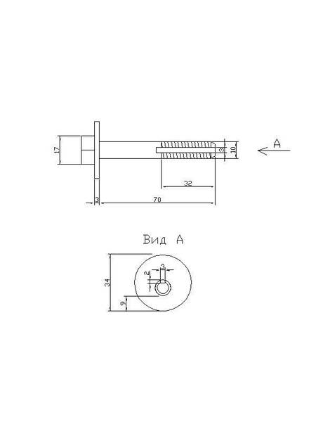
На днях поменял тяги доворота. При замене тяг, пришлось срезать один болт.

Столкнулся с проблемой поиска болтов эксцентриковых - нет их нигде!!!

На рынке на вопрос когда появятся - все пожимают плечами. У официалов то же нет и когда будут не знают.

Было желание сделать болт самому, сложного там ничего нет.

Спасибо Ventil, привёз мне старый болт оставшийся после замены.

Закручивая старый болт предварительно снял его размеры и сделал чертёж, может кому пригодиться.

Из особенностей болта:

-Изготовить шайбу с отверстием смещённым от центра

-Шайбу одеть на болт и приварить к головке болта

-Сделать прорезь вдоль болта

post-2364-0-22605300-1336302569_thumb.jp

Ссылка на комментарий
Поделиться на другие сайты

Резиновые прокладки визуально в порядке, да и стыки с ямками подвеска отрабатывает без лишнего шума.Все выходные просидел в гараже в поисках источника бубнения. Снял обшивку багажника, катался сам, сажал слушающего человека. "Слухач" ничего страшного, по его словам, не слышал. А у меня после поездок уже правое ухо закладывает. Проложил мягкими материалами в багажнике всевозможные источники шума, открутил даже этот клапан воздуховода резиновый, хотя и был уверен, что не в нем дело, менял резину на другую - результата ноль. Отчаялся до решения заменить ступицу с подшипником. Для проверки вскрыл колпачок, посмотрел на подшипник - с виду он в полном порядке. Не люфтит, металлической стружки нет, поверхности шариков и обойм гладкие. Только мне показалось, что смазки маловато, поэтому заложил туда литола. Еще один фактор против того, что это подшипник - не меняется характер бубнения в зависимости от скорости. Как будто ракушку морскую к уху приставил - и поехал.В конце концов решил снять амортизатор и глянуть его состояние и состояние подушек. С виду все они в порядке. Амортизатор исправно и равномерно вдавливается и выезжает обратно без рывков. Подушки тоже целые - резина мягкая и выглядит как новая. Решил проехаться на машине без амортизатора и.... Не услышал этого своего бубнения. Тишина. Т.к. был основательно вымотан, факту этому особо не обрадовался. Да и езда со снятым амортером мало о чем говорит. Я полагаю, что подвеска без него работает в другом режиме и "бубнелка" мог просто затаиться.Собрав остатки сил, стал собирать все назад. Единственное, что меня насторожило - показалось, что есть взаимная потертость у металлических внутренних втулок подушечек. Могут ли они там взаимно соприкасаться и вызывать посторонние звуки? И какие вообще могут быть мысли в связи с вышеописанным? Готов сменить подушки и амортеры.

Изменено пользователем Ecventor
Ссылка на комментарий
Поделиться на другие сайты

сочувствую...я тоже все это прошел...без монтеров тихо....тоже так мыслил...но подушки 4 шт-20-28$ а монтеры-?????а если не монтеры?выкинутые бабки?думай!!!!!!

Ссылка на комментарий
Поделиться на другие сайты

  вот в чем весь подвох-с виду хорошие(и как холодает -5-10 еще больше гремят).  но новые чуть мягче резина... на севисе говорят все отлично...я им говорю вы машину покачайте вверх-низ(чуть-чуть)слышен стук...разводили руками...одни догадки...а пыжа я продал...взял альхамбру  2005года...парень ездит на пыже нарадоваться не может...жаль было продавать...машина возила меня 5.5 лет...хотел я пыжа 307 2007-2008г...НО у нас в Мозыре нет ни какого сервиса...даже компдиагностику не знаю где хорошо сделать...или вГомель или в Минск...пыж 406 реально хорошая и мягкая машина(у меня 1.9тд)была... 

Изменено пользователем taras
Ссылка на комментарий
Поделиться на другие сайты

Что ж, спасибо за информацию. Поменяю подушки - на них у меня еще с самого начала подозрение было, но загвоздка в их нормальном с виду состоянии. Желаю удачи тебе и твоей Альхамбре :)

Ссылка на комментарий
Поделиться на другие сайты

Заменил подушки - хоть бы что. Все осталось на том же уровне, и даже кажется, что бубнить больше стало. На выходных попробую махнуть задние амортеры местами - станет ясно, в них ли дело.

Ссылка на комментарий
Поделиться на другие сайты

Кода то давно, на 405, был сильный стук спереди, перебрал весь перед, одно за одним, снимал амортизатор 2 раза шток вверх-вниз двигался ровно без заеданий и провалов - ничего не нашёл. В итоге когда перебрал уже всё, в 3-й раз снял амортизаторы. И оказалось посередине хода штока был чуть заметный люфток, который проявлялся если подёргать резко шток вверх-вниз не больше 1мм, что и вызывало сильный стук, хоть и держали машину отлично. После замены амортизаторов всё успокоилось.

Ссылка на комментарий
Поделиться на другие сайты

Снял оба амортера - с виду нормальные, не люфтят. Поставил обратно, махнув местами - все как и было. Видимо, придется ехать на диагностику подвески.

Ссылка на комментарий
Поделиться на другие сайты

поменял сегодня за 40 минут 2 тяги,открутились на удивления легко пшикал вдшкой..Снимал на эстакаде при этом ничего не донкратил,зато когда всавлял новую тягу сначала закрутил возле колеса,а потом понял что отверстия для регулировочного винта нисходятся ,пришлось донкратить до тех пор пока не сошлись.

вопрос: перед тем ка откручивать регулировочный винт запомнил, что гайка закручена так,что на винте видно 4 витка резьбы .Закрутил новую тягу также -- 4 витка резьбы ,а дальше гайка. Скажите - схождение делать надо?

Также при этом заметил ,что регулировочная шайба и шайба с другой стороны должны попасть в спец пазики на кузове авто - тогда,они хорошо прижмуться.

ставил фирмы Moog

Изменено пользователем pist0let
Ссылка на комментарий
Поделиться на другие сайты

Мастер сказал, что в 99% что придётся срезать болт.

с одной стороны этот болт достал 2мя пальчиками ничего при этом не ударяя -- думаю из-за того что машина НЕ была поддонкрачена.следовательно колеса,и остальное не давило на тягу и она свободно вышла

Изменено пользователем pist0let
Ссылка на комментарий
Поделиться на другие сайты

Я не смог выбить болт из тяги даже кода обрезал его и снял тягу - так он там приржавел. Может ещё родные стояли, х.з. Ставил новые, смазал графиткой болты. Машина стояла на колёсах без домкрата.Схождение делать обязательно, по виткам не угадаешь.

Изменено пользователем rus406
Ссылка на комментарий
Поделиться на другие сайты

Подскажите пожалуйста . Похожая ситуация,сорвана резьба на ступице задней. На 307ом ступица с подшипником на всех идёт вместе???И можно ли подручными средствами её поменять?P.S. пежо 307 2002 года 2.0 хди

Ссылка на комментарий
Поделиться на другие сайты

Подскажите пожалуйста . Похожая ситуация,сорвана резьба на ступице задней. На 307ом ступица с подшипником на всех идёт вместе???И можно ли подручными средствами её поменять?P.S. пежо 307 2002 года 2.0 хди

Про 307 не знаю, в 406-ом нужна голова на 40 ну и съемник.Это подручные средства ?
Ссылка на комментарий
Поделиться на другие сайты

  • Модератор

Подскажите пожалуйста . Похожая ситуация,сорвана резьба на ступице задней. На 307ом ступица с подшипником на всех идёт вместе???И можно ли подручными средствами её поменять?P.S. пежо 307 2002 года 2.0 хди

Не на всех. Были модификации где тормозной диск является ступицей.
Ссылка на комментарий
Поделиться на другие сайты

Точно не тормозной диск! Значит вместе со ступицей.?Снимал крышку там ролики видны,если чем-то поможет.А без сьёмника её можно как-нибудь снять?

Ссылка на комментарий
Поделиться на другие сайты

Случайно обнаружил вчера что у меня заднее колесо держится на 1 болте, остальные три - сорвана резьба, недолго думая купил б/у ступицу , сегодня с утра поменял, если со съемником тяжковато было .то думаю без съемника не реально...Голова надо на 40, но и на 41 тоже пошла..

Ссылка на комментарий
Поделиться на другие сайты

А без сьёмника её можно как-нибудь снять?

Только если ты РЕАЛЬНЫЙ Luzifier :D
:DА Б\у разве подойдёт?там же слышал ,что у пежо подшипник при снятии разваливается? Изменено пользователем Luzifier
Ссылка на комментарий
Поделиться на другие сайты

Форумчане,отзовитесь.б/у ступицу(вместе с подшипником) можно поставить???разве когда она снимается,подшипник в ней не разваливается?

Изменено пользователем Luzifier
Ссылка на комментарий
Поделиться на другие сайты

Я же писал ,что ставил б/у ступицу (полет нормальный), покупал на жданах, своя при снятии развалилась.

Изменено пользователем yurik
Ссылка на комментарий
Поделиться на другие сайты

×
×
  • Создать...