Модератор Daiver Опубликовано 2 августа, 2010 Автор Модератор Жалоба Поделиться Опубликовано 2 августа, 2010 Тудой должно быть. Попробуй поставить на рециркуляцию и туда каким нибудь благовонием попшыкать и понюхать из верхних дефлекторов. Ссылка на комментарий Поделиться на другие сайты Поделиться
Raptor Опубликовано 2 августа, 2010 Жалоба Поделиться Опубликовано 2 августа, 2010 Тудой должно быть. Попробуй поставить на рециркуляцию и туда каким нибудь благовонием попшыкать и понюхать из верхних дефлекторов.я ставил на рециркуляцию и на минимально возможную температуру. тили +13, толи +15. вверху сильно дуло, внизу должна была быть некислая тяга. но я ее что-то не заметил... если на работе девок раскручу на благовония, то щас пойду проверю. Ссылка на комментарий Поделиться на другие сайты Поделиться
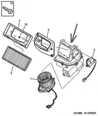
Professor Опубликовано 2 августа, 2010 Жалоба Поделиться Опубликовано 2 августа, 2010 Забор воздуха из салона идет над вентилятором печки - там где двигатель заслонки. Там призматичный корпус у заборника - с одной стороны дырка на улицу - под фильтр, а с другой стороны дырка в салон.p.s. када вперед садите пассажира - спрашивайте у него про носки - забор воздуха идет как раз в том месте, гдже идут испарения от ног пассажира Ссылка на комментарий Поделиться на другие сайты Поделиться
Модератор Daiver Опубликовано 2 августа, 2010 Автор Модератор Жалоба Поделиться Опубликовано 2 августа, 2010 От, сразу видно, что человек досканально знает печку Блин, а я то думал что в ногах воздух тянет. Так выходит с другого места, посмотри на рисунке, правильно я понял или нет. Ссылка на комментарий Поделиться на другие сайты Поделиться
Professor Опубликовано 2 августа, 2010 Жалоба Поделиться Опубликовано 2 августа, 2010 (изменено) От, сразу видно, что человек досканально знает печку Блин, а я то думал что в ногах воздух тянет. Так выходит с другого места, посмотри на рисунке, правильно я понял или нет.Вот именно оттуда и идет забор воздуха :)p.s. А как же её не знать, если практически всё там руками облазил, за исключением того, что стоит в корпусе печки Но и этот пробел вскоре заполню (как только отищу торксы Т50-Т60 с дырками) Изменено 2 августа, 2010 пользователем Professor Ссылка на комментарий Поделиться на другие сайты Поделиться
Raptor Опубликовано 2 августа, 2010 Жалоба Поделиться Опубликовано 2 августа, 2010 эта... только что проверил. пшикал духами туду, куда сказал Дайвер. из верхних воздуховодов заблаговоняло. пока нюхал, машина некисло духами пропазла. щас главное жену пару дней к машине не подпускать от беды подальше. а вопрос забора воздуха встал в связи с желанием прочистить климу стэпапом (в багажнике уже месяц лежит), просто не совсем понятно куда именно его пшикать. может кто подскажет, а то я уже окончательно запутался. Ссылка на комментарий Поделиться на другие сайты Поделиться
Professor Опубликовано 2 августа, 2010 Жалоба Поделиться Опубликовано 2 августа, 2010 Насколько я знаю - трубку от него надо засунуть по самый корень в заборник воздуха. Я бы снял фильтр салонный и через дырку пихал бы. Через салонную дырку забора ты не просунешь трубку - руки буквой ЗЮ не скрутятся. Ссылка на комментарий Поделиться на другие сайты Поделиться
Raptor Опубликовано 2 августа, 2010 Жалоба Поделиться Опубликовано 2 августа, 2010 так тогда будут мешать лопасти вентилятора. Ссылка на комментарий Поделиться на другие сайты Поделиться
Модератор Daiver Опубликовано 2 августа, 2010 Автор Модератор Жалоба Поделиться Опубликовано 2 августа, 2010 А еще лучше через дреннаж всунуть трубку, он ведь сразу к испарителю идет. Ссылка на комментарий Поделиться на другие сайты Поделиться
Professor Опубликовано 2 августа, 2010 Жалоба Поделиться Опубликовано 2 августа, 2010 А еще лучше через дреннаж всунуть трубку, он ведь сразу к испарителю идет.Точно! Нефик к гландам через уши лезть Дайвер кратчайший путь предложил Ссылка на комментарий Поделиться на другие сайты Поделиться
Raptor Опубликовано 2 августа, 2010 Жалоба Поделиться Опубликовано 2 августа, 2010 (изменено) я тоже про такой способ только что прочитал. однако я лоханулся, когда покупал очиститель и не забрал ртубку. как ее приколхозить к баллону - пока не придумал... может есть у кого на попользоваться? отдам с пивом. Изменено 2 августа, 2010 пользователем Raptor Ссылка на комментарий Поделиться на другие сайты Поделиться
Professor Опубликовано 2 августа, 2010 Жалоба Поделиться Опубликовано 2 августа, 2010 я тоже про такой способ только что прочитал. однако я лоханулся, когда покупал очиститель и не забрал ртубку. как ее приколхозить к баллону - пока не придумал... может есть у кого на попользоваться? отдам с пивом.Купи ещё один очисититель такой же (только с трубкой) - я его на пыжесходке заберу у тебя. И тебе трубка и мне доставка Ссылка на комментарий Поделиться на другие сайты Поделиться
Raptor Опубликовано 2 августа, 2010 Жалоба Поделиться Опубликовано 2 августа, 2010 хм. заманчивое предложение. надо подумать Ссылка на комментарий Поделиться на другие сайты Поделиться
ms_des Опубликовано 3 августа, 2010 Жалоба Поделиться Опубликовано 3 августа, 2010 В общем такое дело - когда фреоном заливал кондей, мастер, показал на трубку по которой холодный фреон идет в теплообменник салона, мол если хочешь температуру в салоне понизить, ее лучше заизолировать. Она во время работы кондея ледяная, а в моторном отсеке все 70-80 по цельсию. Вот сижу думаю каким материалом ее обернуть? Поролон отпадает, поскольку будет впитывать конденсат, трубка еще окисляться начнет. Есть (не знаю как зовется) вспененный полиэтилен с подложкой из фольги. Фольга конденсат не пустит, тепло будет отражать, вот только металлы разные, трубка алюминиевая.... по идее коррозия возможна. в общем в раздумьях я.... кто что посоветует? на фото собсна она и видна в центре. Ссылка на комментарий Поделиться на другие сайты Поделиться
АЛЕКСЕЙ Опубликовано 3 августа, 2010 Жалоба Поделиться Опубликовано 3 августа, 2010 я бы именно этой фальгой делал! по моему самый твой вариант! тока полетеленом к трубке... Ссылка на комментарий Поделиться на другие сайты Поделиться
Модератор Daiver Опубликовано 3 августа, 2010 Автор Модератор Жалоба Поделиться Опубликовано 3 августа, 2010 (изменено) Понижения температуры ты существенного не добьешься, а вот трубку коррозией угробишь. Если трубка заводом не изолирована, так и должно быть. Эффективность кондея можно увеличить только путем установки испарителя большего размера и соответственно более производительным компрессором. Тебе это надо? Изменено 3 августа, 2010 пользователем Daiver Ссылка на комментарий Поделиться на другие сайты Поделиться
FEDAR Опубликовано 4 августа, 2010 Жалоба Поделиться Опубликовано 4 августа, 2010 Вот надыбал инфу с Пежо-Питер клуба, мот кому пригодится: Технология очистки кондиционера на 406-м предоставляется на условиях As Is. То есть аффтор не несёт ответственности за работу климатической установки после этой операции. Почему? Читать до конца! Избавляемся от неприятного запаха своими силами. Приобретаем комплект (стоимость не помню точно - что-то около 200 руб.): На балоне написано, что дренажную трубку надо искать под машиной, но у нас этот номер не пройдёт. Она становится доступной после снятия глушителя - это не наш вариант. Поэтому лезем в салон... 10 минут и ОНА у вас в руках!!! Вынимаем блок пепельницы. Снимаем правую боковину консоли (2 самореза). Снимем воздуховод (1 защёлка). Видим дренажную трубку кондея, уходящую в пол (ниже на фото красная стрелка). Вытаскиваем трубку: Вставляем в трубку шланг из купленного комплекта (можно его мылом натереть слегка для уменьшения трения, но у меня и так хорошо вошел ). Доводим его до упора, нежно разгибая завороты дренажной трубки. Подсоединяем к баллону и жмем на кнопку. Чуть не забыл - под дренаж надо поставить пустую емкость. Заполняем систему пеной из балона (пока балон не опустеет). У меня балон опустел одновременно с появлением пены из дренажной трубки. Вытаскивем шланг из трубки и нервно курим 15 минут, пока пена делает своё дело - проникает в отложения на испарителе, конденсируется в жидкость и стекает в емкость. Получаем вот такую грязную жижу: Жижу выливаем. Трубку дренажную вставляем на место и переходим к самому интересному - запуску системы. Почему интересное? Читаем дальше. На балоне с очистителем написано, что необходимо включить кондей, максимальную скорость вентилятора и циркуляцию воздуха внутри авто. Это всё я сделал - вот дисплей климата с настройками: Завел автомобиль. Муфта кондея подключилась, вентилятор закрутился. Через 20 секунд кондей и вентилятор умерли!!! Единственный вывод, который мне пришёл в мозккк: оставшийся конденсат от балона с пеной попал на реле или обмотку вентилятора и закоротил контакты. Начал искать сгоревший предохранитель. Ничего визуально сгоревшего не нашёл. по ходу дела заменил предохранитель в моторном отсеке под номером 16 (вместо 30А стоял 20А!). После 20 минут танцев с бубнами всё заработало! Варианта два: либо предохранитель №16, либо что-то само по себе высохло... Результат: 1. Кондей начал холодить лучше - запотеваю окна СНАРУЖИ! Вот фото: 2. Неприятный запах ушёл Минус - непонятное временное отключение вентилятора. Это риск. я очень извеняюся но никак не смог открыть фото просто смотрю туда и не могу понять где там дренажная трубка Ссылка на комментарий Поделиться на другие сайты Поделиться
Ruslan Опубликовано 4 августа, 2010 Жалоба Поделиться Опубликовано 4 августа, 2010 FEDAR, ещё бы фото. собираюсь завтра проводить операцию Ссылка на комментарий Поделиться на другие сайты Поделиться
АЛЕКСЕЙ Опубликовано 4 августа, 2010 Жалоба Поделиться Опубликовано 4 августа, 2010 федар! скинь просто ссылку на страничку, думаю там все сами найдут фото Ссылка на комментарий Поделиться на другие сайты Поделиться
Ruslan Опубликовано 4 августа, 2010 Жалоба Поделиться Опубликовано 4 августа, 2010 есть такая сцылка http://forum.aves.su/viewtopic.php?p=836642#836642 Ссылка на комментарий Поделиться на другие сайты Поделиться
Raptor Опубликовано 4 августа, 2010 Жалоба Поделиться Опубликовано 4 августа, 2010 народ! вы куда смотрите??? он процитировал сообщение из этой же ветки! фото были на фотохостере, который их удалил. вам не Федора мурыжить надо, а Равшановича! Ссылка на комментарий Поделиться на другие сайты Поделиться
Ruslan Опубликовано 6 августа, 2010 Жалоба Поделиться Опубликовано 6 августа, 2010 вчера пробовал очищать.В дренаж не лезет, это факт, брызгать в сопла в ногах - без толку, Нашёл один выход. Если лечь спиной и смотреть вверх там где вентилятор, за ним идёт шахта для бокового воздуховода. Так вот отсоединил шахту, и всунул туда шланг, он должен уходить направо и в низ. Затем начал пшикать, из дренажа полилась жижа. Грамм 250 пены ушло из балона Степ-ап. Сегодня млять тот же запах но конечно меньше. Думаю стоит видимо повторить.КАК ЖЕ ДОБРАТЬСЯ ДО САМОГО ИСПАРИТЕЛЯ? Ссылка на комментарий Поделиться на другие сайты Поделиться
Professor Опубликовано 6 августа, 2010 Жалоба Поделиться Опубликовано 6 августа, 2010 КАК ЖЕ ДОБРАТЬСЯ ДО САМОГО ИСПАРИТЕЛЯ?Дайте мне торксы Т50-Т60 с центральным отверстием и я на след. выходных смогу всем желающим показать внутреннее устройство печки. А там уж сами будете решать, как именно ВАМ проще добраться до испарителя Ссылка на комментарий Поделиться на другие сайты Поделиться
АЛЕКСЕЙ Опубликовано 6 августа, 2010 Жалоба Поделиться Опубликовано 6 августа, 2010 по моему у меня тока на 50 есть... гляну если найду на 60 отпишусь и вэлкам! Ссылка на комментарий Поделиться на другие сайты Поделиться
OleZHka Опубликовано 6 августа, 2010 Жалоба Поделиться Опубликовано 6 августа, 2010 КАК ЖЕ ДОБРАТЬСЯ ДО САМОГО ИСПАРИТЕЛЯ?Да вроде центр. консоль снять да и все Ссылка на комментарий Поделиться на другие сайты Поделиться
diver Опубликовано 6 августа, 2010 Жалоба Поделиться Опубликовано 6 августа, 2010 вчера пробовал очищать.В дренаж не лезет, это факт, брызгать в сопла в ногах - без толку, Странно, у меня влезла почти полностью вся трубка от баллоничка, см 30 наверное... Ссылка на комментарий Поделиться на другие сайты Поделиться
Raptor Опубликовано 10 августа, 2010 Жалоба Поделиться Опубликовано 10 августа, 2010 Ecventor думаю не обидится, если в его отчет я добавлю свои фотографии. себе делал по его методе (и с его трубкой). только не помогло, т.к. купил вместо очистителя освежитель (давно было. да и не туда смотрел, когда покупал ). потом куплю то что надо и повторю. 1. Прикупил на рынке вышеописанную баночку "Step-UP автокондиционера очиститель". Вместе с ним не забудтье потребовать шланг, который идет к нему в комплекте. Все это обошлось мне в 30 тысяч рублей. Вообще, еще понадобится ключик торкс (вроде Т-20), тряпка и баночка объемом около литра. 2. изначальный вид (для тех, кто забыл, как оно выглядит ) Достал пепельницу, убрал все барахло из полочки за пепельницей, потянул аккуратно на себя эту полочку, она вынялась. Только осторожно! Рвать сразу не нужно. Для того, чтобы достать, надо отключить разъем от лампочки подсветки пепельницы. 3. Теперь мы имеем доступ к шурупу, держащему правую панель, которую нам так необходимо снять. Шуруп находится внутри, там, где была пепельница, с правой стороны, вкручен в боковину. Берем ключик под звездочку (торкс) и откручиваем его. Все, теперь можно боковину снять. Снимается она легко - нужно немного потянуть вперед, а там разберетесь. Кстати, странно, что она не прикручена спереди. Место под саморез там есть 4. Видим трубку воздуховода. Она нам мешает, поэтому снимем её. Ближнюю к сиденью часть легко отщелкиваем (надо нажать в помеченном месте) , а дальнюю трубку просто вынимаем. 5. Всё, теперь мы имеем прямой доступ к дренажной трубке кондиционера. Честно говоря, я ожидал там увидеть хомут, но его не оказалось. Эта черная резиновая трубочка просто воткнута в тоннель. Особо не боясь, выдергиваем ее оттуда. 6. Ну а дальше все делаем по инструкции на баночке "Step-UP", т.е., до упора засовываем трубку в наш дренажный шланг. Чтобы легче лезла, нужно его распрямить. Затем выпускаем все содержимое баллона в систему. Из дефлекторов на торпеде услышите характерное шипение пены - значит все ок, средство попадает туда, куда надо. За несколько секунд до конца опустошения баллончика, пена стала переть через дренажную трубку. Я прекращать закачку не стал, просто вытер пену тряпкой и выкачал весь баллон до конца, опустил трубку в заранее подготовленную банку и пошел гулять, пока не вытечет. Текла жидкость коричневого цвета минут 20. Всего вытекло не более полулитра жидкости, процесс этот сопровождался шипением пены в дефлекторах. 7. Завел машину, включил кондей, рециркуляцию, максимальные обороты вентилятора, полностью закрыл машину и опять пошел гулять, но уже на 10 минут. 8. Отключил кондей, выключил рециркуляцию, открыл задние двери, погулял 5 минут - чтобы салон проветрился, затем машину заглушил. 9. Собрал все в обратном порядке. Т.е., засунул обратно дренажную трубку (лучше немного поднажать при вставливании обратно, т.к. ничего не сломается, а вот если не дожать. то есть шанс получить весь конденсат в салон), поставил на место воздуховод, закрепил и прикрутил торксом панельку, вернул на место полочку пепельницы, вставил пепельницу. Подумав, нашел пару симпатичных САМОРЕЗОВ и прикрутил обе боковые панельки в имеющиеся под это отверстия. А чтоб не болтались! 10. Отметил, что доволен проделанной работой. Ссылка на комментарий Поделиться на другие сайты Поделиться
Модератор Citrin Опубликовано 10 августа, 2010 Модератор Жалоба Поделиться Опубликовано 10 августа, 2010 себе делал по его методе (и с его трубкой). только не помогло, т.к. купил вместо очистителя освежитель (давно было. да и не туда смотрел, когда покупал Сережа-Вы, лошаро)))) SENIA 1 Ссылка на комментарий Поделиться на другие сайты Поделиться
Foblas Опубликовано 10 августа, 2010 Жалоба Поделиться Опубликовано 10 августа, 2010 Я себе прикупил баночку очистителя Mannol, у меня как бэ не воняет, но для профилактики надо попшыкать. Ссылка на комментарий Поделиться на другие сайты Поделиться
Raptor Опубликовано 10 августа, 2010 Жалоба Поделиться Опубликовано 10 августа, 2010 если бы сам не сказал, фик бы ты догадался! Ссылка на комментарий Поделиться на другие сайты Поделиться
Рекомендуемые сообщения