Prih Опубликовано 22 марта, 2013 Жалоба Поделиться Опубликовано 22 марта, 2013 Приобрел у Ambr "комплект замены пневмодозатора"...Подскажите, куда правильно вставить заглушку? В теплообменник №1 или в ответвления патрубка который входит в интеркулер №2? P.S. 406coupe 2.2 HDI 2002год Ссылка на комментарий Поделиться на другие сайты Поделиться
klimus Опубликовано 23 марта, 2013 Жалоба Поделиться Опубликовано 23 марта, 2013 Приобрел у Ambr "комплект замены пневмодозатора"...Подскажите, куда правильно вставить заглушку? В теплообменник №1 или в ответвления патрубка который входит в интеркулер №2? P.S. 406coupe 2.2 HDI 2002год там где 4 нарисована Ссылка на комментарий Поделиться на другие сайты Поделиться
Prih Опубликовано 23 марта, 2013 Жалоба Поделиться Опубликовано 23 марта, 2013 Понятно, тогда придется вынимать полностью обменник, но с него ещё 2 патрубка идет. Что с ними делать? В каком месте глушить? Ссылка на комментарий Поделиться на другие сайты Поделиться
Joker. Опубликовано 23 марта, 2013 Жалоба Поделиться Опубликовано 23 марта, 2013 в этих патрубках антифриз, их нужно соеденить между собой и в теории викинуть теплообменник Ссылка на комментарий Поделиться на другие сайты Поделиться
Ambr Опубликовано 23 марта, 2013 Жалоба Поделиться Опубликовано 23 марта, 2013 да, теплообменник выкидывается Ссылка на комментарий Поделиться на другие сайты Поделиться
Ректор Опубликовано 8 апреля, 2013 Жалоба Поделиться Опубликовано 8 апреля, 2013 Всё. выбросил я его. да, теплообменник выкидываетсяк тебе вопрос, зачем делать заглушку на третий патрубок, если можно соединить 2 патрубка напрямую, выбросив третий? или я чего-то не понимаю? http://peugeot-club.by/board/index.php?/topic/11551-pomogite-razobratsja-s-datchikom-egr/page__view__findpost__p__503116 Ссылка на комментарий Поделиться на другие сайты Поделиться
Модератор Citrin Опубликовано 8 апреля, 2013 Модератор Жалоба Поделиться Опубликовано 8 апреля, 2013 Ну так соедини напрямую. Найди патрубок нижний с 2-х литрового мотора без ФАПа. Ссылка на комментарий Поделиться на другие сайты Поделиться
DGP Опубликовано 8 апреля, 2013 Жалоба Поделиться Опубликовано 8 апреля, 2013 мне кажеться проще заглушить Ссылка на комментарий Поделиться на другие сайты Поделиться
Joker. Опубликовано 20 мая, 2013 Жалоба Поделиться Опубликовано 20 мая, 2013 кто выкидывал теплообменник системы EGR, какого диаметра нужен переходник чтобы соеденить шланги от теплообменника? Ссылка на комментарий Поделиться на другие сайты Поделиться
Ректор Опубликовано 20 мая, 2013 Жалоба Поделиться Опубликовано 20 мая, 2013 кто выкидывал теплообменник системы EGR, какого диаметра нужен переходник чтобы соеденить шланги от теплообменника?21 мм труба полипропиленовая. у меня ещё на машины 2 осталось.можно 23-24 учитывая его расширения на концах. я садил на родные + металлические хомуты Ссылка на комментарий Поделиться на другие сайты Поделиться
Joker. Опубликовано 21 мая, 2013 Жалоба Поделиться Опубликовано 21 мая, 2013 ясно, спасибо Ссылка на комментарий Поделиться на другие сайты Поделиться
gizmo Опубликовано 6 июля, 2013 Жалоба Поделиться Опубликовано 6 июля, 2013 Поехала машинка. Уже несколько месяцев. Неплохо едет для 133 лошадей и такого веса на низах.Peugeot Planet решает Сперва прожгли фап, изменений никаких.Затем устранил ошибку по реле свечей(отгнил один провод). И машина поехала.Неужто из-за ошибки реле свечей по аварийным картам работал ЭБУ Ссылка на комментарий Поделиться на другие сайты Поделиться
Модератор Daiver Опубликовано 6 июля, 2013 Модератор Жалоба Поделиться Опубликовано 6 июля, 2013 Неплохо едет для 133 лошадей и такого веса...Какого веса? Стандартные 1.5 тонны. Ошибка по свечам - нет, на динамику никак. Скорее тронули что то рядом. Ссылка на комментарий Поделиться на другие сайты Поделиться
gizmo Опубликовано 6 июля, 2013 Жалоба Поделиться Опубликовано 6 июля, 2013 Точно, оказывается легкая совсем для своих размеров.Больше ошибок не было.Возможно прожег фапа не сразу сказался на динамике. Ссылка на комментарий Поделиться на другие сайты Поделиться
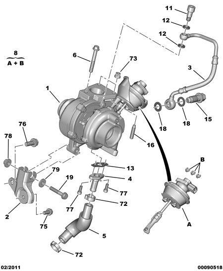
dark-al Опубликовано 9 июля, 2013 Жалоба Поделиться Опубликовано 9 июля, 2013 (изменено) Добрый день, товарищи!Машина нужна срочно для дальней поездки, но подвела. Двигатель 2.0 HDI, рестайлинг (2007 г.в.).Перестала тянуть (не работала турбина), на местной станции приговорили деталь 1618 X2 ЭЛ. МАГН. КЛАПАН ТУРБОКОМПРЕСС. На самой детали был номер 7.01633.00, но в интернете и на partmaster бьется аналог 7.01633.04.0 (pierburg). Купили, поменяли - не взлетела. Отключили весь контур вакуума и подкинули напрямую на турбину - взлетела, передув. Подкинули через этот клапан 7.01633.04.0 - не взлетела. Поездка на сифтранс, приговорили "Клапан управления положения турбины" , оригинальный номер 0375.P0.Картинка для наглядности (деталь А в правом нижнем углу, он же шток, который все пытаются разработать):На сифтрансе погрешили на саму его электронную часть, мол "неправильно сигналы воспринимает от детали 7.01633.04.0". Как водится в наличии нет, цена 3млн+ (на экзисте 2,8млн) и ждать неизвестно сколько. У меня есть сомнения, что проблема именно в этом штоке (его электронной части). Кстати шток вдэшкой брызгал, графиткой мазал, не закисший.Жду советы, не хочется деньги на ветер и не факт, что поможет, плюс снятие турбины не радует.С уважением, Антон. Изменено 10 июля, 2013 пользователем dark-al Ссылка на комментарий Поделиться на другие сайты Поделиться
Модератор Citrin Опубликовано 9 июля, 2013 Модератор Жалоба Поделиться Опубликовано 9 июля, 2013 Эта фигня называется-актуатор. Разрабатывать там нечего. Это обычный переменный резистор. Физический износ. Под замену. С последующей регулировкой его положения на турбине по специальной методике. Все.А на местной станции сказать-учите матчасть. Ссылка на комментарий Поделиться на другие сайты Поделиться
dark-al Опубликовано 9 июля, 2013 Жалоба Поделиться Опубликовано 9 июля, 2013 (изменено) Эта фигня называется-актуатор. Разрабатывать там нечего. Это обычный переменный резистор. Физический износ. Под замену. С последующей регулировкой его положения на турбине по специальной методике. Все.А на местной станции сказать-учите матчасть.Возможно ли заменить резистор без замены всего актуатора? С паяльником дружу, жаль нету PP2000, т.к. я давно перешел на сторону вражеского автопрома и лично мне не требуется. Насколько я понял эту верхнюю электронную часть можно открутить, неужели она отдельно не продается, какие-нибудь аналоги? Вы уж извините, но ради одного резистора 3млн :/ Кстати поломка произошла так: после спящего брат за рулем набирал скорость и потом резко бац и тупняк.P.S. у нас лучше станций нету, это единственная с хоть какой-то диагностикой (какой-то мультимарочник). Изменено 9 июля, 2013 пользователем dark-al Ссылка на комментарий Поделиться на другие сайты Поделиться
Модератор Citrin Опубликовано 9 июля, 2013 Модератор Жалоба Поделиться Опубликовано 9 июля, 2013 Паять там нечего. Внутри треугольной шняги керамическая пластина с нанесенными дорожками. По ним перемещается пружинный ползунок. И все. больше там нет нечего. Дорожки протираются в самом начале. Восстановить не получилось. 2 дня с Хоттабом мудрили-так ничего и не добились.Почитайте документ по регулировке нового актуатора, и все станет ясно ))Сейчас приложу файл Ссылка на комментарий Поделиться на другие сайты Поделиться
dark-al Опубликовано 9 июля, 2013 Жалоба Поделиться Опубликовано 9 июля, 2013 Паять там нечего. Внутри треугольной шняги керамическая пластина с нанесенными дорожками. По ним перемещается пружинный ползунок. И все. больше там нет нечего. Дорожки протираются в самом начале. Восстановить не получилось. 2 дня с Хоттабом мудрили-так ничего и не добились.Почитайте документ по регулировке нового актуатора, и все станет ясно ))Сейчас приложу файлНу завтра попробую снять поглядеть что к чему. А где его отдельно можно купить? И может знаете какое сопротивлении при закрытом и открытом штоке? Ссылка на комментарий Поделиться на другие сайты Поделиться
Модератор Citrin Опубликовано 9 июля, 2013 Модератор Жалоба Поделиться Опубликовано 9 июля, 2013 Вот дока по установке клапана регулирования наддува ( вакуумный клапан+актуатор)http://freespace.by/download/721b7b925bПро сопротивление-не подскажу. Экземпляр который был в руках-был в отвратительном состоянии. По поводу купить отдельно- говорят что есть. И цена типа не очень большая. Сам в живую видел коробку от актуатора - партномер не читался. Производитель- Metelli.В любом случае даже если купить отдельно- нужна регулировка. как в документации. Хотя народ покупает на разборке б.у. , ставят без регулировки и ездят. Многим-везет. машина едет-турбина управляется, но висит ошибка. Некоторым-не везет. Машина не едет))) Ссылка на комментарий Поделиться на другие сайты Поделиться
dark-al Опубликовано 9 июля, 2013 Жалоба Поделиться Опубликовано 9 июля, 2013 Вот дока по установке клапана регулирования наддува ( вакуумный клапан+актуатор)http://freespace.by/download/721b7b925bПро сопротивление-не подскажу. Экземпляр который был в руках-был в отвратительном состоянии. По поводу купить отдельно- говорят что есть. И цена типа не очень большая. Сам в живую видел коробку от актуатора - партномер не читался. Производитель- Metelli.В любом случае даже если купить отдельно- нужна регулировка. как в документации. Хотя народ покупает на разборке б.у. , ставят без регулировки и ездят. Многим-везет. машина едет-турбина управляется, но висит ошибка. Некоторым-не везет. Машина не едет)))Т.е. есть шанс на разборке найти по приемлемой цене электронную часть? А сколько ценник примерно, узнайте если не сложно кто покупал, а то барыги незнающим любят ценники накручивать. Ссылка на комментарий Поделиться на другие сайты Поделиться
Foblas Опубликовано 9 июля, 2013 Жалоба Поделиться Опубликовано 9 июля, 2013 А вакуум на электромагнитный клапан приходит вообще? Мог сломаться тройник справа от топливного фильтра либо слететь трубка с вакуумного ресивера, он там же, пощумайте по трубкам от тройника. Ссылка на комментарий Поделиться на другие сайты Поделиться
Модератор Citrin Опубликовано 9 июля, 2013 Модератор Жалоба Поделиться Опубликовано 9 июля, 2013 Цена на б.у. в Минске- примерно 80$ Ссылка на комментарий Поделиться на другие сайты Поделиться
dark-al Опубликовано 10 июля, 2013 Жалоба Поделиться Опубликовано 10 июля, 2013 (изменено) А вакуум на электромагнитный клапан приходит вообще? Мог сломаться тройник справа от топливного фильтра либо слететь трубка с вакуумного ресивера, он там же, пощумайте по трубкам от тройника.Приходит, но слабый, недостаточный для доставания штока. Также на электромагнитный клапан приходит напряжение, около 14В, когда газуешь, то падает до ~12В.Цена на б.у. в Минске- примерно 80$Спасибо за подсказку, буду звонить по разборкам. Изменено 10 июля, 2013 пользователем dark-al Ссылка на комментарий Поделиться на другие сайты Поделиться
Foblas Опубликовано 10 июля, 2013 Жалоба Поделиться Опубликовано 10 июля, 2013 так если на электромагнитный клапан приходит херовый вакуум как новый аккуатор на турбе поможет решить эту проблему? поделитесь со мной. Либо, что скорее всего, вы меня не поняли правильно. Ссылка на комментарий Поделиться на другие сайты Поделиться
dark-al Опубликовано 10 июля, 2013 Жалоба Поделиться Опубликовано 10 июля, 2013 (изменено) так если на электромагнитный клапан приходит херовый вакуум как новый аккуатор на турбе поможет решить эту проблему? поделитесь со мной. Либо, что скорее всего, вы меня не поняли правильно.Немного не так выразился. На сам клапан приходит нормальный вакум, после него слабый. Снял сегодня датчик с актуатора и оказалось, что если его совсем немного "закрыть" (шток на датчике), то тут же сопротивление падает в 0. На заведенной машине сделали так: постоединили манометр на выход с электромагнитного калапана и чуть надавили на шток датчика с актуатора и сразу пропадает вакум с выхода электромагнитного клапана. В общем можно сделать вывод о том, что датчик актуатора не рабочий. Сопротивление должно меняться плавно, а при полностью открытом штоке вакум должен идти на максимум, чего не происходит. Citrin был прав. Изменено 10 июля, 2013 пользователем dark-al Ссылка на комментарий Поделиться на другие сайты Поделиться
dark-al Опубликовано 13 июля, 2013 Жалоба Поделиться Опубликовано 13 июля, 2013 (изменено) Поменял датчик на турбе - сразу не поехала, нужно было клему скинуть, видимо мозги запоминают начальное положение штока по сопротивлению. На датчике сопротивление меняется от 1 до 5 (кОм что-ли точно не помню предел). Всем спасибо, проблема решена, машина поехала в дальнюю дорогу. Изменено 14 июля, 2013 пользователем dark-al Ссылка на комментарий Поделиться на другие сайты Поделиться
Foblas Опубликовано 14 июля, 2013 Жалоба Поделиться Опубликовано 14 июля, 2013 Отдай старый на трепанацию и подбор аналогов, если не жалко Отправлено с моего HTC Sensation через Tapatalk Ссылка на комментарий Поделиться на другие сайты Поделиться
dark-al Опубликовано 14 июля, 2013 Жалоба Поделиться Опубликовано 14 июля, 2013 Отдай старый на трепанацию и подбор аналогов, если не жалко Отправлено с моего HTC Sensation через Tapatalk Не жалко, но сейчас не в Минске. Буду к концу месяца. Ссылка на комментарий Поделиться на другие сайты Поделиться
sergej-ka Опубликовано 12 августа, 2013 Жалоба Поделиться Опубликовано 12 августа, 2013 Может кто разбирающийся в клапанах мне поможет... Тестил на днях вакуумную систему на предмет утечек и потихоньку дошел до электроклапанов. Вот и тут и возникло несколько вопросов: 1. В машине 5 клапанов: на турбину, на свирл, на мех. клапан ЕГР и 2 на пневмодозаторы. Так вот, 3 из них (турбина, свирл и верхний пневмодозатор) имеют связь с атмосферой в виде отдельного выхода с фильтром, а остальные два (клапан ЕГР и нижний пневмодозатор) не имеют такой связи. Вопрос: почему так? Для чего нужна связь с атмосферой? Почему клапан верхнего пневмодозатора связан с ней, а клапан нижнего - не связан? 2. Разобрал один из клапанов (ЕГР заглушен, поэтому есть ненужный клапан). Увидел 2 пружинки разные по диаметру и жесткости, мембрану с двумя отверстиями (центральным большим и боковым маленьким), "шапочку" с резиновым дном и некий механизм в неразборной части корпуса. Долго крутил-вертел, но так и не понял, как клапан дозирует поступление воздуха из атмосферы в вакуум исполнительного механизма, не завоздушивая при этом всю вакуумную систему. Кто-нибудь знает детальный механизм работы сего девайса? 3. Далее я искал утечку в системе. Насос создает разряжение -0,09 МПа, вся система при заведенном двигателе показывает -0,07 МПа, т.е. есть элемент, стравливающий вакуум. Постепенно сужая круг поиска дошел до ЭВК турбины. Подавал вакуум к нему напрямую с насоса, при этом оставив подачу на исполнительный элемент и связь с атмосферой. Глушу мотор - вакуум уходит моментально. Собираю всю систему (усилитель тормозов, ресивер и пр.), глушу мотор - вакуум падает с -0,07 МПа до нуля за 4.30-4.50 минуты. При этом в клапане слышно стрекотание, а на корпус передается легкое вибрирование. Как только вакуум уходит - клапан перестает стрекотать. Потом я глушил связь с атмосферой и пробовал кататься - машина становится овощем и выбивает ошибку Р0246 - давление наддува меньше заданного. Значит связь клапана с атмосферой все-таки нужна для нормальной работы турбины. Кто-нибудь знает достоверную методику тестирования данного клапана? Что на какой выход подключать, а что глушить? Спасибо! Ссылка на комментарий Поделиться на другие сайты Поделиться
Рекомендуемые сообщения