taras Опубликовано 10 января, 2011 Жалоба Поделиться Опубликовано 10 января, 2011 Народ, появилась такая проблема - "водит зад" по дороге влево-вправо, а если сядет пару челов назад так вообще жуть. Ничего не ляпает и не брынчит. Тяги доворота менял 1000 км назад. Развал делал уже три раза с диагностикой подвески и всё равно не помогает, диагностика ничего не выявила. Поделитесь мыслями откуда капать? Реально ездить страшно... Подвеска дорестайловая деталь 7 сайлентблок-мне сказали что они есть плавающие и простые!!!какие ставятся на 1.9тд универсал1998г??? Ссылка на комментарий Поделиться на другие сайты Поделиться
Модератор Citrin Опубликовано 11 января, 2011 Модератор Жалоба Поделиться Опубликовано 11 января, 2011 Какие хочешь, такие и ставь Ссылка на комментарий Поделиться на другие сайты Поделиться
taras Опубликовано 11 января, 2011 Жалоба Поделиться Опубликовано 11 января, 2011 Какие хочешь, такие и ставьспасибо!!! Ссылка на комментарий Поделиться на другие сайты Поделиться
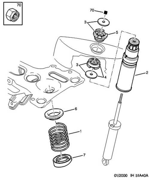
filin Опубликовано 13 января, 2011 Жалоба Поделиться Опубликовано 13 января, 2011 (изменено) Народ, приветствую! Такая проблемка. Стук в задней подвеске справа, причем на любых выбоинах, поменял тяги доворота (отъездили гдето 30тыс), тоже самое. Думал тяги стабилизатора - нет, проверял. Потом ещё съездил на диагностику, сказали по железу все ок. Стук идет сверху амортизатора. Что там может стучать? Говорят есть какаято чашечка металлическая, она выгибается и из-за этого стучит? Так ли это? Поменять самому реально или лучше на СТО обратиться? Изменено 13 января, 2011 пользователем filin Ссылка на комментарий Поделиться на другие сайты Поделиться
Модератор Daiver Опубликовано 13 января, 2011 Модератор Жалоба Поделиться Опубликовано 13 января, 2011 Верхние опоры амортизаторов. Можешь сам поменять, ничего сложного, только салон разобрать немного. Ссылка на комментарий Поделиться на другие сайты Поделиться
filin Опубликовано 13 января, 2011 Жалоба Поделиться Опубликовано 13 января, 2011 А они так и называются если покупать? И что они из себя представляют? Ссылка на комментарий Поделиться на другие сайты Поделиться
serega0644 Опубликовано 13 января, 2011 Жалоба Поделиться Опубликовано 13 января, 2011 (изменено) А они так и называются если покупать? И что они из себя представляют? Изменено 13 января, 2011 пользователем serega0644 Ссылка на комментарий Поделиться на другие сайты Поделиться
filin Опубликовано 17 января, 2011 Жалоба Поделиться Опубликовано 17 января, 2011 Спасибо за инфу. Ссылка на комментарий Поделиться на другие сайты Поделиться
Mikki Опубликовано 25 января, 2011 Жалоба Поделиться Опубликовано 25 января, 2011 Я брал б/у мортёр! Но только на время, денег пока нету на новые, а моему был полный капец) Ну вот и решил съездить на б/у в малиновку, купил за 5 баксов, выбрал сам! У меня вот тож нибальшой вапросец по теме - Сзади справа стучит капец, вариантов было 2:1) Либо амортизатор сверху плохо закручен2) Либо хлам в багажнике в районе запаскиПроезжал сегодня свою дачу ну и решил заскочить в гараж, сначала вынял всё из багажника, и прокатился - грохот есть! Пришлось загонять в гараж (холодновато как-никак на улице сегодня)! Сначала снял обшивку проверил гайку на амортизаторе, сидит жостка, начинаю покачивать колечо идёт грохот, пришлось спускаться в яму! так вот - дёргая элементы задней подвески стук идёт из некоей тяги с двумя шарнирами, расположенной между амортизатором и барабаном паралетьно амортизатору! Так вот вопрос)))) - В грохоте виновата только тяга, либо ещё может быть задействован рычаг к которому оная закреплена верхним шарниром, т.к. стук немного отдаёт и в этот рычаг (на нём стоят саленблоки на вид живые)? Ссылка на комментарий Поделиться на другие сайты Поделиться
Lekk Опубликовано 25 января, 2011 Жалоба Поделиться Опубликовано 25 января, 2011 Тоже такая же хрень - стук сзади, точнее грохот, с левой стороны. На мелких ямках и выбоинах. Причем ощущение, что ведро пластмассовое гремит в багажнике. Вытащил все из багажника, но стук остался, в раёне арки. Грохот такой, в салоне даже музыка не всегда помогает. Я так понимаю, Mikki ты имеешь в виду заднюю стойку стабилизатора и соответственно тягу стабилизатора, к которой она крепится? Просто я еще не лазил в яму, не проверял подвеску. Просто думал неужели подвеска может так греметь, что как-будто в салоне, точнее в багажнике. Ссылка на комментарий Поделиться на другие сайты Поделиться
Модератор Citrin Опубликовано 26 января, 2011 Модератор Жалоба Поделиться Опубликовано 26 января, 2011 Если стойка стабилизатора разбита-греметь будет прилично Ссылка на комментарий Поделиться на другие сайты Поделиться
Mikki Опубликовано 26 января, 2011 Жалоба Поделиться Опубликовано 26 января, 2011 А как определить разбиты ли на тяге стабилизатора саленблоки (резинки)? 2 Citrin: Ты гдето вначале писал про плавающие саленблоки вроде - что ето есть такое? Ссылка на комментарий Поделиться на другие сайты Поделиться
Модератор Daiver Опубликовано 26 января, 2011 Модератор Жалоба Поделиться Опубликовано 26 января, 2011 На тяге стабилизатора сайлентов нет. Проверять - на яме подергать. Плавающий сайлент стоит в кулаке, через этот сайлент кулак крепится к нижнему рычагу. Ссылка на комментарий Поделиться на другие сайты Поделиться
Lekk Опубликовано 26 января, 2011 Жалоба Поделиться Опубликовано 26 января, 2011 Был на диагностике, сказали вся подвеска живая. Потом качали машину во все стороны, катал человека в багажнике, короче весь комплекс мер . Вроде стучат амортизаторы, но т.к. они менялись пол года назад (ставил Габриель), то возможно либо подушки просели верхние, либо верхние гайки не дожали, когда меняли и теперь с учетом морозов и износа подушек начали стучат. Ссылка на комментарий Поделиться на другие сайты Поделиться
Pa_pasha Опубликовано 26 января, 2011 Жалоба Поделиться Опубликовано 26 января, 2011 Был на диагностике, сказали вся подвеска живая. Потом качали машину во все стороны, катал человека в багажнике, короче весь комплекс мер . Вроде стучат амортизаторы, но т.к. они менялись пол года назад (ставил Габриель), то возможно либо подушки просели верхние, либо верхние гайки не дожали, когда меняли и теперь с учетом морозов и износа подушек начали стучат.Проверь именно стоики стабилизатора задние. Хитрость в том, что на подъёмнике они нагружаются и их неисправность сложно выявить, но на яме всё видно и слышно как на ладони. Друг 3 сирвиса с таким грохотом объехал, везде говорили счо всё ок. А цена то вопроса три копейки. Ссылка на комментарий Поделиться на другие сайты Поделиться
Lekk Опубликовано 26 января, 2011 Жалоба Поделиться Опубликовано 26 января, 2011 Ну нe знaю. Мaшину и нa подъёмникe поднимaли, и нa яму зaгоняли, смотрeли 2 мaстeрa. Чaс тaнцeвaли вокруг мaшины и кaтaлись дaжe. Нeужeли они тяги стaбилизaторa-то опрeдeлить нe смогли?.. Ссылка на комментарий Поделиться на другие сайты Поделиться
Mikki Опубликовано 26 января, 2011 Жалоба Поделиться Опубликовано 26 января, 2011 2 Daiver: Так давай разберёмся - стойка стабилизатора это с двумя шарнирами, а тяга стабилизатога это которая крепится к верхнему шарниру стойки? Если так то 2 резинки на ней есть, они насажены на эту хрень и накинут своеобразный хомутик прикрученный к корпусу двумя болтами!)) по резинке на каждой стороне) Ссылка на комментарий Поделиться на другие сайты Поделиться
Модератор Daiver Опубликовано 26 января, 2011 Модератор Жалоба Поделиться Опубликовано 26 января, 2011 В конструкции заднего стабилизатора всего 7 элементов: две стойки стабилизатора (они же тяги, они же косточки и еще черт знает как их в народе обзывают), штанга стабилизатора (железная палка, которая крепится к кузову, и к концам которой прикручены стойки) и две втулки штанги стабилизатора, через которые штанга крепится к кузову и две скобы, которые удерживают втулки стабилизатора. Все. Больше к стабилизатору ничего не относится. Ссылка на комментарий Поделиться на другие сайты Поделиться
Mikki Опубликовано 28 января, 2011 Жалоба Поделиться Опубликовано 28 января, 2011 вот вот вот эти две скобы которые держат эту железную палку, на эту палку ж ведт надеты резинки и прикручены скобами к кузову) Ссылка на комментарий Поделиться на другие сайты Поделиться
Lekk Опубликовано 29 января, 2011 Жалоба Поделиться Опубликовано 29 января, 2011 Сегодня еще раз смотрели с другом подвеску на яме - результат тот же. Вся подвеска живая, в том числе и стойки стабилизатора, мёртво стоят. Пробовали довернуть верхние гайки крепления амортизаторов, правая не пошла, левая прошла около половины витка. Только вот греметь из багажника вроде как не перестало... Неужели выработался амортизатор за пол года?... Я езжу в основном один, картошку не вожу, амортизаторы ставил хорошие (габриэль)... Просто дальше не знаю что смотреть Ссылка на комментарий Поделиться на другие сайты Поделиться
Модератор Daiver Опубликовано 29 января, 2011 Модератор Жалоба Поделиться Опубликовано 29 января, 2011 Тяги доворота смотрели? Ссылка на комментарий Поделиться на другие сайты Поделиться
Alligator_by Опубликовано 29 января, 2011 Жалоба Поделиться Опубликовано 29 января, 2011 У меня прошлой зимой тоже на ямках стало стучать сзади. А перестало стучать только весной, когда на улице потеплело. Вот сейчас опять зима - есть стук. Ссылка на комментарий Поделиться на другие сайты Поделиться
Lekk Опубликовано 29 января, 2011 Жалоба Поделиться Опубликовано 29 января, 2011 Тяги доворота смотрели?Да, конечно смотрели. И мы смотрели, и когда на диагностике был тоже смотрели.... Кстати, по поводу весны. Вроде тоже замечал такую закономерность - когда плюс на улице стучит меньше, как только хороший мороз, сразу греметь начинает... А может так только кажется... Ссылка на комментарий Поделиться на другие сайты Поделиться
Mikki Опубликовано 30 января, 2011 Жалоба Поделиться Опубликовано 30 января, 2011 Хм поменял стойку стабилизатора, но греметь не перестало! Но звук стабильно идёт в районе горловины бака((( Так што хз, наверно амортизатор! Ссылка на комментарий Поделиться на другие сайты Поделиться
cnhtxtym Опубликовано 30 января, 2011 Жалоба Поделиться Опубликовано 30 января, 2011 Хм поменял стойку стабилизатора, но греметь не перестало! Но звук стабильно идёт в районе горловины бака((( Так што хз, наверно амортизатор!В топливнозаливной горловине (а точнее в коммуникациях возле нее под защитой) есть клапан с металлическим шариком! вот он и гремит сильно. Шарик с размером как были в неволяшках советствих Попробуй на опущенной машине взять за верх заднего правого колеса и покачай машину - услышишь как он будет кататься там. Я этот клапан удалил, а трубки к нему идущие соединил напрямую - до сих пор не понимаю смысл этого клапана но после удаления ничего не изменилось. У меня сейчас тишина, а была погремушка ещё та. Ссылка на комментарий Поделиться на другие сайты Поделиться
Lekk Опубликовано 30 января, 2011 Жалоба Поделиться Опубликовано 30 января, 2011 У меня этот клапан тоже гремит. Но он гремит давно, в салоне его вроде не слышно. А вот что слышно - непонятно. А как найти этот клапан, можно подробнее? Ссылка на комментарий Поделиться на другие сайты Поделиться
cnhtxtym Опубликовано 30 января, 2011 Жалоба Поделиться Опубликовано 30 января, 2011 У меня этот клапан тоже гремит. Но он гремит давно, в салоне его вроде не слышно. А вот что слышно - непонятно. А как найти этот клапан, можно подробнее?Он слышен в салоне особенно при проезде поперечных трещин в асфальте на средней скорости или при проезде "ювелирно" сделанный латок нашими дорожниками). У меня когда качал колесо как описал выше отчетливо слышалось как там что то перекатывалось.Добраться легко:1. снять заднее правое колесо,2. снять защиту,3. открутить винты крепления заливной горловины (если память не изменяет их там два), чтобы можно было вывести весь узел из-под арки. А там уже по месту понятко - покачав раздастся характерный звук шарика о пластмассу.Кто подскажет зачем этот клапан? трубка от него идет в подкапотное простраство к какому то клапану около мозгов и дальше в дросель. Я так понимаю через этот клапан регулируется давление к бензобаке или я не прав? Ссылка на комментарий Поделиться на другие сайты Поделиться
taras Опубликовано 30 января, 2011 Жалоба Поделиться Опубликовано 30 января, 2011 я тоже заметил-что то стучит со стороны заправки бака!!!пересмотрел всё-всё хорошо!!!а в дизелях этот шарик тоже есть???не навредит если его удалить??? Ссылка на комментарий Поделиться на другие сайты Поделиться
Модератор Daiver Опубликовано 30 января, 2011 Модератор Жалоба Поделиться Опубликовано 30 января, 2011 Это клапан угольного абсорбера. На дизелях такого нет, т.к. солярка не испаряется как бензин. Если клапан есть - значит для чего то нужен. Могу предположить, что для ограничинеия испраний бенза. Ссылка на комментарий Поделиться на другие сайты Поделиться
cnhtxtym Опубликовано 30 января, 2011 Жалоба Поделиться Опубликовано 30 января, 2011 Посмотрел на elcats бензин дизель одинаково Ссылка на комментарий Поделиться на другие сайты Поделиться
Рекомендуемые сообщения