slonenok1980 Опубликовано 13 декабря, 2009 Жалоба Поделиться Опубликовано 13 декабря, 2009 Мужики, сломалась пластмассина заслонки. Может кто знает, что это за заслонка и для чего она нужна? Вроде как на работу двигателя(холодный/горячий) она не влияет. Так и езжу... 607 2,2 HDI, 2002 На повышенных оборотах она открывается или закрывается, зависит от прошивки. Вообще люди писали, когда у них на эту заслонку шток ломался, машина тупила на 100у меня тоже сломана.и ничего .продел проволочку за тягу и за заслонку и никаких проблем.. Ссылка на комментарий Поделиться на другие сайты Поделиться
Toretto Опубликовано 13 декабря, 2009 Жалоба Поделиться Опубликовано 13 декабря, 2009 - без кольца подобно шестой передачезначит у меня ML5T Ссылка на комментарий Поделиться на другие сайты Поделиться
Hitman Опубликовано 13 декабря, 2009 Жалоба Поделиться Опубликовано 13 декабря, 2009 Делал на ул. Севастопольской. Я уже не знаю виноват ли кто, но факт в том, что ошибка выскакивает, хотя все процедуры (и регенерацию, и усвоение) делали при мне. После каждой процедуры я выезжал на кольцевую, через 2-5 минут езды по кольцевой ошибка выскакивала снова. Чистку сажевого фильтра и доливку иолиса делали пару недель назад. А катался только по Минску. Так, что ниче не понятно... Надо вырезать, тогда надеюсь проблем не будет...Привет.я вырезал в Могилеве за 250 американских рублей с перепрошивкой мозгов.если надо могу дать телефон.Зовут Александр 7478520.Уже 3 месяца как вырезал так проблем не знаю. Ссылка на комментарий Поделиться на другие сайты Поделиться
prid Опубликовано 14 декабря, 2009 Жалоба Поделиться Опубликовано 14 декабря, 2009 Кто менял передние аммортизаторы..., что ставили? Где наиболее приемлемая цена? Ссылка на комментарий Поделиться на другие сайты Поделиться
Dantes Опубликовано 14 декабря, 2009 Жалоба Поделиться Опубликовано 14 декабря, 2009 Кто менял передние аммортизаторы..., что ставили? Где наиболее приемлемая цена? Менял правый на Сифе. Чуть больше 100 долларов. Левый дешевле. За работу в районе 130-140 тыс. Ссылка на комментарий Поделиться на другие сайты Поделиться
prid Опубликовано 14 декабря, 2009 Жалоба Поделиться Опубликовано 14 декабря, 2009 Менял правый на Сифе. Чуть больше 100 долларов. Левый дешевле. За работу в районе 130-140 тыс.Саш, это как- левый чуть дешевле...? от чего зависит стоимость...?А что за марка аммо? в принципе цена адекватная...столько же и Сакс стоит. Ссылка на комментарий Поделиться на другие сайты Поделиться
Dantes Опубликовано 14 декабря, 2009 Жалоба Поделиться Опубликовано 14 декабря, 2009 Менял правый на Сифе. Чуть больше 100 долларов. Левый дешевле. За работу в районе 130-140 тыс.Саш, это как- левый чуть дешевле...? от чего зависит стоимость...?А что за марка аммо? в принципе цена адекватная...столько же и Сакс стоит. Как мне объянили (но не на Сифе), правые чаще выходят из строя ввиду худшего состояния краев дороги и цепляния обочин. Левые в более комфортных условиях находятся. Марку не знаю, упаковка была Пежо-Цитрамон. Какие-то оригинальные, Сиф левак толкать не будет, они же гарантию дают.А что у тебя с аммо? Ссылка на комментарий Поделиться на другие сайты Поделиться
prid Опубликовано 14 декабря, 2009 Жалоба Поделиться Опубликовано 14 декабря, 2009 А что у тебя с аммо?Да приехал на сход развал (тот что на Либкнехта в Минске)....а там мне говорят, что перед делать нет смысла- умерли аммопри этом вывесив поочередно стойки и пару раз покачав их в вертикальном положении-отчего сразу выявился резкий стук... я то и сам его примечал...но все больше грешил на шаровою А барабанит больше как раз левый...но менять то все равно оба нужно Ссылка на комментарий Поделиться на другие сайты Поделиться
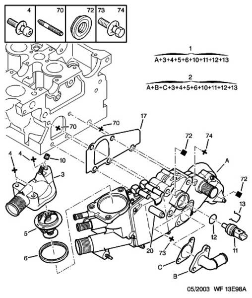
santtt Опубликовано 14 декабря, 2009 Жалоба Поделиться Опубликовано 14 декабря, 2009 Может кто скинет фотку, где находится термостат? Как его снять, можно ли самому и приблизительная стоимость, если можно. Спасибо... Ссылка на комментарий Поделиться на другие сайты Поделиться
Модератор Citrin Опубликовано 14 декабря, 2009 Модератор Жалоба Поделиться Опубликовано 14 декабря, 2009 Разберешься? На Сифтрансе : 0000133823 ТЕРМОСТАТ 75 260 рублей. На всякий случай -номер 5 на картинке Ссылка на комментарий Поделиться на другие сайты Поделиться
TCooL Опубликовано 15 декабря, 2009 Жалоба Поделиться Опубликовано 15 декабря, 2009 Может кто менял масло в коробке,сам, коробка MLT5, поделитесь опытом!расскажешь, сколько слил и сколько влезет...что думаешь заливать? Слил примерно 1, 40 , залил Areca 75w80 - 1.85 л Ссылка на комментарий Поделиться на другие сайты Поделиться
santtt Опубликовано 15 декабря, 2009 Жалоба Поделиться Опубликовано 15 декабря, 2009 Разберешься? На Сифтрансе : 0000133823 ТЕРМОСТАТ 75 260 рублей. На всякий случай -номер 5 на картинке Спасибо, купил на жданах 25$, сказали оригинал, получается то же самое, что и на Сифе. Ссылка на комментарий Поделиться на другие сайты Поделиться
santtt Опубликовано 15 декабря, 2009 Жалоба Поделиться Опубликовано 15 декабря, 2009 Снял сегодня панель климы и панель со спидометром. С панелью климы все получилось, лампочки заменил и все ОК. Начал смотреть лампочки на спидомтре,- все целые. Немного раастроился, что дело не в лампочках. Получается подсвечивается только левая половина панели приборов, правая половина - спидометр и температура топлива не горит.... Может кто-нибудь знает, че сделать, чтоб заработала подсветка? Ссылка на комментарий Поделиться на другие сайты Поделиться
Модератор Citrin Опубликовано 15 декабря, 2009 Модератор Жалоба Поделиться Опубликовано 15 декабря, 2009 Спасибо, купил на жданах 25$, сказали оригинал, получается то же самое, что и на Сифе.А что на твоем оригинале с Жданов написано?Начал смотреть лампочки на спидомтре,- все целые. Немного раастроился, что дело не в лампочках. Получается подсвечивается только левая половина панели приборов, правая половина - спидометр и температура топлива не горит.... Может кто-нибудь знает, че сделать, чтоб заработала подсветка?Просто так ничего не бывает, смотри внимательно. Ссылка на комментарий Поделиться на другие сайты Поделиться
Gebels Опубликовано 16 декабря, 2009 Жалоба Поделиться Опубликовано 16 декабря, 2009 Мля, с ЗИМОЙ ВСЕХ Короче, утром завелся нормально, ну не совсем конечно как всегда, но с первого раза... Но выбило ошибку Аир-Бэгов, что енто такое?! Ссылка на комментарий Поделиться на другие сайты Поделиться
black Опубликовано 16 декабря, 2009 Жалоба Поделиться Опубликовано 16 декабря, 2009 Мля, с ЗИМОЙ ВСЕХ Короче, утром завелся нормально, ну не совсем конечно как всегда, но с первого раза... Но выбило ошибку Аир-Бэгов, что енто такое?!Не знаю в чем проблема, но в ситроене saxo тоже загорелась ошибка подушек, через некоторое время погасла сама собой.Свою же пежо не трогаю, так как с утра завелась без проблем, но с очень не приятным звуком двигателя, сразу же заглушил и больше не трогаю, буду ждать пока потеплеет хотя бы до -12 Ссылка на комментарий Поделиться на другие сайты Поделиться
Claster Опубликовано 16 декабря, 2009 Жалоба Поделиться Опубликовано 16 декабря, 2009 Мля, с ЗИМОЙ ВСЕХ Короче, утром завелся нормально, ну не совсем конечно как всегда, но с первого раза... Но выбило ошибку Аир-Бэгов, что енто такое?!Была и у меня вчера выскочила с утра после ночлежки, потом пропала. Сегодня не появлялась, но в -22 сегодня завёлся на своём hdi с раза 4-5 Хотя вчера при -17 с первого и без проблем. Ссылка на комментарий Поделиться на другие сайты Поделиться
Модератор Citrin Опубликовано 16 декабря, 2009 Модератор Жалоба Поделиться Опубликовано 16 декабря, 2009 Но выбило ошибку Аир-Бэгов, что енто такое?!У меня тоже ошибка эта вылезла, после прогрева и повторной заводки-пропадает Ссылка на комментарий Поделиться на другие сайты Поделиться
Steel Опубликовано 16 декабря, 2009 Жалоба Поделиться Опубликовано 16 декабря, 2009 Но выбило ошибку Аир-Бэгов, что енто такое?!У меня тоже ошибка эта вылезла, после прогрева и повторной заводки-пропадаети у меня сегодня вылезла такая ошибка, пока заводить больше не пробовалдатчик какой-то замерзает или что? Ссылка на комментарий Поделиться на другие сайты Поделиться
Claster Опубликовано 16 декабря, 2009 Жалоба Поделиться Опубликовано 16 декабря, 2009 У меня тоже ошибка эта вылезла, после прогрева и повторной заводки-пропадаетДа, точно такие же действия помогли и в моём случае. Ссылка на комментарий Поделиться на другие сайты Поделиться
Toretto Опубликовано 16 декабря, 2009 Жалоба Поделиться Опубликовано 16 декабря, 2009 и у меня сегодня вылезла такая ошибка датчик какой-то замерзает или что? и у меня, доехал на работу заглушил, завел ошибки нет...полдня катался уже не появлялась...Поглядим, завтра с утреца... Ссылка на комментарий Поделиться на другие сайты Поделиться
beerkut Опубликовано 16 декабря, 2009 Жалоба Поделиться Опубликовано 16 декабря, 2009 замерзает модуль автолив, что управляет подушками.... стоит в салоне и пока не согреется ему некомфортно... Ссылка на комментарий Поделиться на другие сайты Поделиться
Toretto Опубликовано 16 декабря, 2009 Жалоба Поделиться Опубликовано 16 декабря, 2009 замерзает модуль автолива по конкретнее, где он стоит собака? :blink: салон большой Ссылка на комментарий Поделиться на другие сайты Поделиться
Eagle Опубликовано 16 декабря, 2009 Жалоба Поделиться Опубликовано 16 декабря, 2009 Ошибка подушек у всех повылазила оказывается Подскажите как разморозить бочек омывателя без его снятия? просто позавчера моторчик гудел, но ничего не лилось на стекло, случайно залил воды вместо спирта, т.к. не было нормального омывателя начало пырскаться на стекло, воду как мог затем откачал при помощи большого шприца и шланга от капельницы вчера купил омыватель - залил, а эффекта 0. в придачу, когда нажимаешь на рычаг - нет гудения моторчика то ль замерз, то ль сгорел вчера... но думаю, что замерз скорее всего. На предыдущих машинах бочек оттаивал при езде - от тепла двигателя, а в этой блчек где-то под крылом, как я понял, тепло до него не доходит... так есть ли способ его растопить? Ссылка на комментарий Поделиться на другие сайты Поделиться
santtt Опубликовано 16 декабря, 2009 Жалоба Поделиться Опубликовано 16 декабря, 2009 А у меня на 607 HDI ошибка айрбэков не выскочила, может быть потому, что я не завелся вообще, только аккуму посадил. Хотя вчера завелась с первого раза... Ссылка на комментарий Поделиться на другие сайты Поделиться
santtt Опубликовано 16 декабря, 2009 Жалоба Поделиться Опубликовано 16 декабря, 2009 Слышал, что чтобы дизтопливо не замерзало нужно пару литриков бензина влить? Это правда? Чем это для HDI грозит? Ссылка на комментарий Поделиться на другие сайты Поделиться
Steel Опубликовано 16 декабря, 2009 Жалоба Поделиться Опубликовано 16 декабря, 2009 для обычного дизеля правда, а вот в HDI не осмелился лить керасин и бензин, залил присадку кастрол Ссылка на комментарий Поделиться на другие сайты Поделиться
prima Опубликовано 16 декабря, 2009 Жалоба Поделиться Опубликовано 16 декабря, 2009 А у меня на 607 HDI ошибка айрбэков не выскочила, может быть потому, что я не завелся вообще, только аккуму посадил. Хотя вчера завелась с первого раза...А у меня выскочила "брейк систем дефектид". Что это? Но как только завелась, все пропало Ссылка на комментарий Поделиться на другие сайты Поделиться
Eagle Опубликовано 16 декабря, 2009 Жалоба Поделиться Опубликовано 16 декабря, 2009 Кстати, еще вопрос. Машина на холостых вибрирует. Причем на холодную эта вибрация весьма ощутимая. При движении она не чувствуется. Но когда останавливаешься - чувствуется, даже видно как дрожит зеркало заднего вида. А иногда после прогрева двигателя пропадает совсем... Никто не сталкивался? Ссылка на комментарий Поделиться на другие сайты Поделиться
Valdemar Опубликовано 16 декабря, 2009 Жалоба Поделиться Опубликовано 16 декабря, 2009 Спасибо, купил на жданах 25$, сказали оригинал, получается то же самое, что и на Сифе.только на Сифе действительно купишь оригинал, а на жданах вероятнее оригинального производителя (в данном случае видимо Gates, стоящий на экзист 15$)... заметил всю продукцию SNR продавцы почему-то называют оригиналом Ссылка на комментарий Поделиться на другие сайты Поделиться
Рекомендуемые сообщения