Бонифаций Опубликовано 3 июня, 2012 Жалоба Поделиться Опубликовано 3 июня, 2012 А все-таки, как решить проблему с люком? Он у меня тоже проскакивает положение "Закрыто". Может кто-то знает в чем дело. Ссылка на комментарий Поделиться на другие сайты Поделиться
SanderoK Опубликовано 25 сентября, 2012 Жалоба Поделиться Опубликовано 25 сентября, 2012 Ситуация следующая, машина стояла полтора месяца, потом её довели до ума, поездил пару дней и на скорости 120 обгоняя "загорелась панель", тобишь она заглохла, понятное дело отпустив сцепление она завелась и поехала дальше. Добравшись до места назначения почувствовал палёный запах резины(аналогично было с WV B2 как-то до этого, однако продал и не в курсе как вопрос решился). По итогу за день машина "умерла", на свечах нагар(чёрная пыль), тобишь не сгорает бензин, и когда разгоняешь до км 80-90 начинает дёргаться и глохнуть. Купил свечи поменял, закоптились через 5 минут на холостую. Взял другие провода, аналогичная ситуация. Свентил карбюратор, все каналы продуваются, никаких признаков загрязнения нет. В итоге, купил ремкомплект для карбюратора, новые провода, поменял фильтр топливный(бумажный), новый воздушный фильтр.... и вот терзают меня смутные сомнения, что сегодня всё это собрав, не получится тоже самое. Понимаю что это вопрос из серии "а вдруг война", но хотелось бы знать пока не собрал всё на место, что ещё можно посмотреть. Масло не кушает, вроде уровень в норме, мотор сухой нигде ничего не течёт. Спасибо заранее. Ссылка на комментарий Поделиться на другие сайты Поделиться
SanderoK Опубликовано 25 сентября, 2012 Жалоба Поделиться Опубликовано 25 сентября, 2012 (изменено) смысл таков...сборка ник чему не привела(возможно\скорее всего нужно выставить карб. )...по началу что-то можно было выставлять.... машине не глохла...однако потом подкрутив после прогазовки начала глохнуть.... а когда нагрелась обороты вообще начали плавать как хотят..... карбюратор WEBER 34TLP..... может кто знает тонкости мастерства ???? Есть мысли может это с электроникой что-то.... с искрой беда.... вот и такие вещи творятся.... Изменено 25 сентября, 2012 пользователем SanderoK Ссылка на комментарий Поделиться на другие сайты Поделиться
SanderoK Опубликовано 27 сентября, 2012 Жалоба Поделиться Опубликовано 27 сентября, 2012 (изменено) Вроде всё продулось и заработало с топливной разобрался надеюсь, время покажет.... Однако вопрос таков: - Как-то подозрительно быстро нагревается двигатель, я понимаю что когда "снимали штаны", система завоздушилась....покатавшись и увидев стрелку на 100 гр. я остановился, заглушил машину, открыл пробки и фантаном горячего антифриза аппалил руку..... потом покатался ещё.... уже было просто псссс..... потом ещё....в конечном итоге воздух вышел..я надеюсь. Отсюда вывод, что трубки целые, ни откуда не подсасывает, как бы всё хорошо. Но, учитывая тот момент, что я мог не так прикрутить на место патрубки снимая "карбюратор и штаны очень вполне возможно", т.к первоначально вкрутил не туда тормоза, и педаль была дубовоя, пока два шланга не поменял местами. может кто на словах сможет объяснить куда должны идти патрубки которые относятся к охлаждению двигателя ?!?!?!?! Или фоточку карбюраторного движка 1,4 Изменено 27 сентября, 2012 пользователем SanderoK Ссылка на комментарий Поделиться на другие сайты Поделиться
Edwardd Опубликовано 10 октября, 2012 Жалоба Поделиться Опубликовано 10 октября, 2012 (изменено) Здравствуйте ! =) Давно мне мой пыж не делал мозги))) Пару вопросов возникло, продать уже думаю...) Не хочу по мелочи по мелочи мозги себе делать))Проще на отцовской новой ездить)))Пара вопросов). Раньше бывало, когда авто купил,время от времени не крутил стартер. На холодную почти всегда в легкую крутит и заводится. Поездил... Остановил машину, походил,хоть через сколько подходи в течении получаса, а то и больше - шанс стартер крутнуть минимален.особенно через пару тройку минут,сразу редко схватывает. Включается почему-то вентилятор и все..щелчки, иногда и не бывает. приборка тухнет. Напрямую тоже в основном не хочет крутить, щелчки и все остальное-эффекта ноль. Постояла она,может час,а может больше. крутнул и поехал =) Ныне опять то же самое случилось)Второе, руль =) Держит дорогу отлично..но крутится с трудом =) как на чем-то очень тяжелом,например танке =) на всех пыжиках так без гидрака?Третье, температура работы двигателя. Вентилятор включается на 100 градусах, по моему это многовато. Датчик под замену?Четвертое. Больно много он бензина ест, проехал 170 км датчи был на половине бака,сейчас пустой =) этож что за расход у этого мини Хаммера ?))) датчик может врет?Пыжик у меня карбюратор. 1.6, 90 года. Мне нравится) когда то даже и не думал, что на француза сяду =) Заранее спасибо =) Изменено 30 октября, 2012 пользователем Edwardd Ссылка на комментарий Поделиться на другие сайты Поделиться
PQi Опубликовано 10 октября, 2012 Жалоба Поделиться Опубликовано 10 октября, 2012 Второе, руль =) Держит дорогу отлично..но крутится с трудом =) как на чем-то очень тяжелом,например танке =) на всех пыжиках так без гидрака?<br style="color: rgb(28, 40, 55); font-size: 13px; line-height: 19px; background-color: rgb(250, 251, 252); "> Руль должен вращаться легко, проблема может быть в опорных подшипниках, бывают еще умники при люфте рейки ее затягивают, кстати люфт рулевого колеса есть? Четвертое. Больно много он бензина ест, проехал 170 км датчи был на половине бака,сейчас пустой =) этож что за расход у этого мини Хаммера ?))) Я меня на 405 1.9Б 87г.в. карбюратор Solex расход был 7-8 л в смешанном. Третье, температура работы двигателя. Вентилятор включается на 100 градусах, по моему это многовато. Датчик под замену? Как вариант неисправен датчик температуры на блоке, датчик включения вентилятора, но я бы проверил сразу исправность термостата. Если есть возможность измерь температуру блока и радиатора термопарой. Ссылка на комментарий Поделиться на другие сайты Поделиться
Edwardd Опубликовано 10 октября, 2012 Жалоба Поделиться Опубликовано 10 октября, 2012 Второе, руль =) Держит дорогу отлично..но крутится с трудом =) как на чем-то очень тяжелом,например танке =) на всех пыжиках так без гидрака?<br style="color: rgb(28, 40, 55); font-size: 13px; line-height: 19px; background-color: rgb(250, 251, 252); "> Руль должен вращаться легко, проблема может быть в опорных подшипниках, бывают еще умники при люфте рейки ее затягивают, кстати люфт рулевого колеса есть? Четвертое. Больно много он бензина ест, проехал 170 км датчи был на половине бака,сейчас пустой =) этож что за расход у этого мини Хаммера ?))) Я меня на 405 1.9Б 87г.в. карбюратор Solex расход был 7-8 л в смешанном. Третье, температура работы двигателя. Вентилятор включается на 100 градусах, по моему это многовато. Датчик под замену? Как вариант неисправен датчик температуры на блоке, датчик включения вентилятора, но я бы проверил сразу исправность термостата. Если есть возможность измерь температуру блока и радиатора термопарой. --- Люфт минимален =) пару миллиметров=) Да...у меня так расход..))надо будет к карбюраторщику гнать) ЗАмена на российский карбешник займет много времени? =) Ссылка на комментарий Поделиться на другие сайты Поделиться
PQi Опубликовано 10 октября, 2012 Жалоба Поделиться Опубликовано 10 октября, 2012 (изменено) А какой у тебя карбюратор? С автоматическим пусковым устройством или ручной (ручка заслонки в салоне)? Weber или Solex? Просто хороших карбюраторщиков уже не осталось. Просто я покупал ремкомплект ВАЗовского и брал из его мембраны, прокладки и эжектора с трубками и перебирал сам, но у меня был Solex Z34/34 двух камерный. Изменено 10 октября, 2012 пользователем PQi Ссылка на комментарий Поделиться на другие сайты Поделиться
Asker Опубликовано 10 октября, 2012 Жалоба Поделиться Опубликовано 10 октября, 2012 Первое,что больше всего доставляет проблем в моем случае - это заводка. На холодную почти всегда в легкую крутит и заводится. Поездил... Остановил машину, походил,хоть через сколько подходи в течении получаса, а то и больше - шанс стартер крутнуть минимален.особенно через пару тройку минут,сразу редко схватывает. Включается почему-то вентилятор и все..щелчки, иногда и не бывает. приборка тухнет. Напрямую тоже в основном не хочет крутить, щелчки и все остальное-эффекта ноль. Постояла она,может час,а может больше. крутнул и поехал =) Из всего этого конечно грешу на стартер,но почему вентилятор включается,даже если радиатор холодный???очень сильно похожи симптомы на западающие щётки стартера (практически изношены), а вентилятор врубается из-за скачка напруги. Ссылка на комментарий Поделиться на другие сайты Поделиться
Edwardd Опубликовано 11 октября, 2012 Жалоба Поделиться Опубликовано 11 октября, 2012 А какой у тебя карбюратор? С автоматическим пусковым устройством или ручной (ручка заслонки в салоне)? Weber или Solex? Просто хороших карбюраторщиков уже не осталось. Просто я покупал ремкомплект ВАЗовского и брал из его мембраны, прокладки и эжектора с трубками и перебирал сам, но у меня был Solex Z34/34 двух камерный. С Ручным подсосом. =) если честно название не знаю точно,какой он)) Ссылка на комментарий Поделиться на другие сайты Поделиться
Edwardd Опубликовано 11 октября, 2012 Жалоба Поделиться Опубликовано 11 октября, 2012 Сегодня снял стартер и отнес в сервис по ремонту,посмотрели его. Сказали что он полностью рабочий...щетки как новые, втулка тоже в очень хорошем состоянии,малюсенький люфт.тааак...теперь нужно думать куда копать... есть еще предположения? Втягивающее может быть? Ссылка на комментарий Поделиться на другие сайты Поделиться
Asker Опубликовано 12 октября, 2012 Жалоба Поделиться Опубликовано 12 октября, 2012 Если плохой контакт во втягивающем, то может быть. Вопрос только, почему, когда стартер горячий идёт такое сильное потребление... А не нипнулся ли "Датчик Холла" в трамблёре и на горячуу не отводит зажигание на позднее для заводки... От него и расход зависит. Ссылка на комментарий Поделиться на другие сайты Поделиться
Edwardd Опубликовано 12 октября, 2012 Жалоба Поделиться Опубликовано 12 октября, 2012 (изменено) Но машина на дороге ведет себя очень хорошо в плане движка. Никаких перебоев,двиг работает ровно и обороты в легкую набирает. Я в первом посте кстати не очень правильно описал наверное. Он не то,что сразу не крутит, он оооочень тяжело прокрутит немного,а потом все,тупо встает. время пройдет немного потом начинает просто обычно крутить. Хотя было пару раз на холодную не особо хорошо крутил,тяжело. Но тут я на аккум уже пиняю. Изменено 12 октября, 2012 пользователем Edwardd Ссылка на комментарий Поделиться на другие сайты Поделиться
Asker Опубликовано 12 октября, 2012 Жалоба Поделиться Опубликовано 12 октября, 2012 А обмотку стартера проверяли? Если лак потрескается, то на горячую может коротить. Ссылка на комментарий Поделиться на другие сайты Поделиться
Edwardd Опубликовано 13 октября, 2012 Жалоба Поделиться Опубликовано 13 октября, 2012 (изменено) Так =) со стартером вроде все=) в общем я через болты на втягивающем брызгнул туда неск раз ВД40, массу всю заново проложил на движок. Все вроде норм. Стартер просто самолет) Изменено 30 октября, 2012 пользователем Edwardd Ссылка на комментарий Поделиться на другие сайты Поделиться
Edwardd Опубликовано 13 октября, 2012 Жалоба Поделиться Опубликовано 13 октября, 2012 (изменено) И еще! Может есть у кого размеры щупа?? у меня он просто голый металл. Отломана крышка я так понял пластиковая. Может есть у кого размеры??? 1.6 карб 1990г.в. 90л.с. Теперь другая хрень появилась. Подмигивать стал СТОП и красный кружок. я Так думаю это наверное масла нехватка?? Или изза чего еще может мигать? Блин,щуп какой-то отломанный у меня стоит. точнее нет пластиковой заглушки и я не могу понять уровень масла какой сейчас и какой должен быть. А тем более больше всего меня поразило то,что там вообще нет отверстия в клапанной крышке для заливки масла =) это еще чо такое)))) Изменено 30 октября, 2012 пользователем Edwardd Ссылка на комментарий Поделиться на другие сайты Поделиться
Romka405 Опубликовано 14 октября, 2012 Жалоба Поделиться Опубликовано 14 октября, 2012 у меня машина масло хавает с аппетитом, постоянно доливаю когда панель сверкает как новогодняя ёлка , щуп тоже голый метал и обломан был, я сделал простую заглушку, на время, пока не поменяю масласьемные колпачки или кольца, не знаю что там выяснится, можно взять старый щуп и зайти на авто-рынок и там подобрать) Ссылка на комментарий Поделиться на другие сайты Поделиться
sergun Опубликовано 14 октября, 2012 Жалоба Поделиться Опубликовано 14 октября, 2012 Так =) со стартером вроде все=) в общем я через болты на втягивающем брызгнул туда неск раз ВД40, массу всю заново проложил на движок. Все вроде норм. Стартер просто самолет) Теперь другая хрень появилась. Подмигивать стал СТОП и красный кружок.я Так думаю это наверное масла нехватка?? Блин,щуп какой-то отломанный у меня стоит. точнее нет пластиковой заглушки и я не могу понять уровень масла какой сейчас и какой должен быть. А тем более больше всего меня поразило то,что там вообще нет отверстия в клапанной крышке для заливки масла =) это еще чо такое))))масло заливается туда где щуп. открутил крышку и налил Ссылка на комментарий Поделиться на другие сайты Поделиться
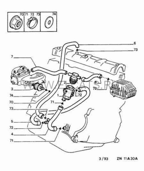
PQi Опубликовано 14 октября, 2012 Жалоба Поделиться Опубликовано 14 октября, 2012 (изменено) Масло заливается через в патрубок вентиляции картерных газов, нужно снять пробку к которой подходит два патрубкаснимаешь пробку под номером 2 и заливаешь в патрубок 1 Изменено 14 октября, 2012 пользователем PQi Ссылка на комментарий Поделиться на другие сайты Поделиться
_FREDDY_ Опубликовано 14 ноября, 2012 Жалоба Поделиться Опубликовано 14 ноября, 2012 (изменено) Доброе всем время суток! Совладельцы четырестопяток, подскажите мне пожалуйста такой момент - когда движок (1.9 бензин, карб Solex) прогревается свыше 70 градусов на холостых оборотах начинает через горловину радиатора поднимать охдаждайку и выливать её, дашь оборотов, уровень жидкости падает. Есть ли вариант того, что это может быть из-за сопливящей крышки термостата? Или система завоздушена? Или же всё-таки проблемы с прокладкой головы или самой головой? Или может ещё с чем-нибудь. Очень нужна ваша помощь. Изменено 14 ноября, 2012 пользователем _FREDDY_ Ссылка на комментарий Поделиться на другие сайты Поделиться
_FREDDY_ Опубликовано 14 ноября, 2012 Жалоба Поделиться Опубликовано 14 ноября, 2012 И еще! Может есть у кого размеры щупа?? у меня он просто голый металл. Отломана крышка я так понял пластиковая. Может есть у кого размеры??? 1.6 карб 1990г.в. 90л.с. Теперь другая хрень появилась. Подмигивать стал СТОП и красный кружок. я Так думаю это наверное масла нехватка?? Или изза чего еще может мигать? Блин,щуп какой-то отломанный у меня стоит. точнее нет пластиковой заглушки и я не могу понять уровень масла какой сейчас и какой должен быть. А тем более больше всего меня поразило то,что там вообще нет отверстия в клапанной крышке для заливки масла =) это еще чо такое)))) Проверь уровень тормозной жидкости. Ссылка на комментарий Поделиться на другие сайты Поделиться
sergun Опубликовано 15 ноября, 2012 Жалоба Поделиться Опубликовано 15 ноября, 2012 Доброе всем время суток! Совладельцы четырестопяток, подскажите мне пожалуйста такой момент - когда движок (1.9 бензин, карб Solex) прогревается свыше 70 градусов на холостых оборотах начинает через горловину радиатора поднимать охдаждайку и выливать её, дашь оборотов, уровень жидкости падает. Есть ли вариант того, что это может быть из-за сопливящей крышки термостата? Или система завоздушена? Или же всё-таки проблемы с прокладкой головы или самой головой? Или может ещё с чем-нибудь. Очень нужна ваша помощь. 1.Исправен ли термостат? похоже на неоткрывающийся. так и до перегрева недалече2.если в системе воздух - греет ли печка. если нет- развоздушить3.при пробитой прокладке (повело голову, тещины) в охлождайке масло, или на щупе налет, или бурбулки в расширитель ну или пар из выхлопной - выбирай сам. печка тоже греть не будет.так шо сначала нуна определиться с симптомами Ссылка на комментарий Поделиться на другие сайты Поделиться
Asker Опубликовано 15 ноября, 2012 Жалоба Поделиться Опубликовано 15 ноября, 2012 плавающий уровень в радиаторе при изменении оборотов - первый признак наличия воздуха в системе охлаждения. Ссылка на комментарий Поделиться на другие сайты Поделиться
_FREDDY_ Опубликовано 15 ноября, 2012 Жалоба Поделиться Опубликовано 15 ноября, 2012 Печка греет, термостат вообще не стоит. В охлаждайке масла вроде нет, но по щупу катаются небольшенькие непонятные капельки. А бурбалки в радиаторе появляются переодически (к примеру раза 1-3 в минуту). Ссылка на комментарий Поделиться на другие сайты Поделиться
Asker Опубликовано 16 ноября, 2012 Жалоба Поделиться Опубликовано 16 ноября, 2012 Когда остывает машина, через трещину в крышке термостата в систему охлаждения проникает воздух, который потом при циркуляции жидкости выходит пузырьками. Но при этом ещё и образуются воздушные пробки в системе, которые выдавливают жидкость при прогреве.Если неисправен клапан в заливной пробке, то жидкость будет выгонять при работающем двигателе, но вакуума в системе охлаждения быть не может, поэтому объём выгнанной жидкости занимает воздух (ещё одна причина образования воздушных пробок).Мутные капли на щупе - наличие воды в масле. Но вода в масло может попадать не только из системы охлаждения, а также через неплотности масляных шлангов и через сам щуп, а также через заливной маслораспределитель (во время остывания двигателя из-за разности температур наружного воздуха и температуры воздуха в двигателе - конденсация воздушных паров). Со снижением температуры наружного воздуха это явление начинает прогрессировать на маслоотбойной сетке в заливной горловине, на которой образуется масло-водяная эмульсия (в простонародье "сметана"). Ссылка на комментарий Поделиться на другие сайты Поделиться
SanderoK Опубликовано 20 ноября, 2012 Жалоба Поделиться Опубликовано 20 ноября, 2012 Опишу серию вопросов возникающих с машиной которой в целом более чем доволен, однако начинает утомлять всё это потиху. Пежо 405 1.4 Бензин 87г. 1. Шёл сильный нагар на свечи, нашёл рем.комплект снял карбюратор(weber 34 tlp 3) прочистил поставил жиклёры, прокладки все новые, но увеличился расход, это заметно по более частым посещением заправки. Летом даже в тёплую погоду нужно, что бы машина отработала на подкачке пару тройку минут и потом погазовать педалью, что бы система нагрелась и она не глохла. Вопрос нужен толковый карбюраторщик для настройки или ещё какие-то могут быть причины ?!? 2. Лью антифриз как в дырявое ведро(1л. на 1000км- в среднем), патрубки подтекают и даже возле педали газа в салоне время от времени появляются брызки. Вопрос где купить новые, их полный ассортимент, и откуда течёт антифриз в салон возле педали газа?? 3. Похрустывает коробка, решил купить и поставить новую, вопрос как узнать, что она не будет такая же как у меня и где лучше искать??? 3. Снимал в ремонт стартер и генератор, всё перебрали считай остались только старые корпуса, отвалил за работу 1,1 млн. Дело в том что генератор был очень подуставший, а стартер как мне думалось с нерабочим бендиксом поэтому при старте слышится "вииииууу" и не всегда оно прокручивает мотор, однако после ремонта ситуация улучшилась...но координально не изменилась, мне сказали маховик под замену. ОК опять таки как выяснить что он в порядке, что бы не купить ерунду ?!?! 4. Машину прогреть крайне сложно, в салоне холодно если только проехать км 4-5 начинает идти тёплый обдув...хотя ещё же не зима Печка работает так на максимуме что "капот открывается" однако обдува на стекла я не чувствую...а только посередине дует в лицо как положено. Это при положении оттаивания стёкол и лобового. Где что разобать, что бы пошёл воздух на обдув ??? 5. В машине мягкие тормоза....я привык...однако это не дело...педаль в пол и тормозишь если в прокачку педаль "черствеет". Трубки целые, жидкости достаточно, колодки новые и диски..... смотрели кулибины сказали система не завоздушена. Хотя до установки новых колодок и дисков было всё как положено ?!?! Вот такие вопросы...буду признателен за помощь как информационную так и физическую !!!!!!!!!!!! Ссылка на комментарий Поделиться на другие сайты Поделиться
Asker Опубликовано 20 ноября, 2012 Жалоба Поделиться Опубликовано 20 ноября, 2012 2. Лью антифриз как в дырявое ведро(1л. на 1000км- в среднем), патрубки подтекают и даже возле педали газа в салоне время от времени появляются брызки. Вопрос где купить новые, их полный ассортимент, и откуда течёт антифриз в салон возле педали газа??Патрубки новые найдёшь только на Сифтрансе под заказ. В салон может течь только печка.4. Машину прогреть крайне сложно, в салоне холодно если только проехать км 4-5 начинает идти тёплый обдув...хотя ещё же не зима Печка работает так на максимуме что "капот открывается" однако обдува на стекла я не чувствую...а только посередине дует в лицо как положено. Это при положении оттаивания стёкол и лобового. Где что разобать, что бы пошёл воздух на обдув ???405-я греется около 10 минут. Закрой воздуханы на центральной панели и воздух пойдёт на стекло.Либо слетел тросик управления заслонкой, при замене печки увидишь. 3. Снимал в ремонт стартер и генератор, всё перебрали считай остались только старые корпуса, отвалил за работу 1,1 млн. Дело в том что генератор был очень подуставший, а стартер как мне думалось с нерабочим бендиксом поэтому при старте слышится "вииииууу" и не всегда оно прокручивает мотор, однако после ремонта ситуация улучшилась...но координально не изменилась, мне сказали маховик под замену. ОК опять таки как выяснить что он в порядке, что бы не купить ерунду ?!?!Вначале снимаешь старый, смотришь на состояние зубьев. При покупке другого тоже смотришь на зубья.3. Похрустывает коробка, решил купить и поставить новую, вопрос как узнать, что она не будет такая же как у меня и где лучше искать???На онлайнере есть объява с коробками на 405-ю с гарантией.5. В машине мягкие тормоза....я привык...однако это не дело...педаль в пол и тормозишь если в прокачку педаль "черствеет". Трубки целые, жидкости достаточно, колодки новые и диски..... смотрели кулибины сказали система не завоздушена. Хотя до установки новых колодок и дисков было всё как положено ?!?!Каким образом кулибины обнаружили отсутствие воздуха в ГТЦ?С карбом не сталкивался. Ссылка на комментарий Поделиться на другие сайты Поделиться
SanderoK Опубликовано 20 ноября, 2012 Жалоба Поделиться Опубликовано 20 ноября, 2012 -насчёт тормозов честно говоря не в курсе, просто после "замены выжимного" ответ был таков: "странно система не завоздушена"... "Патрубки новые найдёшь только на Сифтрансе под заказ. В салон может течь только печка." - это нужно к ним ехать или звонить ?..... и как озвучить все нужные патрубки ?..... я не очень знаю как они все величаются. -печка стоит в салоне ?!?! где искать...ни разу не снимал если честно.Мотор я знаю стоял у меня в "пассате б2" прямо возле омывателя. - ещё момент, машина гудит как спорт кар в последнее время начиная от оборотов думаю около 2-х тысяч...тахометра то нет.... вобщем на скорости 70-130 гул стоит как из турбины, газ отпускаешь катиться всё равно "гул" тоесть врятли воздухан, тем более он переварен термо-нержавейкой. Думаю может это в коробке масла нет...вот она и "ревёт", что бы проверить и залить нужно её снимать или можно что-то открутить и долить\увидеть ? Ссылка на комментарий Поделиться на другие сайты Поделиться
Asker Опубликовано 20 ноября, 2012 Жалоба Поделиться Опубликовано 20 ноября, 2012 "Выжимной" - это что такое в тормозах? На Сифтрансе по картинке всё покажешь Печка в салоне, за центральной консолью - нужно снимать торпеду для замены Для заливки масла коробку снимать не надо. Ссылка на комментарий Поделиться на другие сайты Поделиться
SanderoK Опубликовано 20 ноября, 2012 Жалоба Поделиться Опубликовано 20 ноября, 2012 "Выжимной" - это что такое в тормозах?не не в тормозах )))).... выжимной подшипник менял.... думал что он гримит. На Сифтрансе по картинке всё покажешьтоесть надо к ним ехать как я понял ?Для заливки масла коробку снимать не надо.а где там что открутить ? Ссылка на комментарий Поделиться на другие сайты Поделиться
Рекомендуемые сообщения