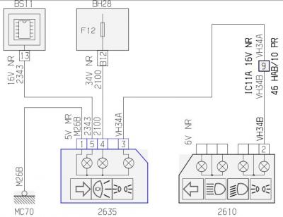
Пежо 406. Оптика. Передние фары. Задние фонари. Лампы. Ксенон. Электрокорректор. Регулировка света фар. Омыватель фар.
-
Объявления
-
Автор Emguarg
5 месяцев и 24 дня
-
Последние посетители 0 пользователей онлайн
- Ни одного зарегистрированного пользователя не просматривает данную страницу

Рекомендуемые сообщения