Ter Опубликовано 1 октября, 2010 Жалоба Поделиться Опубликовано 1 октября, 2010 сегодня бортовой показал температуру наружного воздуха +1 - первый раз на своей машине заметил значок свечей накала - моргнули где-то на полсекунды. ждем морозов чтобы проверить реле. Ссылка на комментарий Поделиться на другие сайты Поделиться
serega0644 Опубликовано 1 октября, 2010 Жалоба Поделиться Опубликовано 1 октября, 2010 сегодня бортовой показал температуру наружного воздуха +1 - первый раз на своей машине заметил значок свечей накала - моргнули где-то на полсекунды. ждем морозов чтобы проверить реле.Если так реле проверять будешь, то трос в багажник закинь.... так, на всякий случай Ссылка на комментарий Поделиться на другие сайты Поделиться
САША Опубликовано 2 октября, 2010 Жалоба Поделиться Опубликовано 2 октября, 2010 Я впрошлом году менял свечи 2.2HDI мастера сказали что похоже эти свечи там с рождения авто BERU 11вольт Ссылка на комментарий Поделиться на другие сайты Поделиться
kowtik Опубликовано 7 октября, 2010 Жалоба Поделиться Опубликовано 7 октября, 2010 Ребята подскажите пожалуйсто у меня с утра +1 градус ключом поворачиваю свечи маргнули секунду и все заводится отлично но при холодном запуске плавают обороты и мошина работает с такими не сильными рывками скачками оборотов стою так 5мин обороты в норму становятся у меня 10 вольт на свечи приходит я мерял на шинке свечей свечи бош купил и проверил все работают что может быт подскажите!!! Ссылка на комментарий Поделиться на другие сайты Поделиться
Raptor Опубликовано 7 октября, 2010 Жалоба Поделиться Опубликовано 7 октября, 2010 как вариант - регулятор давления. а при +1 свечи практически не оказывают влияния на заводку в HDi. Ссылка на комментарий Поделиться на другие сайты Поделиться
ТотСамыйПарень Опубликовано 7 октября, 2010 Жалоба Поделиться Опубликовано 7 октября, 2010 (изменено) Ребята подскажите пожалуйсто у меня с утра +1 градус ключом поворачиваю свечи маргнули секунду и все заводится отлично но при холодном запуске плавают обороты и мошина работает с такими не сильными рывками скачками оборотов стою так 5мин обороты в норму становятся у меня 10 вольт на свечи приходит я мерял на шинке свечей свечи бош купил и проверил все работают что может быт подскажите!!! Вряд ли дело в свечах. Свечи только подогревают при запуске, а потом все как обычно. На сколько я знаю они начинают прокакливаться где-то при -5 Скорее смотри в топливной. Изменено 7 октября, 2010 пользователем SPK Ссылка на комментарий Поделиться на другие сайты Поделиться
serega0644 Опубликовано 8 октября, 2010 Жалоба Поделиться Опубликовано 8 октября, 2010 но при холодном запуске плавают обороты и мошина работает с такими не сильными рывками скачками оборотов стою так 5мин обороты в норму становятся Присоединяюсь к Raptoru. Прошлой зимой тоже плавали обороты на холодную, а этим летом в августе умер регулятор давления, поменял, сейчас -2С показывает, обороты на холодную стоят как вкопаные... Ссылка на комментарий Поделиться на другие сайты Поделиться
kowtik Опубликовано 8 октября, 2010 Жалоба Поделиться Опубликовано 8 октября, 2010 Спосибо буду пробовать !!! а может кто знает где регулятор довления находится ! Ссылка на комментарий Поделиться на другие сайты Поделиться
Raptor Опубликовано 8 октября, 2010 Жалоба Поделиться Опубликовано 8 октября, 2010 На топливном насосе, который под капотом. на более старых можификациях стоял на топливной рампе. Ссылка на комментарий Поделиться на другие сайты Поделиться
serega0644 Опубликовано 8 октября, 2010 Жалоба Поделиться Опубликовано 8 октября, 2010 (изменено) Спосибо буду пробовать !!! а может кто знает где регулятор довления находится ! Я его за 110 уё покупал на малине (БОШ) Изменено 8 октября, 2010 пользователем serega0644 Ссылка на комментарий Поделиться на другие сайты Поделиться
Ter Опубликовано 8 октября, 2010 Жалоба Поделиться Опубликовано 8 октября, 2010 Спосибо буду пробовать !!! а может кто знает где регулятор довления находится ! Я его за 110 уё покупал на малине (БОШ) а если мотор 90 сильный и впрыск siemens - то где он? Ссылка на комментарий Поделиться на другие сайты Поделиться
serega0644 Опубликовано 8 октября, 2010 Жалоба Поделиться Опубликовано 8 октября, 2010 Вообще-то по нему есть целая тема №1 Ссылка на комментарий Поделиться на другие сайты Поделиться
Ter Опубликовано 13 октября, 2010 Жалоба Поделиться Опубликовано 13 октября, 2010 спасибо. Вообще-то по нему есть целая тема №1 Мужики может расскажите на пальцах - как проверить реле накала - ну не догоняю. Есть факт что не приходит ток на свечи. Ну и ошибка на компе о проблеме в цепи накала. Ссылка на комментарий Поделиться на другие сайты Поделиться
АЛЕКСЕЙ Опубликовано 13 октября, 2010 Жалоба Поделиться Опубликовано 13 октября, 2010 ну а на выходе из реле ты ток мерял? Ссылка на комментарий Поделиться на другие сайты Поделиться
Ter Опубликовано 13 октября, 2010 Жалоба Поделиться Опубликовано 13 октября, 2010 (изменено) минус к массе, + к свечам в итоге на свечи не подается хоть какое напряжение, хотя все свечи выкручивал и смотрел - все греются, все хорошие. Вот и хочу проверить реле - но не знаю как. Изменено 13 октября, 2010 пользователем Ter Ссылка на комментарий Поделиться на другие сайты Поделиться
handy Опубликовано 13 октября, 2010 Жалоба Поделиться Опубликовано 13 октября, 2010 Может кто нибуть подсказать какой номер по каталогу свечей для вин=VF38BRHZF81234412 ? это верный номер 5 960.66?спасибо Ссылка на комментарий Поделиться на другие сайты Поделиться
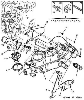
Kruz Опубликовано 17 октября, 2010 Жалоба Поделиться Опубликовано 17 октября, 2010 (изменено) Вопрос в теме поднимался, но как-то остался без продолжения... При первом запуске двигателя лампа свечей накала загарается на 0.5 сек (температуру показывало -2. вроде как должно греть) и потом тухнет. У кого было похожее?? к чему пришли? 406 2.0 hdi 110л.с. 99г. и ещё небольшой вопрос. каким датчиком определяется температура, при которой включать нагрев свечей: который в правом зеркале или там свой датчик? Спрашиваю т.к. моргает сигнал "Stop" когда печка включается на "Auto". На диагностике crs сказали что скорее всего загрязнился датчик. почистил - вроде потухло, но потом опять начало моргать. может дело в неисправном датчике?? от этого и свечи не включаются?! Изменено 17 октября, 2010 пользователем Kruz Ссылка на комментарий Поделиться на другие сайты Поделиться
Модератор Daiver Опубликовано 17 октября, 2010 Модератор Жалоба Поделиться Опубликовано 17 октября, 2010 Свечи включаются от температуры охлаждающей жидкости (зеленый датчик на корпусе термостата) и время включения зависит тоже от температуры. Про время, указанное тобой - да, нормально. Что за датчик ты чистил? Ссылка на комментарий Поделиться на другие сайты Поделиться
Kruz Опубликовано 18 октября, 2010 Жалоба Поделиться Опубликовано 18 октября, 2010 (изменено) Свечи включаются от температуры охлаждающей жидкости (зеленый датчик на корпусе термостата) и время включения зависит тоже от температуры. Про время, указанное тобой - да, нормально. Что за датчик ты чистил?Находится под воздуховодом за воздушным фильтром. синяя фишка вроде. Вроде он и есть датчик термостата. сегодня было -4 на компе загорается также на 0.5 сек, но подождать немного - слышно как щелкает реле. На первой попытке крутил секунды 4. потом 2 и завелся. явно свечи не греются А как этот датчик термостата проверить? Изменено 18 октября, 2010 пользователем Kruz Ссылка на комментарий Поделиться на другие сайты Поделиться
Модератор Citrin Опубликовано 18 октября, 2010 Модератор Жалоба Поделиться Опубликовано 18 октября, 2010 А как этот датчик термостата проверить?Термостат-это механическое устройство.Нет никаких датчиков в нем/на нем. Ссылка на комментарий Поделиться на другие сайты Поделиться
Модератор Daiver Опубликовано 18 октября, 2010 Модератор Жалоба Поделиться Опубликовано 18 октября, 2010 Жень, я так и не понял что ты чистил, но на работу предпускового подогрева это что-то не влияет никак. Ссылка на комментарий Поделиться на другие сайты Поделиться
Kruz Опубликовано 18 октября, 2010 Жалоба Поделиться Опубликовано 18 октября, 2010 (изменено) Чистился контак на датчике №9 (Датчик температуры жидкости). Изменено 18 октября, 2010 пользователем Kruz Ссылка на комментарий Поделиться на другие сайты Поделиться
Ter Опубликовано 18 октября, 2010 Жалоба Поделиться Опубликовано 18 октября, 2010 (изменено) насчет Реле - на этих выходных занялся вплотную своим реле. Поставил пару экспериментов. Сразу скажу ОГРОМНОЕ СПАСИБОmr0jза предоставленное для экспериментов свое реле. (у отца тоже 406 и тоже 2.0 HDI и тоже 2003 года - НО сентябрь 2003 (у меня май 2003) - и у него уже стоит СОВСЕМ не такое реле как у меня). также скажу что свечи проверялись перед этим досконально с выкручиванием и замером времени разогрева каждой - все ок! что оказалось: 1. если авто холодное (температура меньше 18 градусов - так написано в книжке) - то после заводки в течении некоторого времени (60 секунд) при исправном реле подается напряжение на свечи (до того как не работало реле - первые минуты 2-3 моя машина работала с выхлопными газами, которые выедали глаза - не сгорала вся солярка походу, теперь же только пар). было установлено - если в эту первую минуту пока греют свечи газануть до 2000 и выше (газовал кратковременно дабы не навредить мотору) - напряжение на свечи прерывается и как только обороты становятся меньше 2000 снова начинает подаваться напряжение. 2 даже одинаковые на беглый взгляд реле - разные! мой совет перед тем как покупать себе - посмотрите свое. а лучше снимите (и изолируйте подающий силовой кабель на реле дабы не было короткого замыкания) и идите искать свое. мое реле оказалось с фишкой на 5 проводов, но не было одного контакта в этой фишке, т.е были провода 1 3 4 5. найти на рынке реле именно с 4-мя контактами не получилось - все предлагали только с 5 контактами (я реле оставил дома - забыл) один продавец попался разговорчивый - он и рассказал что в основном ищут это 4-х контактное реле - у него были но все продал - из 5-ти контактных почти никто не покупает... Опечаленный пошел я поискать новое китайское реле - пробив по вину - там мне нашли его за 63!! доллара (это самое дешевое что удалось найти на рынке по факту был еще у одного за 57 но не было в наличии) - показав его мне - оказалось что оно тоже 5-ти контактное!!!... (с фишкой ничего делать не надо - она подходит без каких либо переделок). вернулся к человеку на б/ушке.... договорился взять реле домой для сравнения (повторюсь - своего с собой не было), с возвратом чуть чего... Приехав домой оказалось! что номера на этих двух реле совпадают по последней цифры! (хотя то реле которое я купил было с ситроена) на свой страх и риск поставил его - и оно подошло! - встав рано утром когда был еще минус - и машина за ночь остыла , подключил вольтметр - помощник повернул ключ и на 3-4 секунды перед заводкой подалось напряжение на свечи (хотя лампочка на панели горела от силы 2 секунды) - машина завелась как обычно (т.е. без работающего ранее реле) и как только завелась - снова на свечи стало подаваться напряжение (работа данного реле была точно такой же как и установленного у меня родного 4-х контактного (еще раз спасибо mr0j за его 4-х контактное реле для эксперимента). P.S. б/у реле обошлось мне в 20 вечнозеленых (я думаю по объявлениям оно будет дешевле)... у меня несколько вопросов - может кто знает - как используется тот загадочный 2-й контакт - для чего он нужен? и мерил ли кто падение напряжение на батарее во время заводки автомобиля - у меня кажется батарея умирает - (плотность нормальная) заряженная показывает 12.06 В (носил домой на ночь погонять на зарядном - ситуацию практически не улучшило), во время заводки напряжение падает до 10...... как у вас обстоят дела? Изменено 18 октября, 2010 пользователем Ter Ссылка на комментарий Поделиться на другие сайты Поделиться
АЛЕКСЕЙ Опубликовано 18 октября, 2010 Жалоба Поделиться Опубликовано 18 октября, 2010 тер, я конечно не спец, но по моему до 10, это нормаьно еще, особенно если с течением времени цифра ползет в верх. критично по моему когда до 9-ти, тогда акум или на обслуживание, либо подзамену. Ссылка на комментарий Поделиться на другие сайты Поделиться
Модератор Daiver Опубликовано 18 октября, 2010 Модератор Жалоба Поделиться Опубликовано 18 октября, 2010 Для заряженно 12.06 мало. Должно быть хотя бы 12.2-12.4В. При старте допускается просадка до 9 В.Жень, так он же зеленый, а не синий В контакте этого датчика проблема встречается редко, чаще сам датчик накрывается медным тазом. Ссылка на комментарий Поделиться на другие сайты Поделиться
Ter Опубликовано 19 октября, 2010 Жалоба Поделиться Опубликовано 19 октября, 2010 не реле (корпус черный, плата зеленая) был номер PSA 9639912580 - если вдруг кому понадобится. Ссылка на комментарий Поделиться на другие сайты Поделиться
Kruz Опубликовано 24 октября, 2010 Жалоба Поделиться Опубликовано 24 октября, 2010 Свечи включаются от температуры охлаждающей жидкости (зеленый датчик на корпусе термостата) Термостат-это механическое устройство.Нет никаких датчиков в нем/на нем.Так как на самомо деле? Каким датчиком меряется температура ОЖ для включения свечей? Датчик №9, что на схеме выше? Ссылка на комментарий Поделиться на другие сайты Поделиться
Модератор Daiver Опубликовано 24 октября, 2010 Модератор Жалоба Поделиться Опубликовано 24 октября, 2010 Жень, не тупи. Есть датчик температуры ОЖ (для измерения температуры), а есть термостат для регулировки потока ОЖ. Штуковины разные и функцию выполняют в корне разную. Ссылка на комментарий Поделиться на другие сайты Поделиться
ТотСамыйПарень Опубликовано 27 октября, 2010 Жалоба Поделиться Опубликовано 27 октября, 2010 Народ, подскажите какие свечи и где лучше всего брать? 2.0 ХДИ 110л.с. В принципе цена особой роли не играет, главное чтоб толковые , а не чтобы пред каждой зимой менять. Ссылка на комментарий Поделиться на другие сайты Поделиться
D-G Опубликовано 27 октября, 2010 Жалоба Поделиться Опубликовано 27 октября, 2010 Народ, подскажите какие свечи и где лучше всего брать? 2.0 ХДИ 110л.с. В принципе цена особой роли не играет, главное чтоб толковые , а не чтобы пред каждой зимой менять. ВОСН Ссылка на комментарий Поделиться на другие сайты Поделиться
Рекомендуемые сообщения