wera Опубликовано 17 октября, 2010 Жалоба Поделиться Опубликовано 17 октября, 2010 Снимал сегодня регулятор давления топлива и сломал четверник, соединяющий шланги топливные ... на экзисте нашёл его на схеме, но без номера и незнаю как его заказать, подскажите его номер по каталогу или как вообще его купить (говорю сразу я не из РБ) Ссылка на комментарий Поделиться на другие сайты Поделиться
Гость Сергей Ш Опубликовано 17 октября, 2010 Жалоба Поделиться Опубликовано 17 октября, 2010 боюсь уже что-то и говрить), но , похоже, эта запчасть идет вместе с трубкой, позиция N10 а как заказать.. ну это вам легче знать.. как у вас в городе заказывать.. а лучше на б\у поискать.. если есть такая барахолка Ссылка на комментарий Поделиться на другие сайты Поделиться
wera Опубликовано 17 октября, 2010 Автор Жалоба Поделиться Опубликовано 17 октября, 2010 не знаю как заказать потому что номера детали не знаю .... не факт что с №10 идёт в комплекте .... но спс за ответ, Б/у разборок нет по 607-м Ссылка на комментарий Поделиться на другие сайты Поделиться
Модератор Citrin Опубликовано 17 октября, 2010 Модератор Жалоба Поделиться Опубликовано 17 октября, 2010 Закажи у токаря, сделают из металла, а трубки потом на него на горячую натянуть Ссылка на комментарий Поделиться на другие сайты Поделиться
wera Опубликовано 17 октября, 2010 Автор Жалоба Поделиться Опубликовано 17 октября, 2010 а из метала можно??? соляра замерзать зимой будет Ссылка на комментарий Поделиться на другие сайты Поделиться
Модератор Citrin Опубликовано 18 октября, 2010 Модератор Жалоба Поделиться Опубликовано 18 октября, 2010 Не будет замерзать. Если захочет замерзнуть-и в пластике замерзнет Ссылка на комментарий Поделиться на другие сайты Поделиться
mihalych607 Опубликовано 18 октября, 2010 Жалоба Поделиться Опубликовано 18 октября, 2010 Мне в субботу, тоже на СТО при замене регулятора, сломали четверник. На сифтрансе за него попросили 95 тыс. руб., но в наличии его не было. В итоге его починил (сломался более-менее удачно). Ссылка на комментарий Поделиться на другие сайты Поделиться
wera Опубликовано 18 октября, 2010 Автор Жалоба Поделиться Опубликовано 18 октября, 2010 как это ты его починил??? у меня тоненький самый отломался под корень Ссылка на комментарий Поделиться на другие сайты Поделиться
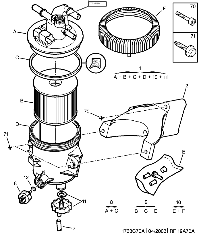
wera Опубликовано 18 октября, 2010 Автор Жалоба Поделиться Опубликовано 18 октября, 2010 а он обыкновенный??? без всяких секретов ... наверно тогда и правда легче заказать у токоря .. на экзисте 60 баксов стоит вместе с трубками идёт ... и ждать 8 дней Ссылка на комментарий Поделиться на другие сайты Поделиться
TCooL Опубликовано 18 октября, 2010 Жалоба Поделиться Опубликовано 18 октября, 2010 (изменено) Да по-моему куча разных тройников четвертаков на рынке, сними стары всё промерь да посади новые трубки с термоусадкой!! Изменено 18 октября, 2010 пользователем TCooL Ссылка на комментарий Поделиться на другие сайты Поделиться
wera Опубликовано 18 октября, 2010 Автор Жалоба Поделиться Опубликовано 18 октября, 2010 короче я сделал 2 тройникка .... хорошенечко все закрепил, теперь с маленьких трубок которые на обратке между форсунками стоят, сечёт соляра и заливает весь блок ... видимо обратке не хватает стока .. поэтому сечёт вверху ... буду делать железную наверно на заказ или заказывать оригинал, еще не решил((((((((((((((((( ездить так нельзя, солярка течёт рекой и испаряется из-за температуры головы((((((((( Ссылка на комментарий Поделиться на другие сайты Поделиться
mihalych607 Опубликовано 19 октября, 2010 Жалоба Поделиться Опубликовано 19 октября, 2010 как это ты его починил??? у меня тоненький самый отломался под кореньу меня тоже самый тоненький отломался под корень, его достали из шланжика, в четвернике сделали сверлом отверстие 4 мм. (такой же диаметр у отломанной трубочки) и плотно на клей (производитель К2) посадили трубочку в отверстие. После высыхания проверили компрессором на герметичность - все ОК. Единственное пришлость заменить тонкий шланжик (его обрезали, чтоб достать обломанный кусочек). Ссылка на комментарий Поделиться на другие сайты Поделиться
wera Опубликовано 19 октября, 2010 Автор Жалоба Поделиться Опубликовано 19 октября, 2010 попробую сеня тоже заклеить может прокатит .... сп за инфу Ссылка на комментарий Поделиться на другие сайты Поделиться
wera Опубликовано 19 октября, 2010 Автор Жалоба Поделиться Опубликовано 19 октября, 2010 спаяли 2 трубки медные, шланги пришлось заменить ... смотрится не очень но зпто по бюджету, под пластиковой защитой невидно не слышно да и ладно!!! Ссылка на комментарий Поделиться на другие сайты Поделиться
dima27 Опубликовано 30 ноября, 2010 Жалоба Поделиться Опубликовано 30 ноября, 2010 (изменено) Сегодня заменил топливный фильтр,проехал пару км,увидел на крышке топливного фильтра (см.рис) соляру,вытер,все равно появляется,что это может быть? Изменено 30 ноября, 2010 пользователем dima27 Ссылка на комментарий Поделиться на другие сайты Поделиться
TCooL Опубликовано 30 ноября, 2010 Жалоба Поделиться Опубликовано 30 ноября, 2010 (изменено) По моему это клапан обратки! Потёк с морозами?Посади заново все трубки! Изменено 30 ноября, 2010 пользователем TCooL Ссылка на комментарий Поделиться на другие сайты Поделиться
msk Опубликовано 30 ноября, 2010 Жалоба Поделиться Опубликовано 30 ноября, 2010 как ты открутил крышку которая на рисунке F... Ссылка на комментарий Поделиться на другие сайты Поделиться
dima27 Опубликовано 1 декабря, 2010 Жалоба Поделиться Опубликовано 1 декабря, 2010 как ты открутил крышку которая на рисунке F...Корпус открутил самостоятельно и целиком завез ремонтникам, они его в тиски зажимали и разводным ключом откручивали (чуть открутили), если будешь откручивать сам, смотри аккуратнее трубки не обламай, мне одну обламали (корпус из тесков выскочил), пришлось обратиться к токарям. Ссылка на комментарий Поделиться на другие сайты Поделиться
dima27 Опубликовано 1 декабря, 2010 Жалоба Поделиться Опубликовано 1 декабря, 2010 По моему это клапан обратки! Потёк с морозами?Посади заново все трубки!Вынимал,все равно сочится,а принцип действия этой обратки??? Ссылка на комментарий Поделиться на другие сайты Поделиться
TCooL Опубликовано 1 декабря, 2010 Жалоба Поделиться Опубликовано 1 декабря, 2010 По моему это клапан обратки! Потёк с морозами?Посади заново все трубки!Вынимал,все равно сочится,а принцип действия этой обратки???Излишки топлива идут обратно в бак! Ссылка на комментарий Поделиться на другие сайты Поделиться
msk Опубликовано 1 декабря, 2010 Жалоба Поделиться Опубликовано 1 декабря, 2010 как ты открутил крышку которая на рисунке F...Корпус открутил самостоятельно и целиком завез ремонтникам, они его в тиски зажимали и разводным ключом откручивали (чуть открутили), если будешь откручивать сам, смотри аккуратнее трубки не обламай, мне одну обламали (корпус из тесков выскочил), пришлось обратиться к токарям. трубки же там нормально снимаются, а вот крышку открутить немного не получается...ключа такого нет... Ссылка на комментарий Поделиться на другие сайты Поделиться
Модератор Citrin Опубликовано 1 декабря, 2010 Модератор Жалоба Поделиться Опубликовано 1 декабря, 2010 Отвертка шлицевая и молоток поможет вам открутить крышку. Ну или старый ремень ГРМ. Ссылка на комментарий Поделиться на другие сайты Поделиться
Модератор Daiver Опубликовано 1 декабря, 2010 Модератор Жалоба Поделиться Опубликовано 1 декабря, 2010 Саш, отмороженную крышку отверткой скорее расколют Да еще и без опыта работы. Ссылка на комментарий Поделиться на другие сайты Поделиться
dima27 Опубликовано 2 декабря, 2010 Жалоба Поделиться Опубликовано 2 декабря, 2010 трубки же там нормально снимаются, а вот крышку открутить немного не получается...ключа такого нет...Лучше открути весь корпус,там две гайки на 10,погрей его и ядумаю она нормально открутится Ссылка на комментарий Поделиться на другие сайты Поделиться
Yura15220 Опубликовано 2 декабря, 2010 Жалоба Поделиться Опубликовано 2 декабря, 2010 или не открутитсяА тогда только новый корпус в сборе Ссылка на комментарий Поделиться на другие сайты Поделиться
VASALEX Опубликовано 2 декабря, 2010 Жалоба Поделиться Опубликовано 2 декабря, 2010 Незнаю мож кому будет и интересно,мне в рено сценике переделали.Вместо пластикового стакана с вкладышем приспособили от фольца железный фильтр на хомутах,с обраткой.Поставил обогрев намакона и вообщем я доволен. Ссылка на комментарий Поделиться на другие сайты Поделиться
dima27 Опубликовано 2 декабря, 2010 Жалоба Поделиться Опубликовано 2 декабря, 2010 или не открутитсяА тогда только новый корпус в сбореУ меня в тиски зажали,с трудом но открутили ,а так в центре пежо новый 280т,р(но месяц ждать), б\у можно найти за 55-75у,е Ссылка на комментарий Поделиться на другие сайты Поделиться
Alik Опубликовано 2 декабря, 2010 Жалоба Поделиться Опубликовано 2 декабря, 2010 люди, что-то стала пропускать прокладка крышки корпуса фильтра-если у кого валяется старая или неиспользованая новая-куплю.стакан сименсовский как на рисунке в первом сообщении. Ссылка на комментарий Поделиться на другие сайты Поделиться
Claster Опубликовано 7 декабря, 2010 Жалоба Поделиться Опубликовано 7 декабря, 2010 (изменено) Моя беда на фото. Сломал при замене топливного фильтра в мороз Как увидел, что оттуда хлещет солярка, поехал сразу на разборку, где всегда беру, если что-то надо. Но в первый раз у них не оказалось нужной запчасти. Сказали, что в пятницу продали последний. Были похожие пластмассовые штуки, но с 2-мя выходами, а не 4.Приехал домой, обзвонил все разборки в городе, нигде такого нет! Ужас!. По объявкам в пару местах были только тоже с 2-мя выходами. Причём из телефонных разговоров понял, что этот четвертник спрашивают постоянно и нынче это огромный дефицит.Не знаю что теперь и делать. Шланги похоже ещё примёрзли, не могу снять Как правильно снимать эти шланги, чтобы ещё чего не обломать? . Мне нужно то, что под номером 1? Изменено 8 декабря, 2010 пользователем Claster Ссылка на комментарий Поделиться на другие сайты Поделиться
ice7 Опубликовано 8 декабря, 2010 Жалоба Поделиться Опубликовано 8 декабря, 2010 Незнаю мож кому будет и интересно,мне в рено сценике переделали.Вместо пластикового стакана с вкладышем приспособили от фольца железный фильтр на хомутах,с обраткой.Поставил обогрев намакона и вообщем я доволен. А как они прикрутили обратку к фольцевскому фильтру? Обратка должна проходить через перепускной клапан вмонтированным в крышку родного стакана. Просто если после фильтра не будет необходимое давление на входе ТНВД - машина не заведется... Ссылка на комментарий Поделиться на другие сайты Поделиться
Рекомендуемые сообщения