Перейти к содержанию

Пежо 406. Тормозная система. Тормозные диски, барабаны, колодки, трубки, суппорты. Педаль тормоза. Регулятор тормозных усилий.


Ruslan

Рекомендуемые сообщения

Делал замеры в магазине направляющих суппорта от Газели (он же Соболь) вроде как должен подойти по цене боле чем в 2 раза дешевле :)

Ссылка на комментарий
Поделиться на другие сайты

  • Ответов 1,6 тыс
  • Создана
  • Последний ответ

Топ авторов темы

Ребята, пишу по очереди всем.

имхо, они и так должны быть вечными - они просто удерживают колодки, используются в качестве направляющих. если нормальные колодки ставить, то и задиров на них не будет. у меня, например, штифты в идеальном состоянии.если бы раньше написали - измерил бы размеры, так как на прошлых выходных менял все колодки и задние тормозные диски.

они не разу не вечные, уже сто раз писали что они ржавеют и при очередной замене задних колодок имеют свойство ломаться, а если нет, то ставить новые колодки на "изгрызенные" штифты не очень хочется.

Здрасте. Какие колодки? На направляющих висит суппорт. Сами направляющие практически не изнашиваются, страдают отверстия в скобе.

Извините что не так выразился, имею ввиду штифты удерживающие колодки, поэтому и писал с цитатой из предыдущего поста, где конкретно описывается о чем идёт речь.

Делал замеры в магазине направляющих суппорта от Газели (он же Соболь) вроде как должен подойти по цене боле чем в 2 раза дешевле

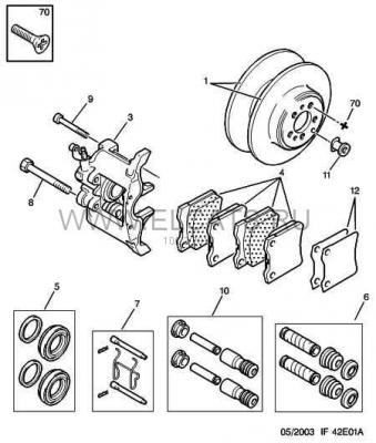
Поймите меня правильно, если выбрать между ремкомплектом, который тоже со ржавеет и стоит при этом 60000 или вытачить из прута нержавейки на заводе, то выберу второе.Но каждый сам решает что проще.А теперь ещё раз, кто подскажет размеры этих самых штифтов, буду очень признателен.Номер 7 на рисунке.

post-3750-1287747970,2_thumb.jpeg

Ссылка на комментарий
Поделиться на другие сайты

Лёша! у меня остались с передних тормозов. задние я еще не менял.

Так чего же ты медлиш, я давно просил размеры передних. Буду благодарен. Изменено пользователем Free_Wolf
Ссылка на комментарий
Поделиться на другие сайты

  • Модератор

О, если не забуду поищу сегодня в гараже. Вроде пара валялась. Страшненькие правда, но размеры померять можно.

Ссылка на комментарий
Поделиться на другие сайты

  • 1 месяц спустя...

Подскажите: иногда, при хорошем нажатии на педальку тормоза, на панели загорается и затем тухнет красная лампа стояночного тормоза (т.е. как будто машина стоит на ручнике), что нужно посмотреть и подтянуть?

Ссылка на комментарий
Поделиться на другие сайты

Подскажите: иногда, при хорошем нажатии на педальку тормоза, на панели загорается и затем тухнет красная лампа стояночного тормоза (т.е. как будто машина стоит на ручнике), что нужно посмотреть и подтянуть?

Дело было не в бабине, французкий уважаемый человек сидел в кабине :lol: Спасибо Цитрину, подсказал, долил тормозухи и все стало нормально.
Ссылка на комментарий
Поделиться на другие сайты

Добрый!!!!

У меня 406 дизель 2003 года и возникла такая проблема: при торможении  проваливается педаль тормоза,причем торможение происходит, так как срабатывает АБС и педаль пульсирует с упором вверху до момента остановки авто,а после остановки педаль совсем проваливается до пола.

При не заведенном автомобиле педаль тормоза ужать невозможно,но стоит завести авто и нажать на нее,то она потихоньку и постепенно опускается до пола и дальше её поднять можно сделав пару качков.

Визуально осмотрел всю тормозную систему: все цело,течи тормозной жидкости нет.

Пробовал прокачивать систему согласно инструкции в книге (Качается дальнее колесо от главного цилиндра (заднее правое),а потом по диагонали (перед левое) , зад левое и перед правое),результата это не приносит,все остается по старому. 

Еще смущает,что абсолютно не томозит левое заднее колесо даже на снегу. Задние тормоза дисковые.

Даже и не знаю,что далее предпринять,так как так ездить далее небезопасно,но в чем причина не понимаю и поэтому прошу хотя бы совета......   :blink:  

Спасибо.    :lol:  

Ссылка на комментарий
Поделиться на другие сайты

В четверг снимались оба передних колеса, смазаны направляющие, проверены поршеньки. Три дня ок, а сегодня проблема повторилась. Колеса блокируются, тормоза дубовые, когда приехал на стоянку до колес было не дотронуться. Что делать? Сливать тормозуху?

Попробуй поменять тормозные шланги (из-за раслоения внутри пускают жидкость в одном направлении)
Ссылка на комментарий
Поделиться на другие сайты

Добрый!!!!

У меня 406 дизель 2003 года и возникла такая проблема: при торможении проваливается педаль тормоза,причем торможение происходит, так как срабатывает АБС и педаль пульсирует с упором вверху до момента остановки авто,а после остановки педаль совсем проваливается до пола.

При не заведенном автомобиле педаль тормоза ужать невозможно,но стоит завести авто и нажать на нее,то она потихоньку и постепенно опускается до пола и дальше её поднять можно сделав пару качков.

Визуально осмотрел всю тормозную систему: все цело,течи тормозной жидкости нет.

Пробовал прокачивать систему согласно инструкции в книге (Качается дальнее колесо от главного цилиндра (заднее правое),а потом по диагонали (перед левое) , зад левое и перед правое),результата это не приносит,все остается по старому.

Еще смущает,что абсолютно не томозит левое заднее колесо даже на снегу. Задние тормоза дисковые.

Даже и не знаю,что далее предпринять,так как так ездить далее небезопасно,но в чем причина не понимаю и поэтому прошу хотя бы совета...... :blink:

Спасибо. :lol:

Если проваливается педаль - может быть масса вариантов - один из которых главный тормозной цилиндр... при резком надавливании он создает давление - но потом стравливает либо обратно в бак с тормозухой либо между контурами гоняет........ обычно помогает ремкомплект (мне на моей старенькой РЕНО 19 помог)... а вообще есть еще варианты - у себя заметил на 406 - пока холодная (сразу после заводки) потиху проваливается педаль - до пола или нет - не смотрел - стоит поработать машине минуты 2 - все нормально - или 2 раза качнуть педалью на холодную - все тоже ок - правда последнее время не замечаю за своей машиной такого - замечал только когда купил первую недели - либо исправилась - либо я не обращаю внимания... )
Ссылка на комментарий
Поделиться на другие сайты

  • 5 недель спустя...

406 1.9 тд. В последнее время( раньше такого не было) как машина постоит сутки, после того как проезжаю метров 300-500 жму на тормоза а машина не тормозит, ну только очень очень слабо. Как пастою покачаю педаль раз 10 становится всё ок и в течении дня такого не появляется. И интересно как только утром завожу и выезжаю от дома тормоза есть а потом пропадают. Тормазуха не уходит, менялась 8т назад. В чём может быть дело?

Ссылка на комментарий
Поделиться на другие сайты

  • Модератор

Это проблема не с тормозами. Химия на дорогах вызывает возникновение пленки за ночь на дисках, из-за этого сразу и не тормозит нормально авто. Что бы не влететь по незнанию и от неожиданности, в начале движения поиграйте педалью тормоза.

Ссылка на комментарий
Поделиться на другие сайты

так вот и странно что когда сразу отъезжаю от дома тормоза нормальные, а только спустя несколько минут езды появляется такая фигня. и ещё заметил что когда машина постояла ночь ,начинаешь ехать и тормозишь первые несколько раз, то тормоза вообще зверь (машина тормозит очень хорошо). А потом в течении дня тормоза не такие хорошие. P.S. до этого был ситроен ксара 2000.г.в. вот там были тормоза так тормоза. чуть чуть нажмёшь на тормоз и машина как вкопанная стоит

Ссылка на комментарий
Поделиться на другие сайты

сегодня опять сразу возле дома тормоза утром были ,отъехал 300м жму а машина не тормозит( очкавато как то) прокачал педаль и появились. Может воздух подсасывает или в шлангах влага собирается? где искать, что делать?

Ссылка на комментарий
Поделиться на другие сайты

  • 5 недель спустя...

Всех приветствую, проблема с задним правым тормозом (406 98г.в. 2.1тд) слабее тормозит,ТО прохожу в натяг, колодки новые, все разработано и смазано. Предложили выбросить задний регулятор и пустить тормозные трубки мимо его, последствия для АБС?

Ссылка на комментарий
Поделиться на другие сайты

Как проверить хорошо ли работает тормозной цилиндрик на переднем суппорте? С каким усилием он должен задвигаться - рукой или отверткой? Просто поменял уже 2 комплекта дисков и не знаю на что грешить: иди диски шильные или что-нибудь другое.Диски греются, но ,как я понимаю, без этого нельзя. При движения подклинивания не заметно. Какой фирме дисков по соотношению цена-качество можно довериться?

Ссылка на комментарий
Поделиться на другие сайты

А у меня началось такое: с утра завожу, погреюсь - поехал. Первый раз торможу - нет тормозов! Т.е. нужно пару раз нажать на тормоз чтоб они появились. Теперь всегда перед выездом тискаю педаль тормоза - а то чуть не вписался уже.Неужто идит подсос воздуха в тормозную систему? Кто-то говорил, что дело может быть в вакууме (не помню как эта штука под капотом круглая называется точно). Кстати на холодный пуск этот вакуум тоже может влиять?

Ссылка на комментарий
Поделиться на другие сайты

А у меня началось такое: с утра завожу, погреюсь - поехал. Первый раз торможу - нет тормозов! Т.е. нужно пару раз нажать на тормоз чтоб они появились. Теперь всегда перед выездом тискаю педаль тормоза - а то чуть не вписался уже.Неужто идит подсос воздуха в тормозную систему? Кто-то говорил, что дело может быть в вакууме (не помню как эта штука под капотом круглая называется точно). Кстати на холодный пуск этот вакуум тоже может влиять?

Это не вакуум 100%!!!вот тутесть ответ...пока без предложений по устранению:(
Ссылка на комментарий
Поделиться на другие сайты

  • 1 месяц спустя...

Жидкость в норме. Система на протекает. Тормозит нормально но при остановке педаль проваливается или нажимаеш на тормоз и заводиш тоже проваливается.

Ссылка на комментарий
Поделиться на другие сайты

Жидкость в норме. Система на протекает. Тормозит нормально но при остановке педаль проваливается или нажимаеш на тормоз и заводиш тоже проваливается.

Попробуй прокачать всю систему, может завоздушена.
Ссылка на комментарий
Поделиться на другие сайты

  • 1 месяц спустя...

Здравствуйте, помогите пожалуйста с такой проблемой. При нажатии на педаль тормоза машина пищит как-будто колодки стерты, но датчик колодок не горел....решил все же снять посмотреть,в итоге как я и думал колодки в норме, но писк остался. Сейчас даже иногда пищит когда она просто катится на маленькой скорости или на 1 первой передачи до 20 км/ч. Может со сцеплением может быть? куда смотреть может кто подскажет? пищит спереди, вроде даже со стороны водителя...... или тут может мастера есть посмотреть что с ней да как....мне заодно и подвеску посмотреть не помешало бы.....Спасибо

Ссылка на комментарий
Поделиться на другие сайты

×
×
  • Создать...