Евстафий Опубликовано 19 апреля, 2011 Жалоба Поделиться Опубликовано 19 апреля, 2011 Прошу прощения за дилетантский вопрос. У меня напротив радиатора стоит 4 электромагнитных клапана управления. Если я правильно понял каждый из них управляет чем-то из нижеприведенного списка:- воздушной заслонкой;- другой воздушной заслонкой;- клапаном ЕГР;- турбиной.Помогите пожалуйста разобраться чем конкретно управляют эти клапаны, скажем если смотреть сверху - вниз. Если можно со схемами . Ссылка на комментарий Поделиться на другие сайты Поделиться
BLASE Опубликовано 19 апреля, 2011 Жалоба Поделиться Опубликовано 19 апреля, 2011 (изменено) Где то тут недавно уже обсуждали заслонки, особенно одну интересную Если от аккума: ЕГР, заслонка после интеркулера (находится возле бачка с тормозухой), турбина (самый нижний клапан), еще одна заслонка (что то она там с горячим воздухом делает во время регенерации, её так просто не увидишь, если фапа нет то этот клапан можно убрать и заглушить трубки). Вот тут теребили эти заслонки. Изменено 19 апреля, 2011 пользователем BLASE Ссылка на комментарий Поделиться на другие сайты Поделиться
Евстафий Опубликовано 20 апреля, 2011 Автор Жалоба Поделиться Опубликовано 20 апреля, 2011 (изменено) Спасибо. Похоже с усилителем тормозов я лоханулся .То есть получается такой порядок? - сверху вниз:- клапаном ЕГР;- воздушной заслонкой;- воздушной заслонкой??? - турбиной. Изменено 20 апреля, 2011 пользователем Евстафий Ссылка на комментарий Поделиться на другие сайты Поделиться
BLASE Опубликовано 20 апреля, 2011 Жалоба Поделиться Опубликовано 20 апреля, 2011 Если по высоте, то вроде так. Ссылка на комментарий Поделиться на другие сайты Поделиться
Евстафий Опубликовано 21 апреля, 2011 Автор Жалоба Поделиться Опубликовано 21 апреля, 2011 (изменено) В общем попробовал отключить 3-й клапан от вакуума. Машина на холодную очень тяжело набирает обороты, даже на холостых, звук другой, турбины не слышно. Выше 2 000 обороты поднять почти не реально. Двигатель трясет, по ощущениям ему не хватает воздуха. После работы минут 15-20 на холостых (или в движении минут через 7) это проходит и машина летит. Если клапан снова подключить становится все как раньше. Предполагаю, что этот клапан как-то связан с интеркуллером. Пока машина не прогрета он наверное пускает воздух "мимо интеркуллера", а когда прогревается - открывается другая заслонка, которая пропускает воздух через интеркуллур. Соответственно если этот клапан отключен - на холодную машина не получает нужного количества воздуха. Могу ошибаться. Изменено 21 апреля, 2011 пользователем Евстафий Ссылка на комментарий Поделиться на другие сайты Поделиться
Дмитрий Опубликовано 21 апреля, 2011 Жалоба Поделиться Опубликовано 21 апреля, 2011 Предполагаю, что этот клапан как-то связан с интеркуллером. Пока машина не прогрета он наверное пускает воздух "мимо интеркуллера", а когда прогревается - открывается другая заслонка, которая пропускает воздух через интеркуллур. Соответственно если этот клапан отключен - на холодную машина не получает нужного количества воздуха. Могу ошибаться.Где-то примерно так и есть. В принципе, при отключении этого клапана стоит отключить и клапан другой заслонки. Тогда по дефолту (без управления) первый будет всегда закрыт, а второй всегда открыт и движок не будет душиться от нехватки воздуха, но прогреваться по идее будет чутка дольше. Ссылка на комментарий Поделиться на другие сайты Поделиться
ds2001 Опубликовано 23 апреля, 2011 Жалоба Поделиться Опубликовано 23 апреля, 2011 3-й сверху клапан на моторе RHS управляет заслонкой, отвечающей за подогрев воздуха,поступающего в движок. Сказали правильно пока мотор холодный, также зимой в морозы воздух сразу не идёт через интеркулер, а в обход интеркулера идёт в цилиндры, при этом 2-й сверху клапан закрывает заслонку после интеркулера. По мере прогрева движка этот клапан (наз. зима-лето) закрывается и воздух уже дополнительно охлаждается, проходя через интеркулер, т.к. в холодном воздухе содержится больше кислорода, поэтому его и охлаждают Ссылка на комментарий Поделиться на другие сайты Поделиться
blackdiesel Опубликовано 6 июня, 2011 Жалоба Поделиться Опубликовано 6 июня, 2011 Господа подскажите где на 1,6ашди находится клапан управления турбиной, как лутше подлезть, сверху или снизу, или он расположен так же как и 2-ух литровых ? Ссылка на комментарий Поделиться на другие сайты Поделиться
blackdiesel Опубликовано 15 июня, 2011 Жалоба Поделиться Опубликовано 15 июня, 2011 подскажите электромагнитный клапан на 1.6 HDI 110 л. с вакумными трубками толька один,или есть ещё такойже, попробывать поменять местами, а то нашёл толька адин. Ссылка на комментарий Поделиться на другие сайты Поделиться
Евгеник Опубликовано 15 июня, 2011 Жалоба Поделиться Опубликовано 15 июня, 2011 подскажите электромагнитный клапан на 1.6 HDI 110 л. с вакумными трубками толька один,или есть ещё такойже, попробывать поменять местами, а то нашёл толька адин.ты правильно нашел, только один. Ссылка на комментарий Поделиться на другие сайты Поделиться
blackdiesel Опубликовано 15 июня, 2011 Жалоба Поделиться Опубликовано 15 июня, 2011 ты правильно нашел, только один.Спасибо,тогда буду разбирать, сколька новый стоит не вкурсе? Ссылка на комментарий Поделиться на другие сайты Поделиться
Raptor Опубликовано 15 июня, 2011 Жалоба Поделиться Опубликовано 15 июня, 2011 70$+ Ссылка на комментарий Поделиться на другие сайты Поделиться
blackdiesel Опубликовано 15 июня, 2011 Жалоба Поделиться Опубликовано 15 июня, 2011 развальцевал электромагнитный клапон, грязи было малёха, промыл, мембранка целая, сопративление в норме, собрaл, посматрю скока поработает. Ссылка на комментарий Поделиться на другие сайты Поделиться
Renat Опубликовано 26 июня, 2011 Жалоба Поделиться Опубликовано 26 июня, 2011 Можно ли достать мембрану с пружинкой из металического сердечника клапана ( на фото по центру) похоже именно она служит причиной недержания вакуума?? Ссылка на комментарий Поделиться на другие сайты Поделиться
S7sh@ Опубликовано 11 июля, 2011 Жалоба Поделиться Опубликовано 11 июля, 2011 Здравствуйте. Прочитал тему, но ничего толком не понял. Уменя по ходу не хватает 1го электромагнитного клапана, на турбину (DW10ATED). Подскажите как они крепяться(тот который на турбину и на заднюю заслонку) и какие электропровода к каким тыкать (есть ли разница), может кто сфоткает буду очень благодарен. Может пока не куплю переподключить какой нибудь существующий. Заранее спасибо. Ссылка на комментарий Поделиться на другие сайты Поделиться
S7sh@ Опубликовано 11 июля, 2011 Жалоба Поделиться Опубликовано 11 июля, 2011 Ааа еще. Недавно сделал диагностику , ошибка на датчик надува (может из-за отсуствия этого э/м клапана?); ошибка на температурный датчик в выхлопной трубе и комп показывает пустой бачек присадки(йолиса). Самое интересное то, что этого бачка я не нашел ( по моему его там вообще нет). Ссылка на комментарий Поделиться на другие сайты Поделиться
Евстафий Опубликовано 11 июля, 2011 Автор Жалоба Поделиться Опубликовано 11 июля, 2011 ...на турбину самый нижний клапан, самый верхний - на ЕГР. Ссылка на комментарий Поделиться на другие сайты Поделиться
S7sh@ Опубликовано 12 июля, 2011 Жалоба Поделиться Опубликовано 12 июля, 2011 А клапаны одинаковые (4шт)? Ссылка на комментарий Поделиться на другие сайты Поделиться
temp Опубликовано 12 июля, 2011 Жалоба Поделиться Опубликовано 12 июля, 2011 А клапаны одинаковые (4шт)?Одинаковые. По сервисбоксу имеют одинаковый номер Ссылка на комментарий Поделиться на другие сайты Поделиться
S7sh@ Опубликовано 12 июля, 2011 Жалоба Поделиться Опубликовано 12 июля, 2011 Значит я пока с егр перекину на турбину, пока не куплю недостающий. Он там нужней. Только какой провод к клапану на турбину, который подлиней? ( я пытался подключить по схеме из оригинального каталога, мог напутать: сейчас самый длинный подключен к клапану на егр(3й сверху вниз); 1й,2й провода, из трех последовательных, к 1му(самый верхний на ближнюю заслонку) и 2му(следующий на дальнюю заслонку) клапанам , а третий болтается который на турбину)? А можно выкинуть клапаны на заслонки, соотсетственно заглушив вак.трубки? Наверно заглушится вся система егр? Ссылка на комментарий Поделиться на другие сайты Поделиться
Дмитрий Опубликовано 13 июля, 2011 Жалоба Поделиться Опубликовано 13 июля, 2011 Чёт у вас там конструктор какой-то. Как, интересно, авто ездит без электроклапана турбины? Его отключение - это 100% Antipollution Fault, уже не говоря про то, что без турбы авто превращается в коптящий овощ. В принципе, попробовать отрубить клапаны заслонок можно, но сначала нужно правильно удалить ФАП, если он ещё есть, конечно, т.к. заслонки участвуют в процессе его прожига.Да и диагностика какая-то интересная у вас там - тупо комп подключили и всё? Даж под капот не заглядывали? Ссылка на комментарий Поделиться на другие сайты Поделиться
S7sh@ Опубликовано 13 июля, 2011 Жалоба Поделиться Опубликовано 13 июля, 2011 Без электромагнитного клапана и вакуумной трубки на турбину машина не коптит вообще, ни на холостом ни при сильном нажатии на газ. Дыма не видно .Машина просто живчик - быстро разгоняется. А зачем он на турбину?Диагностику мне сделали действительно только компьютетную (почитали , поснимали ошибки). Antipollution Fault было -его убрали и больше он не загорался. Висят ошибки на датчик надува, на датчик температуры в выхлопной трубе и показывает пустой бачек присодки-йолиса. Насчет бачка присадки мне говорили (те кто гнали машину) что его нет. Я тоже лазил под машиной нигде ничего не видел. DW10ATED 2001г.в. Ссылка на комментарий Поделиться на другие сайты Поделиться
Дмитрий Опубликовано 13 июля, 2011 Жалоба Поделиться Опубликовано 13 июля, 2011 Без электромагнитного клапана и вакуумной трубки на турбину машина не коптит вообще, ни на холостом ни при сильном нажатии на газ. Дыма не видно .Машина просто живчик - быстро разгоняется. А зачем он на турбину?Диагностику мне сделали действительно только компьютетную (почитали , поснимали ошибки). Antipollution Fault было -его убрали и больше он не загорался. Висят ошибки на датчик надува, на датчик температуры в выхлопной трубе и показывает пустой бачек присодки-йолиса. Насчет бачка присадки мне говорили (те кто гнали машину) что его нет. Я тоже лазил под машиной нигде ничего не видел. DW10ATED 2001г.в.Или я чего-то не понимаю, или вы чего-то не договариваете Ошибка датчика темп-ры в выхлопной трубе и отсутствие бачка - похоже на программно удалённый ФАП, это ладно, но как без управления турбиной машина живчик - это в голове как-то не укладывается, отсутствие эл. магнитного клапана на турбину - это ведь 100% антиполлюшен. Если клапана всё-таки нет - это явно какой-то жуткий колхоз под капотом. Ссылка на комментарий Поделиться на другие сайты Поделиться
neon Опубликовано 13 июля, 2011 Жалоба Поделиться Опубликовано 13 июля, 2011 Без электромагнитного клапана и вакуумной трубки на турбину машина не коптит вообще, ни на холостом ни при сильном нажатии на газ. Дыма не видно .Машина просто живчик - быстро разгоняется. А зачем он на турбину?Диагностику мне сделали действительно только компьютетную (почитали , поснимали ошибки). Antipollution Fault было -его убрали и больше он не загорался. Висят ошибки на датчик надува, на датчик температуры в выхлопной трубе и показывает пустой бачек присодки-йолиса. Насчет бачка присадки мне говорили (те кто гнали машину) что его нет. Я тоже лазил под машиной нигде ничего не видел. DW10ATED 2001г.в.Почитал все посты, что у тебя за машина такая, из Литвы пригоняли? Без клапана управления турбиной, турбина не будет работать и получится овощевозка на которой под гору не подымишься. Говоришь что машина живчик, тогда ты может его не видишь, он сверху не совсем заметен, но с низу хорошо просматривается. Бачёк с присадкой где смотрел? он сзади находится, помойму под левым крылом, где то тут на форуме обсуждалось. Лучше сфотографируй свои датчики, народ подскажет какой за что отвечает. Ссылка на комментарий Поделиться на другие сайты Поделиться
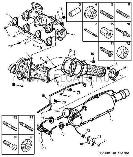
S7sh@ Опубликовано 13 июля, 2011 Жалоба Поделиться Опубликовано 13 июля, 2011 Почему сразу к о л х о з? Если Вы поможете разобраться с всеми этими очень важными мелочами, то будет вообще пулемет.Насчет ФАПа: его у меня по ходу никогда и не было. Стоит там кокойто катализатор. См. ниже схему.А машина действительно едет хорошо и не дымит. На турбину вакуумная трубка точно не идет. Сам видел.А колхоз после замены колевала . Механику сделали четко, а вот с остальным........ Короче разбираюсь сам. Ссылка на комментарий Поделиться на другие сайты Поделиться
Дмитрий Опубликовано 13 июля, 2011 Жалоба Поделиться Опубликовано 13 июля, 2011 Почему сразу к о л х о з? Если Вы поможете разобраться с всеми этими очень важными мелочами, то будет вообще пулемет.Насчет ФАПа: его у меня по ходу никогда и не было. Стоит там кокойто катализатор. См. ниже схему.А машина действительно едет хорошо и не дымит. На турбину вакуумная трубка точно не идет. Сам видел.На схеме внизу ФАП нарисован, вообще-то. Вдоль нижнего патрубка интеркулера от клапана за двигатель трубка не идёт? Короче, давайте фотки клапанов и трубок и не морочьте людям голову. Ссылка на комментарий Поделиться на другие сайты Поделиться
BLASE Опубликовано 13 июля, 2011 Жалоба Поделиться Опубликовано 13 июля, 2011 О, неразборный ФАП. Засада Сгоняй к кому нибудь на приём, пусть покажут тебе наглядно где что. Ссылка на комментарий Поделиться на другие сайты Поделиться
S7sh@ Опубликовано 13 июля, 2011 Жалоба Поделиться Опубликовано 13 июля, 2011 Машина из Франции . Куплена в Литве. Пока доехала застучал двигатель (возможно нае......ли!!!!) Замена коленвала , вкладышей ,........ долго расказывать.И проблема это не единственная.Все на СТО для меня делать дорого. Вот и разбираюсь.На комп.диагностике говорили, что турбина..... не знаю как сказать ....должно когда газуешь что-то там должно быть 1500 а у меня 1100-1200 я точно не помню цифры. Т.Е. плохо работает. И ошибка на датчик надува.Клапана точно не хватает. Смотрел сверху и снизу. И даже не нашел куда он прикручивается. Еще один не прикручен, запутан за патрубок. Писал еще на одной ветке что электропровода к э/магнитным клапанам наверно слегка напутал из-за отсутсвия понятной схемы (у меня с каталога запчастей).Сфоткать смогу чуть позже. Машина на СТО (антифриз выгнанный ищут). Ссылка на комментарий Поделиться на другие сайты Поделиться
ds2001 Опубликовано 13 июля, 2011 Жалоба Поделиться Опубликовано 13 июля, 2011 S7sh@ У вас не машина, а конструктор, похоже литовцы скрутили из того что было, а перегоны вам впарили - проблема на проблеме, читаю и ржу не могу. Антифриз ваш скорей ушёл в выхлопную трубу, если из под машины ничего не лилось, ищите пробоину или в голове или в прокладке или в теплообменнике (стоит за ЕГР). Вероятность найти небольшая, надо по очереди менять прокладку, голову и пр. Удачи, а на станции дорого и гарантий нет, лучше ищите хор. спецов по гаражам, там ребята лучше разбираются. Стучите в л.с. - посоветую Ссылка на комментарий Поделиться на другие сайты Поделиться
IrokeZ Опубликовано 13 июля, 2011 Жалоба Поделиться Опубликовано 13 июля, 2011 это может и конструктор. их же реально было 3 типа двигателейсамый навороченый (АТЕД) это с регулируемой турбиной и с интеркулерома кроме этого были же ещё двигатели без интеркулера и с вариацией слаботурбируемый за счет выхлопных газов (как то так) (ТЕД и ТД)уже с 2004 пошли БТЕД ну а потом СТЕД Ссылка на комментарий Поделиться на другие сайты Поделиться
Рекомендуемые сообщения