Vadik Опубликовано 1 июля, 2011 Жалоба Поделиться Опубликовано 1 июля, 2011 Интересует тема. 4062,0 90лысыСубъективно стала хуже тянуть (только после 2500 оборотов). Раньше иногда (раз в пару месяцев) "просир@лась" - тапок в пол - а сзади как у бэтмена облако дыма. И ездила резвее.Может с этим егр быть связано? Покажите плиз на картинке, где он, и что надо глушить (или чистить)... rafael_1095 1 Ссылка на комментарий Поделиться на другие сайты Поделиться
BLASE Опубликовано 1 июля, 2011 Жалоба Поделиться Опубликовано 1 июля, 2011 Интересует тема. 4062,0 90лысыСубъективно стала хуже тянуть (только после 2500 оборотов). Раньше иногда (раз в пару месяцев) "просир@лась" - тапок в пол - а сзади как у бэтмена облако дыма. И ездила резвее.Может с этим егр быть связано? Покажите плиз на картинке, где он, и что надо глушить (или чистить)...Тебе сюда. Там и картинки есть. Ссылка на комментарий Поделиться на другие сайты Поделиться
YAS_ Опубликовано 18 июля, 2011 Жалоба Поделиться Опубликовано 18 июля, 2011 (изменено) Если нужно решить вопрос с ЕГР - отключить(особенно рекомендуется при городском режиме работы авто), пишите в ЛС или в СКАЙП(желательно). Изменено 18 июля, 2011 пользователем YAS_ Ссылка на комментарий Поделиться на другие сайты Поделиться
asiris Опубликовано 24 августа, 2011 Жалоба Поделиться Опубликовано 24 августа, 2011 да давно их глушат уже)приезжай прошивку сливать, посмотрим что можно сделать )а как же чудо-способ - сбросил фишку, как некоторые и все в порядке? На писал вам в личку. Можете ли Вы помочь с ЕГР 1.6 Hdi Ссылка на комментарий Поделиться на другие сайты Поделиться
ditmar Опубликовано 24 августа, 2011 Жалоба Поделиться Опубликовано 24 августа, 2011 Доброго всем дня! Кто-нибудь может по-порядку и обстоятельно описать весь процесс глушения, где, что и как. И если можно с фото?307, 2.0 DW10ATED, 2002 г. Ссылка на комментарий Поделиться на другие сайты Поделиться
Дмитрий Опубликовано 24 августа, 2011 Жалоба Поделиться Опубликовано 24 августа, 2011 Вместо прокладки №16 ставим глухую пластинку из консервной банки. Можно как вариант под №3, но к нему фиг подлезешь нормально, да и прокладку надо из железяки помассивнее, иначе прогорит.Сегодня себе заглушил, но в деле попробую где-то через недельку минимум - без КПП машина ездить не хочет Ссылка на комментарий Поделиться на другие сайты Поделиться
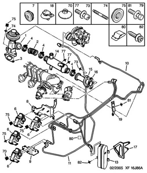
BLASE Опубликовано 25 августа, 2011 Жалоба Поделиться Опубликовано 25 августа, 2011 ditmar, на всякий случай купи прокладку 0348N6 стоит копейки, но если ненароком сломаешь, захотев посмотреть что внутри впускного коллектора, то будет беда. Снимать нужно аккум, площадку под него желательно, патрубок и заслонку интеркулера, крышку воздушного фильтра и следующий за ним пластиковый патрубок (к нему хомутиками притянута трубка управления ЕГРом). Эту трубку снимешь с ЕГР и заглушишь болтом. В первый раз кажется сложно, а второй раз уже все быстро и просто. Ссылка на комментарий Поделиться на другие сайты Поделиться
S7sh@ Опубликовано 25 августа, 2011 Жалоба Поделиться Опубликовано 25 августа, 2011 ditmar, на всякий случай купи прокладку 0348N6 стоит копейки, но если ненароком сломаешь, захотев посмотреть что внутри впускного коллектора, то будет беда. Снимать нужно аккум, площадку под него желательно, патрубок и заслонку интеркулера, крышку воздушного фильтра и следующий за ним пластиковый патрубок (к нему хомутиками притянута трубка управления ЕГРом). Эту трубку снимешь с ЕГР и заглушишь болтом. В первый раз кажется сложно, а второй раз уже все быстро и просто. Что-то слишком много для того чтобы заглушить егр?Не проще ли будет скинуть фишку с 1-го(самый верхний) э/магнитного клапана . При желании этот э/магн. клапан можно вообще выкинуть(продать мне, по дешовке ), заглушив при этом вак.трубку идущую с вакуумного бачка на этот клапан. Но я думаю скинуть фишки достаточно(если егр до этого нормально работал т.е. его не заклинило в непонятном положении). А вообще возможно, не снимая (вывешивая) двигатель, открутить впускной коллектор, турбину??? Ссылка на комментарий Поделиться на другие сайты Поделиться
BLASE Опубликовано 25 августа, 2011 Жалоба Поделиться Опубликовано 25 августа, 2011 Без ЭМК скорее всего ошибку получишь на БК. Если не подклинивший клапан, то должно прокатить.Турбину снять может и можно сняв глушак. А с впускным коллектором даже не знаю. Ссылка на комментарий Поделиться на другие сайты Поделиться
genetik Опубликовано 26 августа, 2011 Жалоба Поделиться Опубликовано 26 августа, 2011 (изменено) Пишу в общую тему про ЕГР.Тоже ищу возможность заглушить клапан, с пропиской в мозгах.Машина Пежо 308 1,6 HDI (DV6TED4)110 л.с. 2010г., то есть мотор такой же как на Пежо 307 (последние годы).FAP тоже присутствует.Прошивка не знаю какая (15,16, или 18, хотя последняя вряд ли).Нужна отработанная метода (по прошивке), живу далеко (750 км.от Минска) и приехать в Минск на машине, где управление встало в аварийный режим, не представляется возможным.А у нас в России, большинство сервисов ремонтирует до стокового состояния, не меняя конструкцию.Кстати, как сервис В Минске на ул. Бородинская 2-а? Изменено 26 августа, 2011 пользователем genetik Ссылка на комментарий Поделиться на другие сайты Поделиться
Модератор Daiver Опубликовано 26 августа, 2011 Модератор Жалоба Поделиться Опубликовано 26 августа, 2011 Машина еще должна быть на гарантии если год выпуска 2010. Не вижу проблемы вообще - обратись к дилеру, пусть они сушат себе мозги. Ссылка на комментарий Поделиться на другие сайты Поделиться
genetik Опубликовано 26 августа, 2011 Жалоба Поделиться Опубликовано 26 августа, 2011 Машина еще должна быть на гарантии если год выпуска 2010. Не вижу проблемы вообще - обратись к дилеру, пусть они сушат себе мозги.Имешь ввиду обратиться к офиц. дилеру по поводу "заглушить ЕГР"?Может это шутка такая? Ссылка на комментарий Поделиться на другие сайты Поделиться
Модератор Daiver Опубликовано 26 августа, 2011 Модератор Жалоба Поделиться Опубликовано 26 августа, 2011 Зачем его вообще глушить? Пробег уже 150-200 тыс? Ошибки горят? Ссылка на комментарий Поделиться на другие сайты Поделиться
BLASE Опубликовано 26 августа, 2011 Жалоба Поделиться Опубликовано 26 августа, 2011 Кстати, как сервис В Минске на ул. Бородинская 2-а?Они мне неисправный датчик перепада давления не увидели в прошлом году, потом с вакуумными трубками развели якобы слетевшими с ЭМК. Была тема на рено-клубе - не один я остался недовольным. Жаль снесли её. Но она у меня где то сохраненная почти вся есть. На память А ЕГР я думаю они тебе сделают.Тоже не понимаю зачем его тебе убирать? Пока на гарантии - суши моск дилеру. Закончится - уберешь егр, к тому времени много кто освоит это дело, ценник поприятнее будет Ссылка на комментарий Поделиться на другие сайты Поделиться
genetik Опубликовано 27 августа, 2011 Жалоба Поделиться Опубликовано 27 августа, 2011 (изменено) Зачем его вообще глушить? Пробег уже 150-200 тыс? Ошибки горят?Зачем вообще глушить?, это вечный спор, который шел и на этом форуме в том числе.Не хочу чтобы эта "дрянь" летела во впускной коллектор двигателя.И делать это надо на малых пробегах (пока двигатель чистый и неизношенный абразивом), а при пробеге 150-200 т.км., уже как говорится, "поздно пить боржоми".Как-то так.Они мне неисправный датчик перепада давления не увидели в прошлом году, потом с вакуумными трубками развели якобы слетевшими с ЭМК. Была тема на рено-клубе - не один я остался недовольным. Жаль снесли её. Но она у меня где то сохраненная почти вся есть. На память :lolА ЕГР я думаю они тебе сделают.======================================================================================Спасибо за информацию.Тоже не понимаю зачем его тебе убирать? Пока на гарантии - суши моск дилеру. Закончится - уберешь егр, к тому времени много кто освоит это дело, ценник поприятнее будет =======================================================================================Ответил на этот вопрос в предыдущем посте. Изменено 27 августа, 2011 пользователем genetik Ссылка на комментарий Поделиться на другие сайты Поделиться
genetik Опубликовано 27 августа, 2011 Жалоба Поделиться Опубликовано 27 августа, 2011 У меня гарантия до марта 2012 года, зимой ездить не буду, значит остается сентябрь - ноябрь.Если учесть, что вся подвеска и тормоза (диски, колодки), уже не на гарантии, возникает вопрос, зачем она вообще нужна.Поэтому 2-ТО (осенью) буду проходить в обычном (не офиц.) сервисе.По крайне мере буду уверен, что фильтры и масла мне на самом деле поменяли, а не просто тряпочкой там протерли (контроля нет, в рем. зону не пускают).Да и платить за замену масла, масл. фильтра и воздушного фильтра 220$, нет никакого желания.Так что с гарантией, думаю "завязать", все (эта 20-цатая) свои машины обслуживал без гарантии и до сих пор жив. Ссылка на комментарий Поделиться на другие сайты Поделиться
S7sh@ Опубликовано 27 августа, 2011 Жалоба Поделиться Опубликовано 27 августа, 2011 (изменено) Без ЭМК скорее всего ошибку получишь на БК. Если не подклинивший клапан, то должно прокатить.Турбину снять может и можно сняв глушак. А с впускным коллектором даже не знаю.Ошибка будет конечно, но на приборке не горит . на динамику не влияет Насчет снять турбину: залазил снизу смотрел , там ни кчему не подобраться.(У меня там подгоняет масло, хотел снять посмотреть, какраз отпуск с 29 августа)Насчет впускного коллектора: тоже хотелосьбы почистить пока тепло и отпуск, только снать не знаю как.Подмогите-подскажите. Изменено 27 августа, 2011 пользователем S7sh@ Ссылка на комментарий Поделиться на другие сайты Поделиться
Foblas Опубликовано 1 сентября, 2011 Жалоба Поделиться Опубликовано 1 сентября, 2011 в 307 по ходу только с выниманием двигателя, туда вообще подлезть невозможно имхо Ссылка на комментарий Поделиться на другие сайты Поделиться
Модератор Daiver Опубликовано 1 сентября, 2011 Модератор Жалоба Поделиться Опубликовано 1 сентября, 2011 Да, с коллектором у них там косяк. Но снять можно не вынимая мотор, но все равно вывешивая и смещая весь силовой агрегат вперед, к радиатору. Работы - вагон Ссылка на комментарий Поделиться на другие сайты Поделиться
Дмитрий Опубликовано 1 сентября, 2011 Жалоба Поделиться Опубликовано 1 сентября, 2011 Я чистил впуск не снимая с двига ( в идеале, конечно снять бы, но...). Сколько смог - выгреб не меньше мл 200-300 дерьма. После чего заглушил ЕГР нафиг. После старта двига (дело было в гараже), глянул в зеркало заднего вида - и не увидел авто, всё заволокло едким чёрным дымом - горело дерьмо попавшее в цилиндры. Я - тикать из гаража. Со стороны вид был такой, будто гараж горит Ссылка на комментарий Поделиться на другие сайты Поделиться
Foblas Опубликовано 1 сентября, 2011 Жалоба Поделиться Опубликовано 1 сентября, 2011 Не я побоялся там елозить ершиком, мало ли забьет куда под клапана. Врядли же оно безопасно в трубу вылетит все? Ссылка на комментарий Поделиться на другие сайты Поделиться
Модератор Daiver Опубликовано 1 сентября, 2011 Модератор Жалоба Поделиться Опубликовано 1 сентября, 2011 Комья слежавшейся сажи могут немного повредить крыльчатку. На давление наддува практически не повлияет, но вот неприятный звук работы турбины может добавить. Ссылка на комментарий Поделиться на другие сайты Поделиться
Дмитрий Опубликовано 2 сентября, 2011 Жалоба Поделиться Опубликовано 2 сентября, 2011 Не я побоялся там елозить ершиком, мало ли забьет куда под клапана. Врядли же оно безопасно в трубу вылетит все?Не, ёршиком я не чистил, я скребки всякие делал из подручных средств. Да и комьями туда вряд ли забьёт - внизу консистенция как у очень густой сметаны, вверху - сухая сажа, середину - где комья твёрже - выгреб вроде всю. Так что, думаю, потиху каку со временем маслом вымоет. Ссылка на комментарий Поделиться на другие сайты Поделиться
Zikrit Опубликовано 13 октября, 2011 Жалоба Поделиться Опубликовано 13 октября, 2011 Может кто написать как почистить ЕГР и к нему прилагающее на 307 2.0 Hdi (136 л.с.)?? После чистки я так понял лучше заглушить его? Ссылка на комментарий Поделиться на другие сайты Поделиться
liroma Опубликовано 21 ноября, 2011 Жалоба Поделиться Опубликовано 21 ноября, 2011 Подскажите пожалуйста, как заглушить ЕГР в 307-ом 2,0 hdi(107 л.с.) ? Просто он находится за двигателем, как к нему добраться ? Ссылка на комментарий Поделиться на другие сайты Поделиться
sternsirius Опубликовано 18 февраля, 2012 Жалоба Поделиться Опубликовано 18 февраля, 2012 Народ, неужели так сложно пользоваться поиском... про ЕГР тут уже тонны инфы, правда в основном про 2,0 HDI/ TO molodoi вот про расположение Евгеник приводит схему http://www.peugeot-c...opic=7210&st=40 Трудно? да не трудно, просто ваш поиск почему то у меня не работает, и по русски набирал, и по английски и так и сяк, а ничего не выдает, сидишь листаешь темы, а их здесь ой как много, а что делать людям кого время жмет, и он не может сутками в нете сидеть. нихочу никого критиковать, но вы ребят понимаете, люди сюда приходят за помощью, а им в ответ пользуйся поиском Ссылка на комментарий Поделиться на другие сайты Поделиться
Евгеник Опубликовано 18 февраля, 2012 Жалоба Поделиться Опубликовано 18 февраля, 2012 Трудно? да не трудно, просто ваш поиск почему то у меня не работает, и по русски набирал, и по английски и так и сяк, а ничего не выдает, сидишь листаешь темы, а их здесь ой как много, а что делать людям кого время жмет, и он не может сутками в нете сидеть. нихочу никого критиковать, но вы ребят понимаете, люди сюда приходят за помощью, а им в ответ пользуйся поискомПо-русски, в чем проблемма? Ссылка на комментарий Поделиться на другие сайты Поделиться
sternsirius Опубликовано 18 февраля, 2012 Жалоба Поделиться Опубликовано 18 февраля, 2012 Трудно? да не трудно, просто ваш поиск почему то у меня не работает, и по русски набирал, и по английски и так и сяк, а ничего не выдает, сидишь листаешь темы, а их здесь ой как много, а что делать людям кого время жмет, и он не может сутками в нете сидеть. нихочу никого критиковать, но вы ребят понимаете, люди сюда приходят за помощью, а им в ответ пользуйся поискомПо-русски, в чем проблемма?проблема с поиском? с поиском не выдает что интересует, приходиться так листать Ссылка на комментарий Поделиться на другие сайты Поделиться
Евгеник Опубликовано 19 февраля, 2012 Жалоба Поделиться Опубликовано 19 февраля, 2012 проблема с поиском? с поиском не выдает что интересует, приходиться так листатьназвание темы видишь? там есть что-нибудь о поиске? что с ЕГР? Ссылка на комментарий Поделиться на другие сайты Поделиться
pashoksvetly Опубликовано 19 февраля, 2012 Жалоба Поделиться Опубликовано 19 февраля, 2012 (изменено) поменяли турбину, ремни, масло, фильтра, заглушили клапан ЭГР, машина все равно дымит, может кто знает в чем проблема? и дает ли эффект заглушка ЭГР? нету сажевого фильтра. Изменено 19 февраля, 2012 пользователем pashoksvetly Ссылка на комментарий Поделиться на другие сайты Поделиться
Рекомендуемые сообщения