Димыч. Опубликовано 26 июня, 2016 Жалоба Поделиться Опубликовано 26 июня, 2016 Что датчик температуры показывает? При каких температурах включаются первая и вторая скорости? Ссылка на комментарий Поделиться на другие сайты Поделиться
Модератор Daiver Опубликовано 26 июня, 2016 Модератор Жалоба Поделиться Опубликовано 26 июня, 2016 Чисто для справки, что за антифриз залит? Какого цвета и когда менялся? 1,8 FLY? Да,1.8 LFY,Я всегда заливал зеленый.Так дело не в этом.Я там на заправке залил воды,чтобы доехать до дома.А сегодня ,когда завел,то через минут 15 опять такаже фигня.Температура на max и и из бачка сифон такой не хилый.Походу ОЖ не циркулирует.Где искать причину даже и не знаю.Не одно,так второе.Вроде завелась(я тут недавно тему другую заводил),но ездить стремно Так самое очевидное, термостат, проверяй. Ссылка на комментарий Поделиться на другие сайты Поделиться
Uollass Опубликовано 26 июня, 2016 Жалоба Поделиться Опубликовано 26 июня, 2016 Что датчик температуры показывает? При каких температурах включаются первая и вторая скорости? Вентилятор крутит,но почему-то только вторая скорость не включается.И это все после того стало,как я перекопошил всю проводку,что в моторном(релюшки ,разьемы зачищал).А датчик температуры зашкаливает,когда нагревается. Ссылка на комментарий Поделиться на другие сайты Поделиться
Димыч. Опубликовано 26 июня, 2016 Жалоба Поделиться Опубликовано 26 июня, 2016 Если не прокачать правильно систему, то и будет кипеть. У самого когда антифриз менял температура выросла, думал из-за жары. А оказалось, хреново прокачал. Ссылка на комментарий Поделиться на другие сайты Поделиться
Uollass Опубликовано 26 июня, 2016 Жалоба Поделиться Опубликовано 26 июня, 2016 Если не прокачать правильно систему, то и будет кипеть. У самого когда антифриз менял температура выросла, думал из-за жары. А оказалось, хреново прокачал. Прокачано то было уже.Я же ездил раньше.Я не могу понять почему жидкость циркулирует в салон и обратно,а между радиатором и бачком ни капли Ссылка на комментарий Поделиться на другие сайты Поделиться
патроль Опубликовано 26 июня, 2016 Жалоба Поделиться Опубликовано 26 июня, 2016 Прежде всего убедись что система развоздушена. Как, в этой теме или другой, схожей. все расписано и показано. Потом прогрей двигатель и при температуре около 90 проверь верхний патрубок радиатора, он идет от термостата, и при такой температуре должен быть очень горячим, а низ радиатора на много холоднее. Если этого нет, вскрой термостат, проходное сечение его не очень, и убедись что он не зарос грязью. Сам термостат тоже достань. Есть способы его проверки, но боюсь смысла в этом нет, но прежде чем бежать в магазин, убедись в его грехах. За 15 минут вода закипела, это интересно. Жидкость циркулировать должна между блоком и радиатором. А по поводу прокачал, то есть развоздушил, я не уверен. Бачок расширительный расположен у 406 так, что без его поднятия над двигателем, или установки на горловину дополнительного бачка, после чего выпускается воздух из всех точек. систему не заправишь и не развоздушишь. Ссылка на комментарий Поделиться на другие сайты Поделиться
Uollass Опубликовано 26 июня, 2016 Жалоба Поделиться Опубликовано 26 июня, 2016 Прежде всего убедись что система развоздушена. Как, в этой теме или другой, схожей. все расписано и показано. Потом прогрей двигатель и при температуре около 90 проверь верхний патрубок радиатора, он идет от термостата, и при такой температуре должен быть очень горячим, а низ радиатора на много холоднее. Если этого нет, вскрой термостат, проходное сечение его не очень, и убедись что он не зарос грязью. Сам термостат тоже достань. Есть способы его проверки, но боюсь смысла в этом нет, но прежде чем бежать в магазин, убедись в его грехах. За 15 минут вода закипела, это интересно. Жидкость циркулировать должна между блоком и радиатором. А по поводу прокачал, то есть развоздушил, я не уверен. Бачок расширительный расположен у 406 так, что без его поднятия над двигателем, или установки на горловину дополнительного бачка, после чего выпускается воздух из всех точек. систему не заправишь и не развоздушишь. Всё развоздушено.Сегодня проверял.А насчёт всего остального гляну завтра.Может бачку хана??? Ссылка на комментарий Поделиться на другие сайты Поделиться
патроль Опубликовано 26 июня, 2016 Жалоба Поделиться Опубликовано 26 июня, 2016 "Может бачку хана???" Это как? Ссылка на комментарий Поделиться на другие сайты Поделиться
Uollass Опубликовано 26 июня, 2016 Жалоба Поделиться Опубликовано 26 июня, 2016 "Может бачку хана???" Это как? Не знаю).Читал где-то,что с крышкой может что-то быть. Ссылка на комментарий Поделиться на другие сайты Поделиться
Димыч. Опубликовано 26 июня, 2016 Жалоба Поделиться Опубликовано 26 июня, 2016 Рекомендую найти инфу по развоздушиванию системы охлаждения. Если после правильного развоздушивания ситуация не изменится - замена термостата. Ссылка на комментарий Поделиться на другие сайты Поделиться
патроль Опубликовано 26 июня, 2016 Жалоба Поделиться Опубликовано 26 июня, 2016 "Может бачку хана???" Это как? Не знаю).Читал где-то,что с крышкой может что-то быть. В крышке 2 клапана, разбираются, проверяются, собираются. И никогда не пиши "Люди добрые,помогите", правила форума запрещают, буду удалять вместе с текстом. Ссылка на комментарий Поделиться на другие сайты Поделиться
Uollass Опубликовано 26 июня, 2016 Жалоба Поделиться Опубликовано 26 июня, 2016 Рекомендую найти инфу по развоздушиванию системы охлаждения. Если после правильного развоздушивания ситуация не изменится - замена термостата. Понял.А можно как-нибудь проверить термостат без замены на новый?Тестером или может каким-нибудь другим способом? Ссылка на комментарий Поделиться на другие сайты Поделиться
Димыч. Опубликовано 26 июня, 2016 Жалоба Поделиться Опубликовано 26 июня, 2016 Термостат проверяется в горячей воде, с градусником. От старости вполне мог накрыться. Ссылка на комментарий Поделиться на другие сайты Поделиться
патроль Опубликовано 26 июня, 2016 Жалоба Поделиться Опубликовано 26 июня, 2016 То что я писал подробно ранее и есть проверка термостата. До 83 патрубок должен быть чуть теплый, после 90 горячий. Это и есть работа термостата. Я вот за целостность прокладки начинаю сомневаться. Не слишком ли быстро растет температура? Ссылка на комментарий Поделиться на другие сайты Поделиться
Uollass Опубликовано 26 июня, 2016 Жалоба Поделиться Опубликовано 26 июня, 2016 Я вот за целостность прокладки начинаю сомневаться. Не слишком ли быстро растет температура? прокладки гбц? Ссылка на комментарий Поделиться на другие сайты Поделиться
патроль Опубликовано 26 июня, 2016 Жалоба Поделиться Опубликовано 26 июня, 2016 Да. Но не торопись пугаться. Не спеша, с умом, во время прогрева прощупай руками весь контур циркуляции. Я про воздух молчу, раз ты так уверен. Ссылка на комментарий Поделиться на другие сайты Поделиться
Дед Барадед Опубликовано 26 июня, 2016 Жалоба Поделиться Опубликовано 26 июня, 2016 Такой вопросец ребята, машина 406 рест XU7JP4 на картинке в сервисбоксе показаны два датчика и заглушка меду ними. У меня же стоит три датчика, верхний синий, и два коричневых. Что за третий датчик? Ща перестали вкл вентили полез копать, а там такая засада))) Ссылка на комментарий Поделиться на другие сайты Поделиться
Uollass Опубликовано 10 июля, 2016 Жалоба Поделиться Опубликовано 10 июля, 2016 Да. Но не торопись пугаться. Не спеша, с умом, во время прогрева прощупай руками весь контур циркуляции. Я про воздух молчу, раз ты так уверен. Наверное,надо пугаться.)Только собрался смотреть термостат.Думаю,дай заведу,прогрею,проверю,как тута учили .Вроде завел,прогрел.Всё вроде в норме,кроме того,что начала газовать,ни с того ни с сего.Глушу.И что?Слышу что-то капает на метал,но не видно куда.Поленился снимать подкрылок.Думаю сразу спрошу ,что это может быть.Но мне кажется,что это дело в прокладке.За минут 10 сегодня на холостых нагрелась до 90.Потом ,когда заглушил подождал минут 15 и открыл крышку бачка.Ну тут поперли пшики всякие,а когда закрыл,то все равно сифонило.Получается,что ещё впридачу и бачку хана?И самое неожиданное в этом деле то,что вроде пришел делать одно,а тут еще и проблема с оборотами появилась. Ссылка на комментарий Поделиться на другие сайты Поделиться
патроль Опубликовано 11 июля, 2016 Жалоба Поделиться Опубликовано 11 июля, 2016 Где-то там, (я не ремонтник и всех двигателей пежо не изучал) стоит насос циркуляции ОЖ, простым языком, помпа. Чтобы жидкость не текла, вал защищен сальником. Если он по какой то причине начал пропускать, при стоящем двигателе через него потечет жидкость, при работающем, через этот сальник сосет воздух. Отсюда вывод; жидкость вытекает, ее место занимает воздух. Это только предположение, но ты его проверь. Хочу заметить что, жидкость может течь при наличии давления в системе (сжатый воздух) но может и постоянно, но меньше, потому смотри внимательно. Но обычно потеки антифриза оставляют след. Если будет сам газовать и заслонка закрыта (не зависает) возможно льет одна из форсунок. Под нагрузкой обороты при этом падают. Ссылка на комментарий Поделиться на другие сайты Поделиться
Uollass Опубликовано 11 июля, 2016 Жалоба Поделиться Опубликовано 11 июля, 2016 Так я ради интереса.На 5 сек эавожусь,потом обратно.И слышу пару капель и главное,что сразу.А что там насчет форсунок? Ссылка на комментарий Поделиться на другие сайты Поделиться
патроль Опубликовано 11 июля, 2016 Жалоба Поделиться Опубликовано 11 июля, 2016 Так я ради интереса.На 5 сек эавожусь,потом обратно.И слышу пару капель и главное,что сразу. А что там насчет форсунок? Один из возможных вариантов произвольного набора двигателем оборотов. Нормально закрытая форсунка "сухая", количество впрыскиваемого топлива определяется временем открытого состояния форсунки. Но если она по какой-то причине не закрывается, впрыскивается дополнительное количество топлива, смесь обогощается, обороты растут. Но при включении передачи, они падают, поскольку количество излишнего топлива не велико. С этим можно мириться, иногда все приходит в норму само, если нет дорога к спецам. Ну а с капельками разбирайтесь на месте. Ссылка на комментарий Поделиться на другие сайты Поделиться
Andrei_Shakh Опубликовано 15 июля, 2016 Жалоба Поделиться Опубликовано 15 июля, 2016 Всем привет. Такая проблема, поменял радиатор охлаждения и вентиляторы тоже. машина с кондером. после сборки при включении зажигания вентиляторы сразу начинают работать то на самой высокой скорости то просто на первой. в чем может быть причина? Ссылка на комментарий Поделиться на другие сайты Поделиться
патроль Опубликовано 15 июля, 2016 Жалоба Поделиться Опубликовано 15 июля, 2016 Всем привет. Такая проблема, поменял радиатор охлаждения и вентиляторы тоже. машина с кондером. после сборки при включении зажигания вентиляторы сразу начинают работать то на самой высокой скорости то просто на первой. в чем может быть причина? Проверяй схему, начиная с "Битрона". А когда задаешь вопрос, не забывай указывать марку двигателя да и год выпуска машины не каждый станет искать. Ссылка на комментарий Поделиться на другие сайты Поделиться
Uollass Опубликовано 15 июля, 2016 Жалоба Поделиться Опубликовано 15 июля, 2016 .Ни с того ни с сего стал пропадать антифриз.Из бачка ,когда машина нагреется пар валит ,что не дай бог.Вчера поехал на заправку(метров 800) ,только приехал ,как из капота попер густой дым.Открываю капот,а из бочка из под крышки свистит,кипит и тд и тп,а под машиной лужа.Радиатор проверил-целый. Вообщем,узнал я в чем дело.Оказывается просто не срабатывала релюшка на включение вентилятора самая правая,что за решеткой радиатора.Я её пошевелил и вентилятор заработал и машина перестала закипать. Ссылка на комментарий Поделиться на другие сайты Поделиться
Иваныч@ Опубликовано 15 июля, 2016 Жалоба Поделиться Опубликовано 15 июля, 2016 Доброго дня. Попробую свалить все кучу и надеюсь на Вашу помощь советом. 2000-1.8-бензин-дв.XU 7JP4. 1.В последнее время (до двух мес.) стал загораться кратковременно сигнал STOP, ПИСК, но прочесть табло не успевал. Системы не было (5-6) раз за указанный период. Сейчас проявляется чаще и прочел ''страшную надпись'' - ENGINE COOLANT TEMP.TOO HIGH, перевод думаю известен. 2.При этом температура 87-90, сопутствующие жидкости в норме и свежие. 3.Патрубки охлаждения, от термостата горячий, нижний терпимо (т.е. как в норме) 4.Клему с датчика сигнала на приб.панель снимал -реакция адекватна (стрелка в минусе). Теперь о ''куче". 1. При вкл.кондиционера, все по списку, но вентилятор со стороны пассажира включается через 5-10 секунд. Работает один (не в паре) и на 2-й скорости, второй не вкл. - причина неизвестна. Температура такая-же (87-90), был всплеск один раз до 100. 2. В ходе шевеления разъема на датчике ОЖ (как манипуляция с тумблером), все при той же температуре, включается тот же вентилятор, с той же скоростью (ВКЛ-ВЫКЛ). Провел чистку разъема, пару дней все ОК, подумал вылечил, но увы.......Заказал новый датчик!!!!! 3. При вкл.зажигании, разъем не снимал с датчика ОЖ, не знаю. Должны вроде два на 1-й скорости включиться. 4 .Реле на вентиляторах смотрел,чистые, менял местами - безрезультатно. Второй на работоспособность не проверял. 5. Bitron, проводку - не смотрел. Вентилятор работает, больше плохих мыслей и предпосылок, повышения температуры, чтобы на это обратить внимание не было. Прошу поделиться соображениями на этот счет. Всем благодарен. Спасибо. Ссылка на комментарий Поделиться на другие сайты Поделиться
патроль Опубликовано 15 июля, 2016 Жалоба Поделиться Опубликовано 15 июля, 2016 .Ни с того ни с сего стал пропадать антифриз.Из бачка ,когда машина нагреется пар валит ,что не дай бог.Вчера поехал на заправку(метров 800) ,только приехал ,как из капота попер густой дым.Открываю капот,а из бочка из под крышки свистит,кипит и тд и тп,а под машиной лужа.Радиатор проверил-целый. Вообщем,узнал я в чем дело.Оказывается просто не срабатывала релюшка на включение вентилятора самая правая,что за решеткой радиатора.Я её пошевелил и вентилятор заработал и машина перестала закипать. Что-то получается "в огороде бузина а в Киеве..." Я помню всю историю. За 10 минут закипятить двигатель? А капало что и от куда? Но если тебя устраивает.... Ссылка на комментарий Поделиться на другие сайты Поделиться
Uollass Опубликовано 15 июля, 2016 Жалоба Поделиться Опубликовано 15 июля, 2016 Что-то получается "в огороде бузина а в Киеве..." Я помню всю историю. За 10 минут закипятить двигатель? А капало что и от куда? Но если тебя устраивает.... Даже и не знаю,что и сказать.На холостых поработала где-то с час и не закипела.А что насчет капает,то друг говорит,что это не капли,а какое-то незначительный треск в районе глушителя.Завтра попробую проехать по трассе,посмотрю,что будет. Ссылка на комментарий Поделиться на другие сайты Поделиться
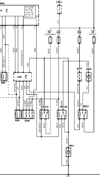
патроль Опубликовано 15 июля, 2016 Жалоба Поделиться Опубликовано 15 июля, 2016 Иваныч, загружаю схему. Она читается легко без поясниловки. Вентиляторы управляются ЭБУ двигателя 35, никаких битронов. Включаются или последовательно малая скорость или параллельно большая скорость. Один вентилятор не работает, значит неисправна или цепь управления или реле. Датчик температуры один, непонятно почему при срабатывании второй скорости и даже при включении ошибки, температура на приборке не велика. Я бы грешил на приборку или цепь от ЭБУ к ней. Ссылка на комментарий Поделиться на другие сайты Поделиться
Иваныч@ Опубликовано 16 июля, 2016 Жалоба Поделиться Опубликовано 16 июля, 2016 Спасибо Николай. Это хорошо, что не связано с Bitronom, облегчает зону поиска неисправности. Сегодня получу датчик, реле уже есть, но и старые еще не проверял, моторчик вентилятора подсоединить на прямую думаю можно от АБ, крутил рукой - вращается легко. В общем буду проводить проверку по твоим рекомендациям. Посыл на приборку, настораживает. Система не прослеживается, все происходящее непредсказуемо, т.е. может проявиться в любой момент. Езжу ежедневно, выскакивает периодически. Хочется надеяться на неисправность вентилятора. Датчик менял, как уже писал выше, он работает, тогда, что может быть по приборке? И еще, у меня на блоке термостата, стоит три датчика. Верхний (синий) на приборку, средний (коричневый) на темп.ОЖ, а вот третий зеленый не знаю. Спасибо за схемку. Буду заниматься, по результатам отпишусь. P.S. Нашел такую выдержку - предупреждение о перегреве. Как вариант, если BSI не получает информацию от ЭБУ двигателя о температуре, то автоматом вываливается предупреждение о перегреве.????? Ссылка на комментарий Поделиться на другие сайты Поделиться
Иваныч@ Опубликовано 18 июля, 2016 Жалоба Поделиться Опубликовано 18 июля, 2016 Николай все получилось.Спасибо. Проверил реле, потом замкнул левое и правое - вентиляторы заработали на 1-й скорости оба. Блок управления, справа от аккумулятора (пачка сигарет , точно не помню (6, 10 контакты), провода окислились и держались на изоляции. Перепайка (не много неудобно вытаскивать клемы), сгнили под "корень". Все сделал, проверил, снял клему с датчика температуры ОХ - на 1-й скорости оба вращаются. Теперь алгоритм работы такой: после 85 градусов включается оба на 1-й скорости). Вторая включается в экстремальной ситуации (когда температуры свыше 100-110 градусов, не проверял). При включении кондиционера, левый на первой скорости. При измерении питание было только на правом и среднем, не знаю правильно? Приехал из лесу, заглушил, включились вентиляторы (вентилятор), не смотрел. Очень доволен, завтра в Питер, а с такой работой системы охлаждения, страшновато было.Теперь все хорошо. Еще раз спасибо. P.S. А началось все с замены верхнего сальника редуктора (машинки) рулевой рейки. Ранее купленный не подошел (маловат 19.6 ), но когда в руках есть, что показать в магазине, все нашлось и не 300 рублей, а 55, не знаю сколько проходит...?., не бренд, рейку не снимал. Извини, что не в тему. Ссылка на комментарий Поделиться на другие сайты Поделиться
Рекомендуемые сообщения