Toretto Опубликовано 25 сентября, 2009 Жалоба Поделиться Опубликовано 25 сентября, 2009 Если пятно на стыке или возле стыка коробки\двигателя - задний коленвала 100%. Больше там течь нечему.и почем работка будет...если это он? Ссылка на комментарий Поделиться на другие сайты Поделиться
ByZoNe Опубликовано 25 сентября, 2009 Жалоба Поделиться Опубликовано 25 сентября, 2009 Если пятно на стыке или возле стыка коробки\двигателя - задний коленвала 100%. Больше там течь нечему.и почем работка будет...если это он? тыс 150-170 + за сам сальник.. в гараже я мужохался 1.5 дня сам )) зато знаю что все закрутил, поменял что надо. и сухо уже 1.5 года ) Ссылка на комментарий Поделиться на другие сайты Поделиться
AlexAL Опубликовано 5 октября, 2009 Жалоба Поделиться Опубликовано 5 октября, 2009 Пежо 406, 1,9 тдиТечет масло со стороны салона, где-то сверху. Вроде как от впускного коллектора. Тут выше писалось про двигатель 2,1 , что есть кольца там.Что конкретно по моему двигателю? Система такая же? Ссылка на комментарий Поделиться на другие сайты Поделиться
Модератор Citrin Опубликовано 5 октября, 2009 Модератор Жалоба Поделиться Опубликовано 5 октября, 2009 Течет скорей всего из под клапанной крышки. Пежо 406, 1,9 тди1,9TD, букву "и" не нужно писать Ссылка на комментарий Поделиться на другие сайты Поделиться
AlexAL Опубликовано 5 октября, 2009 Жалоба Поделиться Опубликовано 5 октября, 2009 Сильно трудоемко прокладку менять? Что надо снимать-вывешивать?Прокладки эти одного вида или бывают типа пробковая, резиновая?А то было дело...Гольф-2 1,6 TD...поставил прокладку резиновую без задней мысли. А там в местах закручивания гаек стоят какие-то металлические колечки(в самой резине), поэтому клапанная крышка неплотно прилегала. В итоге - 5 литров масла на дороге, сломанная шпилька, 1 прокладка резиновая, 1 прокладка пробковая... ЗЫ почему "и" не нужно писать? Он же с интеркулером? Ссылка на комментарий Поделиться на другие сайты Поделиться
Модератор Citrin Опубликовано 5 октября, 2009 Модератор Жалоба Поделиться Опубликовано 5 октября, 2009 "И" не нужно писать по одной причине, если кого-то зовут Саша, ему не понравиться когда его будут называть Аркадий. Поэтому на 406 моторы 2.1Td, 1.9Td , просто без И Ссылка на комментарий Поделиться на другие сайты Поделиться
beerkut Опубликовано 5 октября, 2009 Жалоба Поделиться Опубликовано 5 октября, 2009 Сильно трудоемко прокладку менять? Что надо снимать-вывешивать?Прокладки эти одного вида или бывают типа пробковая, резиновая?А то было дело...Гольф-2 1,6 TD...поставил прокладку резиновую без задней мысли. А там в местах закручивания гаек стоят какие-то металлические колечки(в самой резине), поэтому клапанная крышка неплотно прилегала. В итоге - 5 литров масла на дороге, сломанная шпилька, 1 прокладка резиновая, 1 прокладка пробковая... ЗЫ почему "и" не нужно писать? Он же с интеркулером? прокладку клапанной крышки поменять не проблема, вывешивать движок не надо и мудрить особо тоже..... на 2.1ТД все поменялось за полчаса с большииииими перерывами на потрындеть.... Ссылка на комментарий Поделиться на другие сайты Поделиться
AlexAL Опубликовано 5 октября, 2009 Жалоба Поделиться Опубликовано 5 октября, 2009 beerkut, понял. Я думаю у меня не должно быть сложнее. Так прокладки бывают только одного типа? Citrin, Оk. Не будем больше обзывать сердце Льва. Ссылка на комментарий Поделиться на другие сайты Поделиться
Модератор Citrin Опубликовано 5 октября, 2009 Модератор Жалоба Поделиться Опубликовано 5 октября, 2009 На 1.9 видел из резины( может есть и другие,ХЕЗ) стоила летом около 20 тыс. Ссылка на комментарий Поделиться на другие сайты Поделиться
AlexAL Опубликовано 13 октября, 2009 Жалоба Поделиться Опубликовано 13 октября, 2009 Поменял прокладку. Буду контролировать.Но судя по всему это не из под нее течет, т.к. в местах под прокладкой все было довольно сухо, не было видно следов, что масло вытекает. Так откуда оно там может выходить возле впускного коллектора?Кстати при замене прокладки пришлось снять патрубок который идет во впускной коллектор(интеркулер). Так вот, во впускном коллекторе было очень много густой масляной каши. Откуда она там? Или так и должно быть? Может эти коллекторы периодически надо промывать/прочищать? Ссылка на комментарий Поделиться на другие сайты Поделиться
Pa_pasha Опубликовано 8 декабря, 2009 Жалоба Поделиться Опубликовано 8 декабря, 2009 Поиск по форуму по ключевым словам "задний сальник" , "сальник коленвала" ответа не дал.Автомобиль Пежо 4061998 г.в.2.1 TDIПотёк, зараза, задний сальник коленвала ( уже во второй раз ). Собираюсь менять собственными силами. В связи с этим вопрос к практикам ( кто непосредственно выполнял эту процедуру на этом двигателе ). Какие есть нюансы или подводные камни связанные с этой процедурой. И ещё один момент: слышал я краем уха не сервисе про какие-то флажки, вроде тоже имеют отношение к заднему сальнику и якобы если их не менять, то замена сальника временное решение проблемы. И якобы для их замены нужни снимать картер двигателя. Может в этой части кто-нить из гуру просветит меня тёмного. сальника временное решение проблемы. Может в этой части кто-нить из гуру просветит меня тёмного. За ранее спасибо всем откликнувшимся. Ссылка на комментарий Поделиться на другие сайты Поделиться
john suhr Опубликовано 8 декабря, 2009 Жалоба Поделиться Опубликовано 8 декабря, 2009 Поиск по форуму по ключевым словам "задний сальник" , "сальник коленвала" ответа не дал.Автомобиль Пежо 4061998 г.в.2.1 TDIПотёк, зараза, задний сальник коленвала ( уже во второй раз ). Собираюсь менять собственными силами. В связи с этим вопрос к практикам ( кто непосредственно выполнял эту процедуру на этом двигателе ). Какие есть нюансы или подводные камни связанные с этой процедурой. И ещё один момент: слышал я краем уха не сервисе про какие-то флажки, вроде тоже имеют отношение к заднему сальнику и якобы если их не менять, то замена сальника временное решение проблемы. И якобы для их замены нужни снимать картер двигателя. Может в этой части кто-нить из гуру просветит меня тёмного. сальника временное решение проблемы. Может в этой части кто-нить из гуру просветит меня тёмного. За ранее спасибо всем откликнувшимся.Вроде , главный нюанс - коробку снимать. А в ней еще 3 сальника. 2 из них точно придеццо побеспокоить....Но это теория. Сам не делал. Ссылка на комментарий Поделиться на другие сайты Поделиться
Pa_pasha Опубликовано 8 декабря, 2009 Жалоба Поделиться Опубликовано 8 декабря, 2009 Нюансов там более чем предостаточно. Одно сцепление с обратным выжимом чего стоит. Ссылка на комментарий Поделиться на другие сайты Поделиться
Andrey406 Опубликовано 8 декабря, 2009 Жалоба Поделиться Опубликовано 8 декабря, 2009 Для первого раза-процесс трудоемкий, впринципе ничего сложного нету. Самое сложное (лично для меня) защелкнуть выжимной в корзине. Ссылка на комментарий Поделиться на другие сайты Поделиться
Модератор Citrin Опубликовано 8 декабря, 2009 Модератор Жалоба Поделиться Опубликовано 8 декабря, 2009 На 2.1 для облегчения процесса установки КПП на место желательно опустить подрамник.Защелкнуть выжимной не проблема, можно заранее(пока коробка снята и можно посмотреть и прикинуть) сделать петлю из проволоки. Ссылка на комментарий Поделиться на другие сайты Поделиться
Модератор Daiver Опубликовано 8 декабря, 2009 Модератор Жалоба Поделиться Опубликовано 8 декабря, 2009 Pa_pasha при методичном ремонте нюансов никаких нету. Как подметил Citrin, для извлечения коробки нужно приопустить подрамник. При непосредственном снятии и выведении коробки может мешаться выжимной подшипник (он останется на корзине). Подшипник можно снять только сняв корзину. Не потеряй кольцо стопорное от него. Болты маховика в идеале заменить, как минимум очистить от старого герметика и нанести новый, зажать моментом в 60 Нм. Сальник левой полуоси достаточно хитро сидит. Сальник первичного вала можно и не менять, как правило, изнашиваются редко. После установки обязательно защелкни подшипник ДО ЩЕЛЧКА, в противном случае, сцепление вообще работать не будет. Вроде все. Ссылка на комментарий Поделиться на другие сайты Поделиться
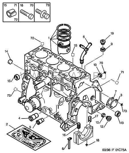
Pa_pasha Опубликовано 9 декабря, 2009 Жалоба Поделиться Опубликовано 9 декабря, 2009 Спасибо всем откликнувшимся. А всетаки никто не слышал про флажки ? Я так понял это №8 на рисунке. Ссылка на комментарий Поделиться на другие сайты Поделиться
Chester 406 Опубликовано 9 декабря, 2009 Жалоба Поделиться Опубликовано 9 декабря, 2009 Спасибо всем откликнувшимся. А всетаки никто не слышал про флажки ? Я так понял это №8 на рисунке.Это именно они и есть, и для их замены придется откручиват опору коленвала, я когда себе сальник менял то и их тоже заменил, только поддон задрался откручивать. Ссылка на комментарий Поделиться на другие сайты Поделиться
Pa_pasha Опубликовано 9 декабря, 2009 Жалоба Поделиться Опубликовано 9 декабря, 2009 Спасибо всем откликнувшимся. А всетаки никто не слышал про флажки ? Я так понял это №8 на рисунке.Это именно они и есть, и для их замены придется откручиват опору коленвала, я когда себе сальник менял то и их тоже заменил, только поддон задрался откручивать.А сколько их там 1 ли 2 и на сколько критична их замена ? На кой они там вообще нужны Ссылка на комментарий Поделиться на другие сайты Поделиться
Chester 406 Опубликовано 9 декабря, 2009 Жалоба Поделиться Опубликовано 9 декабря, 2009 их там стоит 2 штуки, я когда себе менял то где то на российских форумах вычитал что они со временем становятся дубовыми и начинают пускать масло, в результате так и оказалось у меня.когда снял маховик и все вытер насухо то через некоторое время начало сочиться маслоне из сальника а между блоком и опорой коленвала, как раз там где эти флажки и стоят.стоят они копейки я на некрасова по 2 румля за них отдал. Ссылка на комментарий Поделиться на другие сайты Поделиться
volshebni Опубликовано 27 января, 2010 Жалоба Поделиться Опубликовано 27 января, 2010 Подскажите очень хотелось бы знать меж теплообменником маслянного фильтра и блоком есть ли какие прокладки, если отуда появилась течь (по моему в морозы при холодном старте выдавливает масло, немного но подтеки видны) долго ли протяну, уровень на щупе пока держиться, уж очень холодно счас гайки крутить, или ремонт срочный. Пыж 406 2.0 хди Ссылка на комментарий Поделиться на другие сайты Поделиться
ubiq Опубликовано 27 января, 2010 Жалоба Поделиться Опубликовано 27 января, 2010 Подскажите очень хотелось бы знать меж теплообменником маслянного фильтра и блоком есть ли какие прокладки, если отуда появилась течь (по моему в морозы при холодном старте выдавливает масло, немного но подтеки видны) долго ли протяну, уровень на щупе пока держиться, уж очень холодно счас гайки крутить, или ремонт срочный. Пыж 406 2.0 хдиА маслице наверно 10w40? Ссылка на комментарий Поделиться на другие сайты Поделиться
Модератор Daiver Опубликовано 27 января, 2010 Модератор Жалоба Поделиться Опубликовано 27 января, 2010 ubiq хорошо если вообще не минералка.По вопросу - под масляным холодильником есть прокладка, кольцо резиновое. Где то на форуме уже обсуждали данную проблему, поискал бы поиском. Ссылка на комментарий Поделиться на другие сайты Поделиться
andrej83 Опубликовано 28 января, 2010 Жалоба Поделиться Опубликовано 28 января, 2010 Подскажите, пожалуйста, может кто сталкивался: масло нигде не течёт, не подтекает и не сочится, но один раз была такая ерунда-в сильные морозы, когда подмерзала дроссельная заслонка и обороты в движении подскакивали до 5-6 тыс., по приезде домой наблюдал снижение уровня масла с середины между max. и min. до min. отметки. Что бы зто значило? Ссылка на комментарий Поделиться на другие сайты Поделиться
Raptor Опубликовано 28 января, 2010 Жалоба Поделиться Опубликовано 28 января, 2010 а назад уровень вернулся или доливать пришлось? Ссылка на комментарий Поделиться на другие сайты Поделиться
Модератор Daiver Опубликовано 28 января, 2010 Модератор Жалоба Поделиться Опубликовано 28 января, 2010 На заведенном моторе так и будет. Напиши конкретнее. Ссылка на комментарий Поделиться на другие сайты Поделиться
andrej83 Опубликовано 28 января, 2010 Жалоба Поделиться Опубликовано 28 января, 2010 На заведенном моторе так и будет. Напиши конкретнее.не на заведенном...я как это случилось 0,5 масла долил. А вот сейчас месяц катаюсь и уровень не меняется может выдавило где...сейчас постоянно масло контролирую... Ссылка на комментарий Поделиться на другие сайты Поделиться
Piracetone Опубликовано 3 февраля, 2010 Жалоба Поделиться Опубликовано 3 февраля, 2010 Говорите чуть-чуть подтекает !!! у меня в масле весь движок и со всех сторон, а найти на нём сухое место ....... наверно только клапанная крышка и то только на макушке. Авсё начлось с чего после того как решил сменить марку масла ну чуть более дешёвое и доступное Areco 5W40 (так как Esso такого фиг найдёшь) решил промыть 5ти минуткой Хай Г... ну и началось ... масло попёрло со всех дыр !!! поездив пару недель доливая масло загадил всё днище в машине !!! Делать нефиг надо менять сальники, коробку сам не сниму по этому поехал на СТО. Народный умелец на менял сальники два дня после чего я забрал машину и с полными штанами рабости поехал к себе в гараж, заехал на яму, залез под машину и берегите дети свои уши, из соединения двигатель-коробка масло не подтекала а капало и при этом не надо было всматриваться, факт был на лицо!!! С "весёлым" и полным оптимизма настроением я позвонил народному умельцу и на следующий день с самого утра уже был у него на СТО (которое кстати от БелНефтеХим). Оказалось что данная особь человеческой рассы прикручивая маховик к фланцу коленвала не посадил болты на герметик ( отверстия во фланце сквозные " Привет французам" во всех машинах они глухие). После чего повторно был заменен задний сальник коленвала и болты посажены на герметик, здесь он справился за пол дня !!!!!! Через пару дней я в добавлении к этому посадил прокладку клапанной крышки (которая кстати может быть только резиновой из-за особенностей строения). И что вы думаете ??? отьездил с более мение сухим движком месяц а потом эта байда продолжилась, конечно не в таких последствиях как ранее но двигатель всё равно весь в масле от клапанной крышки до поддона причём со всех сторон, коробка кстати тоже всерху вся в масле. И хочу заметить что от замены до замены я масло не доливаю. Кстати ремонт обошёлся 25+25+50 - это сальники, работа 320 и плюс 25 за ещё один сальник вторые 25 дал чудо мастер, это всё в румлях. По большому счёту текёт и хрен с ним, но из за привычки к чистоте и порядку меня это ужасно напрягает!!!! Так что делайте выводы господа!!! Ссылка на комментарий Поделиться на другие сайты Поделиться
Модератор Daiver Опубликовано 3 февраля, 2010 Модератор Жалоба Поделиться Опубликовано 3 февраля, 2010 Хотел сэкономить - вот и получил. Только такой вывод.На счет болтов маховика - твой горе мастер тупо криво поставил сальник коленвала, оттуда и течь. Болт при закручивании упирается шляпой в маховик, а тот в фланец коленвала, пасадка без зазора, подтеков быть не может. Конечно, если затянуты с равным усилием, без перекоса.Герметик резьбовой используется для удержания болтов от выкручивания от вибрации, создаваемой двигателем. Ссылка на комментарий Поделиться на другие сайты Поделиться
rus406 Опубликовано 4 февраля, 2010 Жалоба Поделиться Опубликовано 4 февраля, 2010 Подскажите, стоит ли ставить прокладку под поддон двигателя?Прошлой зимой разбил поддон, поменял на СТО, посадили на герметик, теперь течёт по кругу.Хочу снять, только вот думаю как лучше с прокладкой или без.На Некрасова предлагали герметик фирменный стоил около 20 у.е., чем он лучше простого силиконового.Может кто пользовался есть смысл тратить деньги?У кого есть опыт самостоятельной замены, подскажите как лучше сделать! Ссылка на комментарий Поделиться на другие сайты Поделиться
Рекомендуемые сообщения