Гость Jigar Опубликовано 6 июня, 2014 Жалоба Поделиться Опубликовано 6 июня, 2014 нууууу.......... можно, только ну его нах. На видео видел как чел минуты за полторы это делает один, но у меня так не получилось похоже нужно долго тренироваться что бы так быстро. Ссылка на комментарий Поделиться на другие сайты Поделиться
патроль Опубликовано 23 июня, 2014 Жалоба Поделиться Опубликовано 23 июня, 2014 (изменено) Для zhavser83. Изменено 23 июня, 2014 пользователем патроль Ссылка на комментарий Поделиться на другие сайты Поделиться
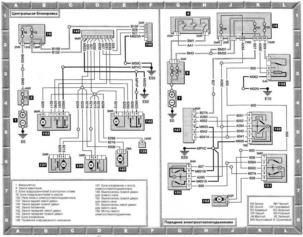
Velless Опубликовано 1 февраля, 2015 Жалоба Поделиться Опубликовано 1 февраля, 2015 Есть вопрос. Купил пежо 406 2000г. Стеклоподъемник водительской двери от нажатия кнопки вверх/вниз признаков жизни не подавал. Разобрал, его там не было вообще, стекло подпёрто палкой. Нашел стеклоподьемник, поставил, но разъем для подключения у меня на 4 контакта, а в нем на 2. Нашел из этих 4-х два, в которых появляется 13 В после нажатия кнопки вверх/вниз, но все дело в том, что моторчик работает в одну сторону и +/- местами не меняются, как я думал. Есть ли варианты подключить этот стеклоподъемник или надо искать с нужным разъемом? Ссылка на комментарий Поделиться на другие сайты Поделиться
патроль Опубликовано 1 февраля, 2015 Жалоба Поделиться Опубликовано 1 февраля, 2015 Вас уважаемый просто надули, как вариант продали от левой двери англичанки, а она, как известно не водительская. На водительской двери стоит блок в одно касание, на приводе электронная плата и потому разъем на 4 пина. Что делать? Если будешь заниматься, что не просто, переписку перенесем в личку. Ссылка на комментарий Поделиться на другие сайты Поделиться
патроль Опубликовано 20 февраля, 2015 Жалоба Поделиться Опубликовано 20 февраля, 2015 Для Dendeniz. Ссылка на комментарий Поделиться на другие сайты Поделиться
malcolm Опубликовано 10 июня, 2015 Жалоба Поделиться Опубликовано 10 июня, 2015 все стеклоподъемники работают с водительской двери. но кнопки на задних подъемниках не горят. при нажатии - реакции ноль. с водительской двери задние стекла прекрасно опускаются и поднимаются. не могу понять причину... Ссылка на комментарий Поделиться на другие сайты Поделиться
malcolm Опубликовано 10 июня, 2015 Жалоба Поделиться Опубликовано 10 июня, 2015 Кнопка блокировки задних стекол нажата? при ее нажатии вообще ничего не происходит( Ссылка на комментарий Поделиться на другие сайты Поделиться
malcolm Опубликовано 10 июня, 2015 Жалоба Поделиться Опубликовано 10 июня, 2015 Отожмите. что значит отжать? я нажимаю на нее - ничего не происходит Ссылка на комментарий Поделиться на другие сайты Поделиться
игорь-diesel Опубликовано 10 июня, 2015 Жалоба Поделиться Опубликовано 10 июня, 2015 (изменено) Отожмите.что значит отжать? я нажимаю на нее - ничего не происходит В положении кнопка нажата, задние стеклоподъемники управляются и с передних, и с задних дверей(подсветка клавиш на задних дверях горит). Когда кнопка не нажата, то только с водительской(подсветка клавиш на задних дверях не горит). А подсветка клавиш на задних дверях появляется(когда кнопка блокировки нажата)? Если нет, значит где-то не доходит питание до клавиш. Изменено 11 июня, 2015 пользователем Dils подправил цитату* Ссылка на комментарий Поделиться на другие сайты Поделиться
malcolm Опубликовано 11 июня, 2015 Жалоба Поделиться Опубликовано 11 июня, 2015 (изменено) В положении кнопка нажата, задние стеклоподъемники управляются и с передних, и с задних дверей(подсветка клавиш на задних дверях горит). Когда кнопка не нажата, то только с водительской(подсветка клавиш на задних дверях не горит). А подсветка клавиш на задних дверях появляется(когда кнопка блокировки нажата)? Если нет, значит где-то не доходит питание до клавиш. у меня сама кнопка не застывает в положении "нажата". я на нее нажимаю, а она снова возвращается в "отжатое" верхнее положение. Насчет подствеки - не смотрел. Посмотрю и отвечу. Как его дальше разбирать?! Отгибать мягко все зубцы по бокам. Изменено 11 июня, 2015 пользователем Dils избыточное цитирование* Ссылка на комментарий Поделиться на другие сайты Поделиться
Alligator_by Опубликовано 11 июня, 2015 Жалоба Поделиться Опубликовано 11 июня, 2015 Водительский стеклоподъемник перестал работать на подъем, а иногда и не опускает. Моточик жужжит. Может можно по симптомам выяыить причину: тросик, шестеренка. Или только вскрытие? Ссылка на комментарий Поделиться на другие сайты Поделиться
graf_n Опубликовано 1 июля, 2015 Жалоба Поделиться Опубликовано 1 июля, 2015 Ребята! Может кто в курсе, объясните принцип действия запуска водительского стекла на подъем в автоматическом режиме в 406, мультиплекс. Просто ставлю доводчик на стекла. 3 Стекла дожимаются нормально, а водительское поднимается немного и все(при подключении в разрыв, по инструкции) Задумка такая, имитировать запуск подъема стекла в авто режиме. Ссылка на комментарий Поделиться на другие сайты Поделиться
патроль Опубликовано 1 июля, 2015 Жалоба Поделиться Опубликовано 1 июля, 2015 Дело в том что, водительское стекло управляется собственным, встроенным блоком управления в одно касание. Управление им отличается от других, достаточно подать кратковременный импульс и оно пошло. Штука весьма капризная и (у меня) работает как ей вздумается, подниматься и опускаться может при нажатии клавиши в одном направлении. Осмелюсь предположить, что подай и сразу убери импульс управления оно отработает правильно. Но, для поднятия остальных стекол, импульс управления должен быть на все время срабатывания до упора. Если очень хочется, можете проверить мою версию; извлечь блок управления и временно закоротить входные пины с выходными (там все просто и хорошо просматривается). Но тогда перестанет работать клавиша управления на двери. Проверить можно и кратковременной подачей напряжения. Ссылка на комментарий Поделиться на другие сайты Поделиться
graf_n Опубликовано 9 июля, 2015 Жалоба Поделиться Опубликовано 9 июля, 2015 В общем разобрался сам.(методом тыка))) К моторчику подходит 4 провода-2питание(+и-) и 2 управляющих. Как они работают: при подаче плюса на первый управляющий провод, стекло поднимается в ручном режиме. Но если с задержкой (буквально пол секунды-секунда) подключить еще и 2й провод то стекло автоматически поднимается. Так же справедливо и обратное-про опускание стекла(поменяв местами порядок включения управляющих проводов). Подключил дожим следующим образом: подается + от дожима стекла на подъем(без разрыва провода) и через реле с задержкой по времени(где то секунда) замыкается 2й провод. Ссылка на комментарий Поделиться на другие сайты Поделиться
Natel Опубликовано 3 августа, 2015 Жалоба Поделиться Опубликовано 3 августа, 2015 всем привет! в водительской двери слизала шестерни внутри механизма ...кстате достать механизм ерундовае дело, не понимаю чем там люди "мучались" ,ну да ладно, попробовал я скрепить шестерни холодной сваркой намертво! прошла неделя проблемы не возникает больше.пробывал так кто нибудь? всем привет! в водительской двери слизала шестерни внутри механизма ...кстате достать механизм ерундовае дело, не понимаю чем там люди "мучались" ,ну да ладно, попробовал я скрепить шестерни холодной сваркой намертво! прошла неделя проблемы не возникает больше.пробывал так кто нибудь? Ссылка на комментарий Поделиться на другие сайты Поделиться
Nemiroff Опубликовано 13 августа, 2015 Жалоба Поделиться Опубликовано 13 августа, 2015 406 рестайл помогите продиагностировать по внешним признакам. водительская дверь, в один момент перестало опускать стекло, при нажатии клавиши щелчки (реле?) в двери слышны. на счет поднимать - не знаю, так как стекло в полностью поднятом состоянии. стоит ветровик на стелах. думаю это не ветровик клинит стекло. что может быть еще? есть ли предохранитель какой отдельный или надо лезть к моторчику? Ссылка на комментарий Поделиться на другие сайты Поделиться
патроль Опубликовано 13 августа, 2015 Жалоба Поделиться Опубликовано 13 августа, 2015 Нет там никаких реле. Щелкайте пока не опустится. Обычный гемор с этим стеклом. Если сможете снимите пульт, разберите и проверьте состояние контактов этой кнопки. Некоторым помогает. Ссылка на комментарий Поделиться на другие сайты Поделиться
coopper Опубликовано 13 сентября, 2015 Жалоба Поделиться Опубликовано 13 сентября, 2015 Доброго времени суток, кто подскажет, если закрыть машину кнопкой с ключа с открытыми стёклами, они должны закрываться или нет? Peugeot 406 рестайл 99г Ссылка на комментарий Поделиться на другие сайты Поделиться
игорь-diesel Опубликовано 13 сентября, 2015 Жалоба Поделиться Опубликовано 13 сентября, 2015 Доброго времени суток, кто подскажет, если закрыть машину кнопкой с ключа с открытыми стёклами, они должны закрываться или нет? Peugeot 406 рестайл 99гУ меня не закрываются. Похоже не должны. С такой функцией 406 я не видел. Ссылка на комментарий Поделиться на другие сайты Поделиться
патроль Опубликовано 13 сентября, 2015 Жалоба Поделиться Опубликовано 13 сентября, 2015 Доброго времени суток, кто подскажет, если закрыть машину кнопкой с ключа с открытыми стёклами, они должны закрываться или нет? Peugeot 406 рестайл 99г Все зависит от комплектации, в базовой такого не бывает, как опция может быть. Ссылка на комментарий Поделиться на другие сайты Поделиться
coopper Опубликовано 13 сентября, 2015 Жалоба Поделиться Опубликовано 13 сентября, 2015 Доброго времени суток, кто подскажет, если закрыть машину кнопкой с ключа с открытыми стёклами, они должны закрываться или нет? Peugeot 406 рестайл 99г Все зависит от комплектации, в базовой такого не бывает, как опция может быть. Понял, спасибо. Но одну фишку заметил - мне понравилась, если стекло упирается во что то, то оно опускается на см 10 где то вниз. Ссылка на комментарий Поделиться на другие сайты Поделиться
патроль Опубликовано 13 сентября, 2015 Жалоба Поделиться Опубликовано 13 сентября, 2015 А это в базе, для водительской двери, антизащемление. Сделано потому, что стекло поднимается при кратковременном нажатии на клавишу. Ссылка на комментарий Поделиться на другие сайты Поделиться
Димыч. Опубликовано 13 сентября, 2015 Жалоба Поделиться Опубликовано 13 сентября, 2015 Вроде, что бы сами окна закрылись, нужно нажать и подержать секунды три кнопку закрытия. Ссылка на комментарий Поделиться на другие сайты Поделиться
патроль Опубликовано 14 сентября, 2015 Жалоба Поделиться Опубликовано 14 сентября, 2015 Вроде, что бы сами окна закрылись, нужно нажать и подержать секунды три кнопку закрытия. В положении полностью закрытого стекла. Но автора интересовал другой вопрос, наличие опции дожим стекол (у 407 похоже в базе). Ссылка на комментарий Поделиться на другие сайты Поделиться
graf_n Опубликовано 14 сентября, 2015 Жалоба Поделиться Опубликовано 14 сентября, 2015 Дожима в 406 нет. В версиях с суперблокировкой при удерживании кнопки на закрытие - стекла закрываются. Для дожима ставил отдельно блок китайский) Ссылка на комментарий Поделиться на другие сайты Поделиться
Димыч. Опубликовано 14 сентября, 2015 Жалоба Поделиться Опубликовано 14 сентября, 2015 Видимо, у всех моих знакомых все с суперблокировкой) Ссылка на комментарий Поделиться на другие сайты Поделиться
Branovetsdmitry Опубликовано 4 октября, 2015 Жалоба Поделиться Опубликовано 4 октября, 2015 Привет всем. Может кто знает как отключить или перепрагроммировать систему возврата стекла. Ужп и дверь разюирал и чистил там все смазывал через ра то нормально поднимается стекло то заскок зайдет поднимаптся почти до конца а потом в низ опкскается. Неужели там такой чувствительный датчик стоит. Ссылка на комментарий Поделиться на другие сайты Поделиться
патроль Опубликовано 4 октября, 2015 Жалоба Поделиться Опубликовано 4 октября, 2015 А привод зеркал наконец разрулил?Датчика там как такового нет. Схема определяет пороговый ток и возвращает стекло на небольшое расстояние вниз. На твоей машине не сложно сделать управление стеклом водительской как и остальными. Держишь клавишу, стекло движется, отпустил стоит. Но это немного сложнее чем зеркала, потому и спросил. Ну и схему надо иметь перед глазами. Ссылка на комментарий Поделиться на другие сайты Поделиться
Branovetsdmitry Опубликовано 4 октября, 2015 Жалоба Поделиться Опубликовано 4 октября, 2015 Да спасибо с приводом зеркал разобразлся там в салоне шли однипровода а в двери другие пришлось помучаться понаходить и все переподключить. Что касается стеклоподъемников мне надо сделать на передние только, задние работают нормально. Схема тоже есть. Ссылка на комментарий Поделиться на другие сайты Поделиться
патроль Опубликовано 6 октября, 2015 Жалоба Поделиться Опубликовано 6 октября, 2015 Прежде всего твоя схема с праворульной машины. Поэтому, пишется левая, читай как правая и наоборот. Обрати внимание на разницу включения управления водительской и пассажирской двери. На пассажирскую к двигателю идут два провода, а переключатель попросту меняет направление тока, значит и направление вращения (как и в зеркалах). В водительской, вместо двигателя показан прямоугольник. Дело в том что, водительская дверь управляется клавишей в одно касание, нажал, отпустил, стекло поднялось или опустилось, а чтобы не защемить голову гаисту, есть автоматическая система антизащемления. Когда сопротивление движению стекла возрастает выше допустимого, автомат приопускает стекло. Так вот, этот прямоугольничек и означает двигатель с встроенной схемой управления. Там стоит разъем многопиновый прямо на этой плате. Я смотрел эту плату, к двигателю идут два контакта. Если эти контакты напрямую соединить с определенными пинами разъема, можно будет управлять, как и другими. Клавишу придется использовать от другого стекла ну и собрать соответствующую схему. Делать или нет, тебе решать. Ссылка на комментарий Поделиться на другие сайты Поделиться
Рекомендуемые сообщения