Alexandr87 Опубликовано 10 октября, 2015 Жалоба Поделиться Опубликовано 10 октября, 2015 Всем спасибо,за 2 мин открыл спицей Ссылка на комментарий Поделиться на другие сайты Поделиться
Diesmachine Опубликовано 10 октября, 2015 Жалоба Поделиться Опубликовано 10 октября, 2015 Всем спасибо,за 2 мин открыл спицей капот, дверь? Ссылка на комментарий Поделиться на другие сайты Поделиться
Alexandr87 Опубликовано 10 октября, 2015 Жалоба Поделиться Опубликовано 10 октября, 2015 Всем спасибо,за 2 мин открыл спицей капот, дверь? капот Ссылка на комментарий Поделиться на другие сайты Поделиться
CMEIIIAPIK Опубликовано 26 октября, 2015 Жалоба Поделиться Опубликовано 26 октября, 2015 Всем спасибо,за 2 мин открыл спицей капот, дверь? капот и дальше? прикурил и все заработало? Ссылка на комментарий Поделиться на другие сайты Поделиться
Димыч. Опубликовано 26 октября, 2015 Жалоба Поделиться Опубликовано 26 октября, 2015 После прикуривания должен открываться центральник с кнопки. Ссылка на комментарий Поделиться на другие сайты Поделиться
eugenii-oleinik Опубликовано 2 ноября, 2015 Жалоба Поделиться Опубликовано 2 ноября, 2015 Ребята куча неприятных мелочей по электрике. 1- при открытии любой из 3х дверей(кроме водительской) и при снятии с , иногда при проворачивании кпроворачивании замке зажигания срабатывает задний дворник. 2-фонари салона освешения горят как хотят. При нормальном положении при закрытии машины и постановки на сигналку загораются и негаснут.если принудительно отключить, то во время езды все время будут гореть. 3- на экране компа не показывает открытие водительской двери. И не отсекает питание крышки багажника при закрытии. 5-постоянно на паморгаетвообшекрасным кнопка замка(ключик) и она вообше не на что не реагирует Ссылка на комментарий Поделиться на другие сайты Поделиться
Don Опубликовано 2 ноября, 2015 Жалоба Поделиться Опубликовано 2 ноября, 2015 Афтар, напишинормальносзнаками препинания. Ничигонепонять. Ссылка на комментарий Поделиться на другие сайты Поделиться
eugenii-oleinik Опубликовано 2 ноября, 2015 Жалоба Поделиться Опубликовано 2 ноября, 2015 Сейчас на несколько разобью, сайт тормозит 1 при открытии 3х дверей кроме водительской, иногда при снятии с сигналки или проворачивании ключа зажигания сробатывает, включается задний дворник 2 на экране бортового не показывает открытие водительской двери, остальные 3 работают 3-При постановке на сигналку все закрывается, но не отсекается питание крышки багажника, её можно открыть нажатием клапана 4 постоянно моргает на панели красным кнопка замка центрального(на средней консоли) и нажатие на неё ни чего не дает, не закрывает и не открывает. 5 свет в салоне . Вытянул ключ, потух закрыл двери, поставил на сигналку— загорелся. И не тухнет, горит снимешьсигналки с сигналки. Если выключить фонарь, то как только ключ загорается и горит все время пока снова не выташишь квставляешь не выкл кнопкойвытавыкл. А при том положении снова загорается как писал в начале Снова сбой. 5 свет в 2х положениях либо горит при включении зажигания, либо горит при постановке на сигнализацию Ссылка на комментарий Поделиться на другие сайты Поделиться
112 Опубликовано 2 ноября, 2015 Жалоба Поделиться Опубликовано 2 ноября, 2015 сигналка как называется? фото брелка в студию Ссылка на комментарий Поделиться на другие сайты Поделиться
owl Опубликовано 2 ноября, 2015 Жалоба Поделиться Опубликовано 2 ноября, 2015 А в бси какие - нибудь ошибки есть? В измерении параметров в бси положение замков адекватно определяется? С кодировками никто не игрался? Ссылка на комментарий Поделиться на другие сайты Поделиться
eugenii-oleinik Опубликовано 3 ноября, 2015 Жалоба Поделиться Опубликовано 3 ноября, 2015 3 мес пока восстанавливал без акб простояла. Кроме аирбег фол ни каких ошибок Сиглаока альфа Ссылка на комментарий Поделиться на другие сайты Поделиться
eugenii-oleinik Опубликовано 3 ноября, 2015 Жалоба Поделиться Опубликовано 3 ноября, 2015 Ссылка на комментарий Поделиться на другие сайты Поделиться
owl Опубликовано 3 ноября, 2015 Жалоба Поделиться Опубликовано 3 ноября, 2015 Ну так как ошибка называется? Может блок подсаживает шину van car. Сигналка с автозапуском? Потом - какой мотор, год выпуска, опр? Сканер и умение им работать есть? Так она ещё 3 месяца восстанавливатся будет. Ссылка на комментарий Поделиться на другие сайты Поделиться
eugenii-oleinik Опубликовано 3 ноября, 2015 Жалоба Поделиться Опубликовано 3 ноября, 2015 2.0хди. 2002год. Сигнализация обычная пугалка без автозапуска. При закрытии дополнительно после одного раза, еще 3 раза быстро моргает( типа что то открыто) Ну так как ошибка называется? Может блок подсаживает шину van car. Сигналка с автозапуском? Потом - какой мотор, год выпуска, опр? Сканер и умение им работать есть? Так она ещё 3 месяца восстанавливатся будет. 3 месяца? Сколько без питания столько и на восстановление мозгов? Ссылка на комментарий Поделиться на другие сайты Поделиться
патроль Опубликовано 3 ноября, 2015 Жалоба Поделиться Опубликовано 3 ноября, 2015 Ну так как ошибка называется? Может блок подсаживает шину van car. Сигналка с автозапуском? Потом - какой мотор, год выпуска, опр? Сканер и умение им работать есть? Так она ещё 3 месяца восстанавливатся будет. Я наверно слишком тупой чтобы, понять о чем ты ему толкуешь. У него встроенная (сторонняя) сигнализация. Каким боком он ее мог увязать с БСИ и прочими премудростями мультиплекса. Не видел сигналок (не отрицая их существование) имеющих цифровую связь с автомобилем. Все они аналоговые и ставятся в параллель основным системам по аналоговым цепям, при этом надо уметь их ставить, чтобы они не вступали в конфликт со встроенными системами, когда они перестают понимать друг друга. У меня так и не хватило терпения при установке "Кобра" на 406 2001 год, хотя переносил с 98 года один в один. Она выполняла мои команды, а БСИ тут же восстанавливало прежнее состояние замков. Автор, если ставил сам, должен знать ее премудрости, если стояла, найти способ временно отключить и пользоваться механическим замком. Найти схему подключения и не спеша восстановить, если очень хочется. Ссылка на комментарий Поделиться на другие сайты Поделиться
owl Опубликовано 3 ноября, 2015 Жалоба Поделиться Опубликовано 3 ноября, 2015 Не надо мозгам восстанавливатся))) Ищи какой замок глючит Ссылка на комментарий Поделиться на другие сайты Поделиться
owl Опубликовано 3 ноября, 2015 Жалоба Поделиться Опубликовано 3 ноября, 2015 Бывает много чего интересного от не штатной сигналки. Разные люди по разному ставят и с использованием цифровых шин. Ссылка на комментарий Поделиться на другие сайты Поделиться
owl Опубликовано 3 ноября, 2015 Жалоба Поделиться Опубликовано 3 ноября, 2015 Про просадку шины я имел ввиду блок airbag.Сталкивался с таким уже Ссылка на комментарий Поделиться на другие сайты Поделиться
патроль Опубликовано 3 ноября, 2015 Жалоба Поделиться Опубликовано 3 ноября, 2015 Бывает много чего интересного от не штатной сигналки. Разные люди по разному ставят и с использованием цифровых шин. Вот это верно; разные и по разному. В настоящее время я имею схемы PSA, с рекомендациями установки сторонних сигнализаций, только интерес пропал. Ссылка на комментарий Поделиться на другие сайты Поделиться
eugenii-oleinik Опубликовано 3 ноября, 2015 Жалоба Поделиться Опубликовано 3 ноября, 2015 Она до меня стояла, а подушка после кувыркания были сработаны, потолочные новые, целые, а вот в правом сидении выстреленая вот он и горит Может после столь долгого простоя без питания заводская вступила в непонятки с установленной? А игры со светом, и остальное? Или это все в одном связано? Сигналка до меня стояла на нем. И на сколько я помню, когда пригнал его вроде все нормально работало. В смысле до того как снял акб и приступил к восстановлению Ссылка на комментарий Поделиться на другие сайты Поделиться
патроль Опубликовано 3 ноября, 2015 Жалоба Поделиться Опубликовано 3 ноября, 2015 Если можешь найти блок управления сигнализации, просто сними с него разъем и посмотри что получится. Проверь будет ли управляться центральный замок ключом. Ссылка на комментарий Поделиться на другие сайты Поделиться
eugenii-oleinik Опубликовано 3 ноября, 2015 Жалоба Поделиться Опубликовано 3 ноября, 2015 Хорошо, это то я попробую, но лечинка закисшая ключ даже до половины не влазит. Что я только с ней не делал... А на ключе кнопки молчат Попробую разобрать батарейку заменить А блок кинули в блок предохранителей который в салоне Ссылка на комментарий Поделиться на другие сайты Поделиться
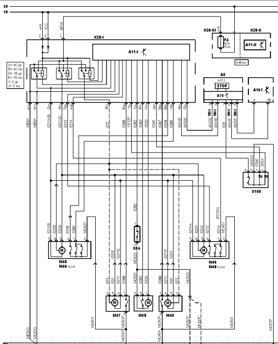
патроль Опубликовано 3 ноября, 2015 Жалоба Поделиться Опубликовано 3 ноября, 2015 Схема центрального замка; На ней А11-БСИ, А161-дисплей, А-75-приборка, S100-кнопка управления Ц.З. Остальное понятно.Раз дверь открыть можешь, значит и замок сможешь снять, разобрать, почистить (набор не перепутай) смазать приборным или машинным маслом и всего делов. В последующем не забывать иногда пользоваться ключом. Лезть туда все равно придется, проверить работу концевиков. Если варил электросваркой, то беда может быть с БСИ, но сигналку отключишь и все увидишь. На будущее при электросварке на кузове, все компьютеры, контроллеры, и пр. чувствительное оборудование отключай разъемами. Ссылка на комментарий Поделиться на другие сайты Поделиться
Lorik_md Опубликовано 15 ноября, 2015 Жалоба Поделиться Опубликовано 15 ноября, 2015 такая же проблема с замком. не проворачивается ключ. вэдэшка не навредит ничему в замке?? Можно спокойно лить? Ссылка на комментарий Поделиться на другие сайты Поделиться
ditmar Опубликовано 15 ноября, 2015 Жалоба Поделиться Опубликовано 15 ноября, 2015 Лил и вэдэшку и силиконовую смазку ничего страшного не произошло. Ссылка на комментарий Поделиться на другие сайты Поделиться
Alex_1402 Опубликовано 17 ноября, 2015 Жалоба Поделиться Опубликовано 17 ноября, 2015 Та же беда с личинкой! Укорела в усмерть! Купил на разборке личинку за 100 бэров и сам подогнал под свой ключ! Ссылка на комментарий Поделиться на другие сайты Поделиться
Lorik_md Опубликовано 2 декабря, 2015 Жалоба Поделиться Опубликовано 2 декабря, 2015 Открыл машину за 20 минут. Правда, вместо WD-40 использовал Hi-gear RUST BLASTER PROFESSIONAL. В инструкции написано, что оно смазывают замок, но может есть что-то более эффективное? Не подскажите чем сердечник замка смазать? Ссылка на комментарий Поделиться на другие сайты Поделиться
патроль Опубликовано 2 декабря, 2015 Жалоба Поделиться Опубликовано 2 декабря, 2015 Я разбираю кодовый набор пластин (не дай бог перепутать местами, без напильника не обойтись) тщательно очищаю до чистого металла от окислов, смазываю бытовым приборным маслом, собираю. Делал правда один раз, шесть лет назад, мой предшественник постоянно пользовался пультом ДУ. В древности, на Жигулях, перед началом зимы, впрыскивал специальное масло для замков (незамерзайка) эстонцы выпускали. Ссылка на комментарий Поделиться на другие сайты Поделиться
Flopic Опубликовано 8 декабря, 2015 Жалоба Поделиться Опубликовано 8 декабря, 2015 На каком-то сайте читал, что как вариант, в замочную скважину уксуса залить. Говорят это тоже помогает, если внутри замок окислился. Как думаете, такое стоит провернуть? Или ну его... Ключ даже не могу до конца вставить в замок. Предыдущий хозяин вообще не пользовался. Ссылка на комментарий Поделиться на другие сайты Поделиться
патроль Опубликовано 8 декабря, 2015 Жалоба Поделиться Опубликовано 8 декабря, 2015 Однажды просто в машину не попадешь. Пока открывается, извлеки замок, разбери очисти, смажь весь набор приборным маслом (кодовые пластины не перепутай) и не забывай иногда пользоваться. На лет 5 хватит. Ссылка на комментарий Поделиться на другие сайты Поделиться
Рекомендуемые сообщения