iq2003 Опубликовано 6 февраля, 2015 Жалоба Поделиться Опубликовано 6 февраля, 2015 Ребят, стала такая шляпа, когда вентилятор включается - тарахтит как трактор и сильно вибрирует. Посветил фонариком, он на 4 резиновых подушках вроде, на вид вроде целые. Что может быть? Сами подшипники какие-нить вентилятора или всё-таки места крепления к кузову? Ссылка на комментарий Поделиться на другие сайты Поделиться
Aromarich Опубликовано 15 апреля, 2015 Жалоба Поделиться Опубликовано 15 апреля, 2015 На какой вентилятор можно заменить наш родной на дубликат российского производства, от калины и от девятки маленькие и не производительные для нашего радиатора,кто-нибудь ставил волговский? Ссылка на комментарий Поделиться на другие сайты Поделиться
Модератор Citrin Опубликовано 15 апреля, 2015 Автор Модератор Жалоба Поделиться Опубликовано 15 апреля, 2015 Вы задаете странные вопросы на белорусском форуме Ссылка на комментарий Поделиться на другие сайты Поделиться
Troll Опубликовано 16 апреля, 2015 Жалоба Поделиться Опубликовано 16 апреля, 2015 (изменено) На какой вентилятор можно заменить наш родной на дубликат российского производства, от калины и от девятки маленькие и не производительные для нашего радиатора,кто-нибудь ставил волговский? Безмозгий вентилятор можно заменить на FENOX 13003(кажется). На какие "Волго-Калины" идёт - не знаю. Но: моторчик не совсем российский, ибо: производится, вроде как в РБ. Цена - примерно 47 обамобаксов. Из гемороя: "уши" крепления отрывать-переваривать, родная крыльчатка - меньшего диаметра, поэтому - если не уменьшать диаметр дефлекторного (вроде так называется) кольца, обдув будет хуже. Попытка изготовления переходника от FENOX моторчика к "родной" крыльчатке проходит, обычно в три этапа: 1. "Ну неужели нельзя как-то приспособить?!" 2. "Мля .. как же это сделать .... ?" 3. "Да ну его на ....!!!!!" Есть в продаже один моторчик: уши перепилены-переварены под крепление С5. Изменено 16 апреля, 2015 пользователем Troll Ссылка на комментарий Поделиться на другие сайты Поделиться
s0lly Опубликовано 18 апреля, 2015 Жалоба Поделиться Опубликовано 18 апреля, 2015 (изменено) Снова здрасьте, заменила 2резистора (0.23 и 0.54) и 3 реле (2 зеленых 1 синие) результата 0 и не просто 0, а дорогущий. Как только машина при движении прогревается до 90 градусов включается большая скорость и молотит без перерыва пока не выключишь зажмгание. Радиатор холодный, температура по приборам 90. Никто толком посоветовать ничего не может, ездить на нем боюсь, никто ремонтировать не берется, говорят что при таком температурном режиме может пробить прокладку ГБЦ или повести головку. Стоит мой тарантасик, по выходным хожу вокруг него , а в рабочие дни на маршрутке. Ребята хватит смеяться и прикалываться помогите дельным советом. Хоть если не сама то этим мастерам смогла сказать что делать надо. Когда делаешь компьютерную диагностику ошибок нет, когда делаешь тест исполнительных элементов то 1- включается и 2 скорость включается , но прирывисто. Я понимаю что никто секретов выдавать не хочет, но вести его в Минск на эвакуаторе как -то дороговато и пока мне не потянуть . Изменено 18 апреля, 2015 пользователем s0lly Ссылка на комментарий Поделиться на другие сайты Поделиться
Модератор Citrin Опубликовано 18 апреля, 2015 Автор Модератор Жалоба Поделиться Опубликовано 18 апреля, 2015 Термостат меняли? Ссылка на комментарий Поделиться на другие сайты Поделиться
s0lly Опубликовано 18 апреля, 2015 Жалоба Поделиться Опубликовано 18 апреля, 2015 Термостат меняли? Да меняли термостат (это сделала первым делом), а потом вынимали термостат и проверяли без него - тоже самое. Ссылка на комментарий Поделиться на другие сайты Поделиться
Модератор Citrin Опубликовано 18 апреля, 2015 Автор Модератор Жалоба Поделиться Опубликовано 18 апреля, 2015 Чудес не бывает. Помпа. Забито. Воздух и.т.д. Ссылка на комментарий Поделиться на другие сайты Поделиться
s0lly Опубликовано 18 апреля, 2015 Жалоба Поделиться Опубликовано 18 апреля, 2015 Чудес не бывает. Помпа. Забито. Воздух и.т.д. А можно чуть чуть подробнее. Ссылка на комментарий Поделиться на другие сайты Поделиться
Leonevich Опубликовано 18 апреля, 2015 Жалоба Поделиться Опубликовано 18 апреля, 2015 (изменено) Чудес не бывает. Помпа. Забито. Воздух и.т.д.А можно чуть чуть подробнее.Еесли на прогретом моторе, патрубок идущий от термостата к радиатору холодный, то либо термостат заклинило, либо у помпы крыльчатка развалилась - это для дизеля, на бензе только помпа. Если патрубок горячий, но радиатор холодный, то либо термостат неисправен, либо забит радиатор это для бенза. Для дизеля при таких симптомах скорее забит радиатор чемтормостат неисправен.P.S. Забыл еще один момент - в системе охлаждения пусто может быть как вариант. Изменено 18 апреля, 2015 пользователем Leonevich Ссылка на комментарий Поделиться на другие сайты Поделиться
патроль Опубликовано 18 апреля, 2015 Жалоба Поделиться Опубликовано 18 апреля, 2015 Да, не указан ни двигатель ни его марка. Посмотрел схему управления, у тех что поновее, вентилятором управляет процессор, но поскольку речь шла о релюшках, значит постарше. Автор утверждает что вентилятор сразу включается на максимальные обороты, по схеме нашел три скорости, значит срабатывает 1509 реле включается В2 ЭБУ. Первая скорость включается 1508 реле включается Д4 ЭБУ. И вторая скорость включается 1508 реле управляется Д4, совместно с 1514 реле управляется БСИ. Эта информация для тех кто сможет проверить какая же скорость включается и почему. По какой причине меняли реле? При неисправном реле вентилятор не включится или, редкий случай, залипание и не выключится.Откуда Вы взяли, что при температуре двигателя 80 (комп показал, почему при такой температуре включается вентилятор, ведь комп видит то что видит БСИ, а БСИ видит то что видит ЭБУ) могут быть повреждения двигателя? Об опасной температуре двигателя Вам скажет лампа "Стоп" и бортовой компьютер.По поводу помпы и пустой системы; печка не будет греться.Когда термостат доставали и работали без него, радиатор тоже не грелся? Кстати при завоздушенной системе вполне возможный исход. Может попытаться развоздушить согласно инструкции. Ссылка на комментарий Поделиться на другие сайты Поделиться
s0lly Опубликовано 19 апреля, 2015 Жалоба Поделиться Опубликовано 19 апреля, 2015 Да, не указан ни двигатель ни его марка. Посмотрел схему управления, у тех что поновее, вентилятором управляет процессор, но поскольку речь шла о релюшках, значит постарше. Автор утверждает что вентилятор сразу включается на максимальные обороты, по схеме нашел три скорости, значит срабатывает 1509 реле включается В2 ЭБУ. Первая скорость включается 1508 реле включается Д4 ЭБУ. И вторая скорость включается 1508 реле управляется Д4, совместно с 1514 реле управляется БСИ. Эта информация для тех кто сможет проверить какая же скорость включается и почему. По какой причине меняли реле? При неисправном реле вентилятор не включится или, редкий случай, залипание и не выключится. Откуда Вы взяли, что при температуре двигателя 80 (комп показал, почему при такой температуре включается вентилятор, ведь комп видит то что видит БСИ, а БСИ видит то что видит ЭБУ) могут быть повреждения двигателя? Об опасной температуре двигателя Вам скажет лампа "Стоп" и бортовой компьютер. По поводу помпы и пустой системы; печка не будет греться. Когда термостат доставали и работали без него, радиатор тоже не грелся? Кстати при завоздушенной системе вполне возможный исход. Может попытаться развоздушить согласно инструкции. Спасибо за отклики. Машина Peugeot 607 2004 год, 2.2 hdi. Вентилятор включается не сразу при пуске, а при достижении температуры 90 градусов и потом уже не отключается пока ее не глушишь. Термо -реле и просто реле поменяла потому что не ясно было что не работает. Когда запускали без термостата - картина такая же. Вчера сняла реле и запустила двигатель, радиатор греется, патрубки горячи и под давлением (значит помпа работает и радиатор не завоздушен). Поставила на место реле - вентилятор включился на максимальную скорость, радиатор минуты через 3 стал холодным. Иногда наблюдаю следующий закидон: при заведенном двигателе, но стоящей машине вентилятор совсем не включается. Я уже не знаю что с нем делать (дернул меня черт сесть за баранку этого тарантаса :-( ), понятное дело ездить на нем не могу, может у кого что-то похоже было?? Может кто подскажет где найти схему включения вентилятора?? Ссылка на комментарий Поделиться на другие сайты Поделиться
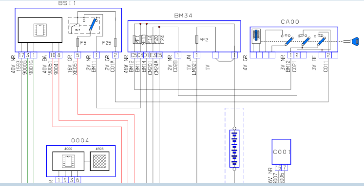
патроль Опубликовано 19 апреля, 2015 Жалоба Поделиться Опубликовано 19 апреля, 2015 (изменено) Загружаю схему, их две, одна из 3 частей, склеите, если уменьшить масштаб ничего не прочтете, вторая на одном (разницы не вижу) и монтаж на панели в-ра. Если распиновка ЭБУ не подходит, изменения в предыдущем сообщении. Изменено 19 апреля, 2015 пользователем патроль Ссылка на комментарий Поделиться на другие сайты Поделиться
nachgaz Опубликовано 21 апреля, 2015 Жалоба Поделиться Опубликовано 21 апреля, 2015 у меня такая проблема когда сливаешь охлождайку, воздушная пробка когда не все спускники открыл, заливал охлаждайку, заводишь машину, набирает 90 градусов, вентилятор на всю а радиатор холодный, стравливаю воздух, радиатор нагревается и вентиль работает нормально, у меня правда бензин но думаю от дизеля в целом мало отличается теория а вот проблему с вибрацией вентилятора не знаю тоже как решить, машина досталась с неисправным, установил новый но не оригинал, не знаю на родном должно но у меня вибрация по кузову пипец при включении, резинки все стоят, кто что посоветует? Ссылка на комментарий Поделиться на другие сайты Поделиться
feniks 607 Опубликовано 21 апреля, 2015 Жалоба Поделиться Опубликовано 21 апреля, 2015 Всем привет, подскажите какой из двух резисторов отвечает за 2-ою скорость вращения вентиляторов на 607 пежо 2.2? так как температура воды 90, а то и выше. включал кондей вентилятор переодически включаеться и выключаеться, полу чаеться 1-ая скорость вращения работает. В чём ещё может быть проблема? Ссылка на комментарий Поделиться на другие сайты Поделиться
патроль Опубликовано 21 апреля, 2015 Жалоба Поделиться Опубликовано 21 апреля, 2015 Вторая скорость, работает, при подключении в параллель обоих резисторов. Проблемы не вижу. Вторая включается когда нехорошо и третья когда совсем плохо 115 градусов по Цельсию. Ссылка на комментарий Поделиться на другие сайты Поделиться
pil0t 607 Опубликовано 27 апреля, 2015 Жалоба Поделиться Опубликовано 27 апреля, 2015 Парни,кто поможет приобрести тот самый термопредохранитель , нужно 2шт. Ссылка на комментарий Поделиться на другие сайты Поделиться
Troll Опубликовано 27 апреля, 2015 Жалоба Поделиться Опубликовано 27 апреля, 2015 Парни,кто поможет приобрести тот самый термопредохранитель , нужно 2шт. Ну, у меня всегда с собой. А вообще: могу отвезти на "жданы" - показать где продаётся. Ссылка на комментарий Поделиться на другие сайты Поделиться
pil0t 607 Опубликовано 27 апреля, 2015 Жалоба Поделиться Опубликовано 27 апреля, 2015 Парни,кто поможет приобрести тот самый термопредохранитель , нужно 2шт.Ну, у меня всегда с собой. А вообще: могу отвезти на "жданы" - показать где продаётся. Спасибо. Вроде нашел. Я не с Минска,а в нашем городке такого нету Ссылка на комментарий Поделиться на другие сайты Поделиться
pil0t 607 Опубликовано 27 апреля, 2015 Жалоба Поделиться Опубликовано 27 апреля, 2015 (изменено) Парни,кто поможет приобрести тот самый термопредохранитель , нужно 2шт.Ну, у меня всегда с собой. А вообще: могу отвезти на "жданы" - показать где продаётся. Спасибо. Вроде нашел. Я не с Минска,а в нашем городке такого нету Изменено 27 апреля, 2015 пользователем pil0t 607 Ссылка на комментарий Поделиться на другие сайты Поделиться
prokol Опубликовано 13 мая, 2015 Жалоба Поделиться Опубликовано 13 мая, 2015 Всем привет. Подскажите, на 406 2.0 хди 2003 г.в. постоянно работает вентилятор на максимальных оборотах. Выключается спустя 15-20 сек после остановки двигателя, запускается сразу при включении зажигания. Один товарищ посмотрел, сказал, что вентилятор с мозгами, которые "сгорели". Приговорил к замене вентилятора. Неужели меньшими затратами нельзя обойтись? Понимаю, что как вариант поставить новый простой вентилятор от дорестайла переделав диффузоры и добавить кучу проводов, пару-тройку сопротивлений и релюх, но это возни столько... Восстановить мой родной вентилятор можно? Читал верхний пост Citrin, но не понял, решение ли это моей проблемы... Ссылка на комментарий Поделиться на другие сайты Поделиться
palvasilich Опубликовано 13 мая, 2015 Жалоба Поделиться Опубликовано 13 мая, 2015 если вентиль с мозгами в квадратной коробочке - то ремонтопригоден, если в полукруглой - замена, ибо там все сделано одноразово Ссылка на комментарий Поделиться на другие сайты Поделиться
maxad Опубликовано 20 мая, 2015 Жалоба Поделиться Опубликовано 20 мая, 2015 Всем привет!!!!! Ребята подскажите при включении кондиционера вентилятор на какой скорости должен работать? После зимы вентилятор не работал сегодня сделал, но когда включаешь кондиционер начинает работать со средней скорости, а маленькая даже не включается. Это нормально? Ссылка на комментарий Поделиться на другие сайты Поделиться
Joker. Опубликовано 20 мая, 2015 Жалоба Поделиться Опубликовано 20 мая, 2015 нормально Ссылка на комментарий Поделиться на другие сайты Поделиться
slava2005_19 Опубликовано 12 июля, 2015 Жалоба Поделиться Опубликовано 12 июля, 2015 Такой вопрос снял я резисторы свои, а если я их буду на место ставить и местами перепутаю ничего страшного? И почему у меня на комп диагностике принудительно можно включить только 2 скорости, как я понимаю должно быть 3??? Пежо 607, 2001г.в. 2,2дизель. Ссылка на комментарий Поделиться на другие сайты Поделиться
Модератор Daiver Опубликовано 12 июля, 2015 Модератор Жалоба Поделиться Опубликовано 12 июля, 2015 Не перепутаешь, замки у резисторов разные. Ссылка на комментарий Поделиться на другие сайты Поделиться
slava2005_19 Опубликовано 12 июля, 2015 Жалоба Поделиться Опубликовано 12 июля, 2015 Не перепутаешь, замки у резисторов разные. Имеешь ввиду фишки не перепутаю??? Я имел ввиду если верхний с нижним местами перепутаю) Ссылка на комментарий Поделиться на другие сайты Поделиться
Leonevich Опубликовано 12 июля, 2015 Жалоба Поделиться Опубликовано 12 июля, 2015 Я имел ввиду если верхний с нижним местами перепутаю) Не перепутаешь, не сможешь) Ссылка на комментарий Поделиться на другие сайты Поделиться
slava2005_19 Опубликовано 12 июля, 2015 Жалоба Поделиться Опубликовано 12 июля, 2015 Ребят еще вопрос если резистор не рабочий то маленькая скорость и с компа принудительно не включится же??? Ссылка на комментарий Поделиться на другие сайты Поделиться
Модератор Citrin Опубликовано 12 июля, 2015 Автор Модератор Жалоба Поделиться Опубликовано 12 июля, 2015 Нет конечно Ссылка на комментарий Поделиться на другие сайты Поделиться
Рекомендуемые сообщения